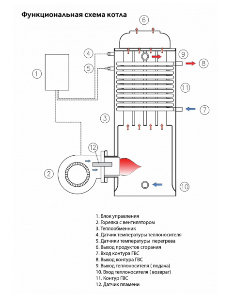
Подключение дизельного котла Китурами Турбо к системе ГВС
Варианты подключения дизельного котла
Китурами Турбо к системе горячего водоснабжения
Отопительный котел Китурами Турбо 13/17 дополнительно обеспечивает горячее водоснабжение на отапливаемом объекте.
Контур горячего водоснабжения котла подключается к системе горячего водоснабжения здания.
От схемы подключения контура котла к ГВС здания зависит дальнейший отбор горячей воды, расход которой определяется вариантами желаемого потребления:
Вариант 1. Для разовых бытовых целей, простым открытием крана на разборной точке, когда включен и работает агрегат в режиме отопления.
Вариант 2. Для обеспечения потребного расхода горячей воды, изменив режим работы агрегата нажатием кнопки функции “ДУШ”, расположенной на комнатном терморегуляторе.
Котел Китурами Турбо 13/17 в функциональном режиме “ДУШ” обеспечивает
горячее водоснабжение в любое время года.
Во время работы агрегата в
функциональном режиме “ДУШ”, функциональные режимы котла по отоплению
здания не работают.
Если потребность в горячей воде превышает по времени 1,5 часа, достаточно повторным нажатием кнопки “ДУШ” продлить этот режим.
Варианты I и II обеспечивают отбор горячей воды, когда котел подключен к трубопроводам, схема которых показана в разделе настоящего паспорта “Система труб котла”.
Вариант 3. Этот вариант нестандартного решения по обеспечению здания горячим водоснабжением (например: несколько одновременно работающих водоприборов, в количестве, равном количеству людей, проживающих в доме; применение системы рециркуляции; обеспечение горячей водой круглые сутки, и т. д).
Подключение агрегата к ГВС здания при нестандартном решении выполнятся отдельным проектом “Горячее водоснабжение здания”. В этом проекте необходимо выполнить обоснование выбора котла по его тепловой мощности.
В варианте III допускается подключение котла к трубопроводам с
отклонениями от схемы, показанной в разделе настоящего паспорта “Система
труб
котла”, если обеспечивается безопасная эксплуатация котла.
При подключении дизельных котлов Китурами Турбо к системе горячего водоснабжения, необходимо пользоваться: данными из основных характеристик котла настоящего паспорта; требованиями настоящего раздела; проектом горячего водоснабжения здания.
Рис.9.
Обеспечение подготовки и отбора горячей воды:
– Подготовку горячей воды обеспечивает контур агрегата. Вход холодной воды в котел выполнен через отверстие 16 (см. надпись на корпусе котла: “Вход гор. воды”). Выход горячей воды выполнен через отверстие 17 (см. надпись на корпусе: “Выход гор. воды”).
– Процесс подготовки горячей воды в агрегате обеспечивается передачей тепла теплоносителем контура отопления контуру с приростом температуры At = от 25 до 40°С. Прирост температуры воды в котле зависит от расхода воды (л/мин) и от давления холодной воды перед отверстием котла 16.
– Подготовка горячей воды обеспечивается при температуре теплоносителя
от 80°С до 85°С.
– Стабильность подготовки воды по температуре зависит от наличия или отсутствия естественной циркуляции теплоносителя в системе отопления.
– Один из вариантов блокировки естественной циркуляции при работе дизельного котла Китурами Турбо 13 в режиме горячего водоснабжения изложен в разделе настоящего паспорта.
– Другие технические решения, обеспечивающие стабильность подготовки воды по температуре определяются условиями, изложенными в паспорте.
– Отбор горячей воды рекомендуется выполнять при динамическом давлении холодной воды перед отверстием котла 16, в пределах от 1,0 до 1,5 кг/см2.
– Отбор горячей воды зависит от высоты расположения и удаленности водоразборной арматуры, количества одновременно задействованных разборных точек, от гидравлического сопротивления трубопровода, от температуры и давления холодной воды на входе в агрегат.
– Максимально допустимое рабочее давление для контура ГВС, не более 3,5 кг/см2.
– Если магистраль холодной воды 19 обеспечивает подачу воды давлением
3,5 кг/см’ и более, необходимо установить редуктор 20.
Регулирования
давления холодной воды редуктором 20 обеспечивает выполнение
рекомендаций, изложенных в п. 2.5. настоящего подраздела. Контроль
регулировки
давления на подаче холодной воды выполняется манометром 23 с
максимальным давлением не более 10кг/см2.
– Не допускается подача холодной воды в агрегат при любом выставленном рабочем давлении, если присутствует вероятность скачкообразного давления в трубопроводе, или давление на подаче холодной воды имеет жесткий переменный характер.(Например, насосная станция, у которой нарушена регулировка автоматического поддержания давления).
– Наличие теплоизоляции на магистральных трубах ГВС обеспечивает дополнительную экономию расхода топлива.
Способ соединения труб
Рис.4. Схема для подключения котлов Китурами Турбо 17 к системе отопления с расширительным баком открытого типа (вариант 1)
1. котел, 2. система отопления, 3. система горячего водоснабжения, 4.
бак расширительный открытый, 5. бак резерва холодной воды, 6. подающий
трубопровод отопления, 7. V- Образный узел, 8. коллектор на подающем
трубопроводе, 9. коллектор на обратном трубопроводе, 10. фильтр сетчатый
(грязевик), 11. циркуляционный насос, 12. обратный трубопровод
отопления, 13. труба для слива теплоносителя, 14. труба расширительная,
15. труба
циркуляционная, 16. труба входа холодной воды, 17. труба выхода горячей
воды, 18. труба холодной воды для бытовых нужд, 19. магистраль
холодной воды
Схема (см. Вариант 1) является основанием для выполнения рабочего проекта по подключению к котлу: трубопроводов, основного и вспомогательного оборудования, по обеспечению безопасной эксплуатацию агрегата в системе отопления с расширительным баком открытого типа.
Рис.5. Схема для подключения дизельных котлов Китурами Турбо к системе отопления с расширительным баком закрытого типа (вариант 2)
1. котел, 2. система отопления, 3.
система горячего водоснабжения, 4.
бак расширительный открытый, 5. бак резерва холодной воды, 6. подающий
трубопровод отопления, 7. V- Образный узел, 8. коллектор на подающем
трубопроводе, 9. коллектор на обратном трубопроводе, 10. фильтр сетчатый
(грязевик), 11. циркуляционный насос, 12. обратный трубопровод
отопления, 13. труба для слива теплоносителя, 14. труба расширительная,
15. труба
циркуляционная, 16. труба входа холодной воды, 17. труба выхода горячей
воды, 18. труба холодной воды для бытовых нужд, 19. магистраль
холодной воды, 20. редуктор для понижения давления, 21. клапан
предохранительный, 22. клапан автоматический воздушный, 23. манометр
воды из
Схема (см. Вариант 2) является основанием для выполнения рабочего
проекта по подключению к агрегату: трубопроводов, основного и
вспомогательного оборудования, по обеспечению безопасной эксплуатацию
котла в системе отопления с расширительным баком закрытого типа.
__________________________________________________________________________
__________________________________________________________________________
Ошибки газовых котлов Ферроли
Ошибки газовых котлов Аристон
Неисправности и ремонт Ферроли
Эксплуатация и ремонт котлов Baxi
__________________________________________________________________________
__________________________________________________________________________
Ошибки газовых котлов Бакси
Ремонт и настройки котлов Китурами
Эксплуатация котлов Daewoo
Ошибки газовых котлов Беретта
__________________________________________________________________________
__________________________________________________________________________
Регулировки и ремонт Протерм Гепард
Ошибки газовых котлов Будерус
Ошибки газовых котлов Вайлант
Неисправности и ремонт Навьен
_______________________________________________________________________________
_______________________________________________________________________________
__________________________________________________________________________
ЭКСПЛУАТАЦИЯ И РЕМОНТ КОТЛОВ
Протерм Пантера
Протерм Скат
Протерм Медведь
Протерм Гепард
Эван
Аристон Эгис
Теплодар Купер
Атем Житомир
Нева Люкс
Ардерия
Нова
Термона
Иммергаз
Электролюкс
Конорд
Лемакс
Галан
Мора
Атон
_______________________________________________________________________________
Модели котлов
Советы по ремонту котлов Коды ошибок Сервисные инструкции_______________________________________________________________________________
Монтаж и эксплуатация газовых котлов Бош 6000
Управление и обслуживание котлами Vaillant Turbotec / Atmotec
Обзор газовых котлов Житомир-3 Атем
Монтаж системы отопления частного дома
Котлы Данко, Росс и Dani – Ответы специалистов на вопросы пользователей
Рекомендации по монтажу настенных газовых котлов Навьен
Обзор твердотопливного котла Купер ОК-15 Теплодар
Неисправности и ошибки котлов Ферроли
Сборочные элементы, монтаж и подключение электрокотла Скат Protherm
Обзор отопительных котлов Дон КСТ-16
Ремонт и сервис котлов Вайлант – ответы экспертов
Обзор газового котла КСГ Очаг
Обзор отопительного котла Купер ОК-20 Теплодар
Комплектация и компоненты электрического котла Протерм Скат
Подключение и ввод в работу котла Будерус Логомакс U072
Ответы специалистов по неисправностям котлов Китурами
Советы мастеров по обслуживанию котлов Навьен
Обслуживание компонентов газового котла Navien Deluxe
Подключение котла Аристон Egis Plus 24 ff к рабочим системам
Дизельные котлы Turbo 21 (Kiturami) #3036-159564
159564
Дизельный котел
Kiturami, Корея
65 000р.
RUB
Номинальная мощность котла по отоплению (кВт) 24.4
Отапливаемая площадь – м² 240
Тип камеры сгорания Закрытая
Тип котла Дизельный
КПД (%) 92.8
Ёмкость теплообменника (Литров) 32
Площадь теплообменника (м²) 1.03
ОТОПИТЕЛНЫЙ КОНТУР
Максимальная температура отопительной воды °С 85
Настраиваемая температура отопительной воды °С 45-85
ХАРАКТЕРИСТИКИ КОНТУРА ГВС
Производительность по горячей воде при Δt=25°С (л/мин) 13.1
Производительность по горячей воде при Δt=40°С (л/мин) 8.2
Настраиваемая температура ГВС °С 45-80
ЭЛЕКТРИЧЕСКОЕ ПОДКЛЮЧЕНИЕ
Напряжение питания котла (Вольт) 220
Потребляемая мощность (Вт) 160
Напряжение питания циркуляционного насоса (Вольт) 220
ПРИСОЕДИНИТЕЛЬНЫЕ РАЗМЕРЫ
Дымоход – Ø (мм) 80
Подключение – вход и выход горячего водоснабжения (мм) 15
Подключение – вход и выход отопления (мм) 25
ТИП И РАСХОД ТОПЛИВА
Расход дизельного топлива при непрерывной работе (л/час) 2.8
ГАБАРИТЫ и ВЕС
Высота (мм) 920
Глубина (мм) 640
Ширина (мм) 360
Вес котла (кг) 75
Описание
Данные напольные дизельные котлы отличаются от аналогов простотой конструкции, высокой надёжностью, удобством эксплуатации.
Конструкция котлов двухконтурная, включающая в себя отопление и горячее водоснабжение. Применяемая турбоциклонная горелка позволяет достичь полного сгорания топлива и обеспечить высокий (до 95%) КПД. Котлы Kiturami Turbo предназначены для использования в качестве теплогенератора систем отопления и горячего водоснабжения частных жилых домов и небольших офисных зданий, площадью до 150 квадратных метров. Теплообменники котла изготовлены из различных материалов. Теплообменник, используемый для теплоснабжения выполнен из высококачественной лигированная стали, которая обеспечивающая долговечность котла. Теплообменник, используемый в горячем водоснабжении выполнен из 99,9% меди, которая повышает производительность процесса приготовления горячей воды. Управление котлом осуществляется при помощи пульта управления, расположенного на лицевой панели изделия.
Параметры
- Теплообменник из специальной стали
- Турбоциклонная горелка. Запатентованная система дожига топлива обеспечивает высокий КПД горелки
- Электронная система управления котлом
- Датчик утечки газа (для котлов TGB)
- Котлы и имеют одинаковую конструкцию теплообменника, что позволяет переходить на другой вид топлива путем смены горелки и электронного блока управления
- Турбоциклонная горелка
- Управление работой котла в соответствии с задаваемой температурой в помещении
- Сокращение частоты включений котла в ночное время (режим сон)
- Максимальное повышение производительности данного дизельного котла по горячему водоснабжению
Замена жидкотопливного котла электрическим котлом
Колебания цен на электроэнергию, загрязняющая окружающую среду установка и необходимость тяжелого обслуживания… В настоящее время масляный котел привлекает все меньше и меньше домохозяйств в пользу электричества.
Каковы причины замены масляного котла на электрический? Как это сделать?
Зачем менять масляный котел на электрический?
Если у вас стареющий масляный котел, возможно, пришло время заменить его на более эффективный электрический котел . Есть несколько причин сделать этот выбор:
- Электрический котел не требует обслуживания
Если масляное отопление требует установки и обслуживания бака, не говоря уже о транспортировке и доставке топлива в дом, электрический отопление не подлежит никаким обязательствам по техническому обслуживанию, а электричество является местным ресурсом и доступно для всех.
- Выберите продукт нового поколения для экономии энергии
Устаревшие масляные котлы очень энергоемки и не помогают обеспечить систему отопления для экономии денег. Если ваш котел старый, выбор более нового выгоден в долгосрочной перспективе: у вас действительно будет мощный и долговечный котел, который будет потреблять меньше энергии, чем ваш старый прибор.![]()
- Здоровый и экологичный продукт
В отличие от мазута, электрическое отопление не загрязняет окружающую среду и не имеет горения, не содержит CO2 и CO. Кроме того, электричество дает возможность устанавливать оборудование для производства возобновляемой энергии, например, фотоэлектрические солнечные панели.
- Самый простой выбор
В отличие от электричества, топливо для бытовых нужд требует места для хранения и должно заказываться выше по течению. Кроме того, его цена подвержена большим колебаниям от одного периода к другому (добыча стран ОПЕК, цена на нефть, международная ситуация и т. д.) и поэтому должна регулярно контролироваться. Электроэнергией вы платите только за то, что потребляете, и ее стоимость не подвержена большим колебаниям.
Замена жидкотопливного котла на электрический: что нужно знать
Замена старого жидкотопливного котла на мощный электрический котел — это разумный выбор для вашего дома, который поможет улучшить систему отопления и сэкономить деньги в долгосрочной перспективе.
Полезно знать: чтобы оптимизировать отопление в вашем доме, не стесняйтесь планировать изоляционные работы. Чердаки (которые могут составлять до 30% теплопотерь), крыша, пол, окна… Многие элементы, которые могут вызывать значительные потери тепла. Если вы заинтересованы в этих работах, мы приглашаем вас получить информацию о способах помочь финансировать ваш проект.
Необходимые шаги
Электрический котел легко монтируется и требует только гидравлического подключения существующей системы отопления и электрического подключения в соответствии с обязательными стандартами страны. Если вы не уверены и предпочитаете, чтобы котел устанавливал специалист, не стесняйтесь вызвать квалифицированного специалиста. В частности, необходимо запланировать:
- удаление вашего текущего котла и вашего масляного бака: этот потребует дегазации;
- покупка электрокотла.
Сколько стоит?
Установка электрического котла очень проста и быстра.
Стоимость приобретения качественного продукта, пусть и требующего небольших первоначальных вложений, тем не менее остается недорогой по сравнению с другими видами отопления. Котел Mini Europe доступен от 649 € (до 945 €), что делает его одним из самых дешевых решений на рынке с выходом почти 100%. Имеет термостат для регулирования температуры нагрева воды. Имеется также двухпроводная клеммная колодка, к которой можно подключить другую систему управления (термостат комнатной температуры)
Не стесняйтесь инвестировать в термостат комнатной температуры для вашего электрического бойлера. Это позволяет вам регулировать температуру в вашем доме и программировать отопление в соответствии с вашими потребностями. Следовательно, это означает значительную экономию энергии. Чтобы помочь вам, в большинстве случаев есть помощь в финансировании вашего оборудования для регулирования отопления. Не стесняйтесь спрашивать о возможной помощи и условиях, чтобы воспользоваться ею.
Консультация ThermoGroup
Если замена вашего старого котла требует затрат, их можно минимизировать, перепродав ваш текущий жидкотопливный котел, нагреватели (при замене) и накопительный бак.