404 – Страница не найдена
Выберите регион:
Населенный пункт:
Тел: +7 495 989-47-20
Обособленное подразделение “ВЕЗА-Центр”(Москва)
Извините!
Страница, которую вы ищете, возможно, была удалена, переименована, или она временно недоступна. Вы можете перейти на главную страницу или воспользоваться картой сайта:
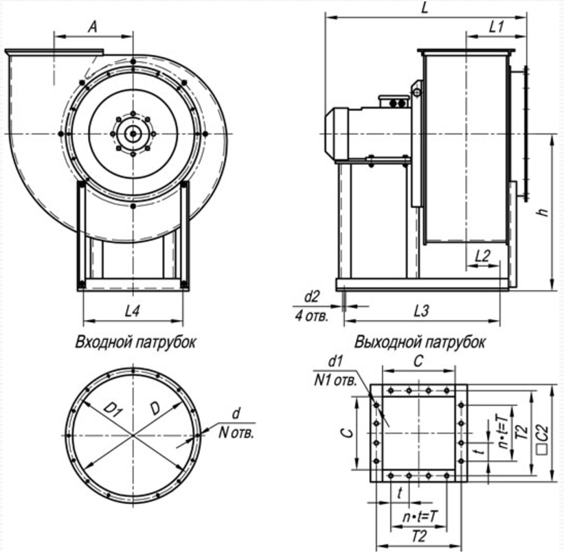
|
|
Наверх ▲
Вентилятори димовидалення
Зміст
Вентилятори димовидалення
Поділитись
Поділитись
Вентилятори димовидалення
Останнім часом дедалі більше зростає попит на системи безпеки людей у будинках, у тому числі й пожежній. У цьому питанні головну роль грають протидимна вентиляція і вентилятори димовидалення , що входять до її складу. Створення та проектування протидимної вентиляції – складний процес, адже фактори, що впливають на ситуацію під час пожежі, практично не піддаються прогнозам та аналізу. Також варто враховувати складність усіх процесів – хімічна реакція горіння, інтенсивний теплообмін, змішування потоків повітря та продуктів згоряння.
Яким може бути вентилятор димовидалення?
Класифікація вентиляторів димовидалення відбувається залежно від того, яка конструкція корпусу вентилятора та якого плану робоче колесо. Найбільшою популярністю користуються радіальні дахові вентилятори та вентилятори типу «равлика» (вентилятор, корпус якого є спіральним).
Дахові вентилятори мають багато плюсів. Насамперед, для установки системи використовується необмежена площа даху, і не потрібно шукати для вентиляторів димовидалення спеціальні приміщення. По-друге, використання цих вентиляторів дозволяє обійтися без влаштування вертикального повітроводу. Вентилятор викидає повітря прямо у відкрите повітряне середовище.
Викид повітря вентилятором може здійснюватися вгору або убік. При розміщенні обладнання варто врахувати прийняту норму безпеки: викид у повітряне середовище має відбуватися на висоті не менше ніж 2 м від поверхні з пального матеріалу (покрівлі). Зменшити цю висоту можна у разі організації захисту покрівлі безпечним матеріалом. Якщо порівнювати ціни, то вентилятор з викидом убік – це система димовидалення, вартість якої трохи нижче.
У випадках, коли немає можливості встановити даховий вентилятор, можна використовувати радіальний вентилятор зі спіральним корпусом. Такий вентилятор можна розмістити в будь-якому приміщенні, а також до нього можна приєднати повітропровід на вході та на виході. Єдина вимога до повітроводів – це вогнестійкість, що забезпечується конструкцією завдяки нанесенню спеціального вогнезахисного складу.
Як працює вентилятор димовидалення
Керувати вентилятором димовидалення відбувається досить легко. Для обладнання встановлюється пульт керування. Сигнал про включення надходить сюди з пульта пожежної автоматики.
Найчастіше вентилятори димовидалення зустрічаються в системах протидимної вентиляції, хоча трапляються випадки застосування їх у загальній системі вентиляції. Щоб забезпечити у такій ситуації роботу обладнання, встановлюють перетворювач, який за наявності сигналів від пожежного пульта прискорює обертання вентиляторів.
Ми працюємо з такими відомими виробниками вентиляторів димовидалення: Systemair, Веза, Інтеркондиціонер.
Детальніше в каталозі Вентилятори димовидалення
Чому ми?
9 років досвіду в сфері ОВіК
Працаємо на принципах «win-win»
Регулярно проходимо тренінги і вкладаємо переймаючий досвід у кожен проект
З нами вибір обладнання – зручний, вигідний, швидкий
Більш 400 реалізованих об’єктів
Ми створюємо мікроклімат, який подобається людям
Сертифікати і ліцензії
У вас залишились запитання?
Замовте безкоштовно: консультацію, проектне рішення, розрахунок вартості
Надіслати
Вам була корисна ця стаття?
Потрібна консультація спеціаліста?
Зв’яжіться з нами, наш спеціаліст відповість на ваші запитання
Замовити дзвінок
Ми хочемо проконсультувати вас
Ім’я
Обов’язкове поле
Телефон
Обов’язкове поле
HVAControl Inc.

HVAControl Inc.
Granada Hills, CA 91344
США
тел.: +1 (877) 877 9487
факс: +1 (818) 700 2840
hvacontr
конкретное помещение. Вентилятор должен соответствовать как минимум минимальному стандарту CFM, чтобы обеспечить надлежащую вытяжку. Прежде чем устанавливать вытяжные вентиляторы для ванной, кухни или гаража, начните с этого, чтобы определить, что вам нужно сделать для надлежащей вентиляции.

КОНТЕЙНЕРНЫЕ ТРУБНЫЕ ОСЕВЫЕ ВЕНТИЛЯТОРЫ
Эти осевые вентиляторы помогают усилить линейные воздуховоды и вентиляцию для удаления паров, пыли или дыма из окружающей среды.
Осевые вентиляторы изготовлены с искробезопасным осевым рабочим колесом с аэродинамическим профилем из литого алюминия. Прочный сварной стальной корпус барабана с приваренными фланцами с угловыми кольцами обеспечивает аэродинамически эффективную работу. Промышленный двигатель TEFC приводит в движение лопасти вентилятора с регулируемым шагом. Трубные осевые вентиляторы монтируются в воздуховоде в любом положении. Протестировано по стандартам ANSI/AMCA. Соответствует стандартам NEMA. Покрытие серой эмалью. Вентиляторы с прямым приводом просты в обслуживании и не требуют замены ремней или шкивов. Включает установленную снаружи проводную распределительную коробку. Вентиляторы с ременным приводом оснащены двигателем с клиноременным приводом, который установлен снаружи воздушного потока для обеспечения работы на низкой скорости. Изготовлены с использованием чугунных шкивов вентилятора и масло- и термостойких ремней вентилятора. Стальной вал вентилятора уплотнен самоустанавливающимися шарикоподшипниками с подушками, что снижает потребность в обслуживании.
ВЫТЯЖНЫЕ ВЕНТИЛЯТОРЫ С РЕМЕННЫМ ПРИВОДОМ
Однофазный вытяжной вентилятор с нисходящим потоком Отличается полностью вентилируемым отсеком охлаждения двигателя для увеличения срока службы двигателя.
Эти вытяжные вентиляторы оснащены наклоненными назад центробежными колесами без перегрузки, которые обеспечивают низкую скорость вращения и бесшумную работу. Корпус из литого алюминия обеспечивает устойчивость к атмосферным воздействиям. Это позволяет устанавливать на крышах и внутренних или наружных стенах. Шкив двигателя с переменным шагом делает возможной регулировку на месте и балансировку системы. Лопасти и входы изготовлены из алюминия. Вентиляторы оснащены защитой от птиц, полностью закрытым двигателем с постоянной смазкой и разъединителем. Быстросъемные защелки для легкого доступа к моторному отсеку. Максимальная температура 110°F.
КРЫШНЫЕ ВЕНТИЛЯТОРЫ
Промышленные крышные вентиляторы обеспечивают вертикальный выброс с помощью закрытых двигателей с вентиляторным охлаждением. Эти крышные вентиляторы устойчивы к атмосферным воздействиям, что обеспечивает долгий срок службы при хранении на открытом воздухе. Прочное стальное основание с приваренными монтажными пластинами упрощает установку.
Рулонная трубка Вентури окружает вентилятор ветровой лентой из оцинкованной стали 18 калибра. Однофазные двигатели можно преобразовать в полевых условиях от 115 В до 230 В. 3-фазные двигатели преобразуют напряжение с 230 В в 460 В. Крышные вентиляторы с ременным приводом имеют лопасти из толстой стали и дисковый демпфер из оцинкованной стали с резиновыми упорами и уплотнениями. Крышные вентиляторы с прямым приводом имеют резиновые упоры и уплотнения под заслонками. Крышные вентиляторы с капюшоном могут либо вытягивать, либо подавать поток воздуха с бесшумной работой. Оснащен осевым двигателем с ременным приводом, который приводит в движение стальные лопасти, и алюминиевым кожухом с включенной сеткой от птиц. Включает в себя корпус вентилятора/бордюрное крепление для крышки.
HVAControl Inc.
Granada Hills, CA 91344
United States
ph: +1 (877) 877 9487
fax: +1 (818) 700 2840
hvacontr
Как определить размер вентилятора для всего дома с помощью правильного CFM
Использование вентилятора для всего дома — это отличный способ сократить количество энергии и денег, необходимых для охлаждения, без ущерба для уровня комфорта в доме. Эти типы вентиляторов способны охлаждать весь дом в часы, когда температура в помещении выше, чем на улице, например, в вечерние и утренние часы, за счет подачи более прохладного воздуха снаружи. Он делает это, используя только часть энергии, необходимой блоку кондиционирования воздуха. Вентиляторы для всего дома бывают разных размеров, в зависимости от количества циркулирующего воздуха, или вентилятора для всего дома в куб. Понимание этого упрощает выбор правильного размера вентилятора для вашего дома.
Общие сведения о вентиляторе всего дома CFM
Кубические футы в минуту или CFM — это количество кубических футов воздуха в минуту, которое перемещает вентилятор. Количество энергии вентилятора зависит от этого измерения. Чем выше CFM, тем мощнее вентилятор. Количество необходимой мощности во многом зависит от объема охлаждаемого пространства. Конечно, для больших помещений потребуются более крупные вентиляторы.
Определите, сколько воздуха перемещается
Вычисление объема воздухообмена, который будет происходить в течение определенного периода времени с открытыми окнами и вентилятором на чердаке всего дома, выполняется с использованием измерения вашего дома в квадратных футах вместе с рейтинг CFM вентилятора. В качестве примера возьмем дом площадью 2200 квадратных футов со средней высотой от пола до потолка 8 футов и вентилятором всего дома с рейтингом CFM 1600:
- Определите объем дома, умножив площадь дома на высоту потолка:
2200 квадратных футов дома x высота потолка 8 дюймов = 17600 кубических футов - Разделите объем в кубических футах на показатель CFM, присвоенный вентилятору:
17600 кубических футов ÷ 1600 = 11
Это означает, что каждые одиннадцать минут воздух в доме заменяется вентилятором этого рейтинга, а в каждой комнате открываются окна. Для обеспечения более быстрого воздухообмена необходимо выбрать вентилятор с более высоким CFM. Например, переход на вентилятор 2500 CFM сократит время воздухообмена примерно до 7 минут (17 600 / 2500). Еще один способ взглянуть на это — подсчитать, сколько воздухообменов выполняется в час для вентилятора с определенным CFM. Для этого разделите 60 (количество минут в часе) на количество минут, необходимых для воздухообмена во всем доме.