Обслуживание и сервис настенных котлов Bosch Gaz 4000 W 24
___________________________________________________________________________

Рис.10. Открывание горелки котла Bosch Gaz 4000 W 24
1 – Верхние винты крышки камеры сгорания, 2 – Крышка камеры сгорания, 3 – Нижние винты крышки камеры сгорания, 4 – Группа горелок
Очистка поддона горелки, форсунок и горелки
– Ослабить два верхних винта (1) и два барашковых винта (2) по бокам.
– Выдвинуть крышку камеры горелки (3) вперед.
– Осторожно снять соединитель с запального электрода (1) (рис. 12).
– Осторожно вынуть штекерный соединитель на электроде контроля пламени (5).
– Отвинтить крепежный уголок (3).
– Ослабить накидную гайку под горелкой и осторожно снять узел горелки (4).
– Снять винты (11) (рис. 12).
– Снять перемычку перекрестного розжига (7).
– Вывинтить винты в точках крепления (9). Снять левую и правую части горелки (12 и 8) с коллектора форсунок (10).
– Очистить горелку щеткой, чтобы убедиться в отсутствии загрязнения на ламелях и форсунках. Ни в коем случае не очищать форсунки металлической щеткой.
– Проверить настройки подачи газа.

Рис.11. Узел горелки
1 – Узел запального электрода, 2 – Крепежный винт узла запального электрода, 3 – Крепежный уголок, 4 – Узел горелки, 5 – Электрод контроля пламени, 6 – Крепежный винт электрода контроля пламени, 7 – Перемычка перекрестного розжига
Рис.12. Горелка котла Бош Gaz 4000
7 – Перемычка перекрестного розжига, 8 – Горелка (правая часть), 9 – Точки крепления для коллектора форсунок, 10 – Коллектор форсунок, 11 – Винты для крепления перемычки перекрестного розжига, 12 – Горелка (левая часть)
Очистка нагревательного блока:
– Снять переднюю стенку камеры сгорания и горелку (рис. 10).
– Снять кабели, развинтить резьбовые соединения и выдвинуть нагревательный блок вперед.
– Погрузить нагревательный блок в воду, очистить его моющим средством, а затем снова установить.
– Осторожно выпрямить согнувшиеся ламели на нагревательном блоке.
Газовая арматура настенного котла Бош 4000:
– Демонтировать горелку/присоединительный патрубок.
– Разъединить электрические штекерные соединения.
– Открутить трубу подачи газа.
– Открутить два винта, газовую арматуру протолкнуть железным крепёжным листом наверх и снять с винтов.
Проверка контроля тяги
Контроль тяги на защитном коллекторе дымовых газов:
– Включить настенный котел Bosch Gaz 4000 W 24 и ввести его в действие.
– Настроить прибор на макс. номинальную тепловую мощность,
– Поднять трубу для отвода дымовых газов и закрыть пластиной патрубок подключения трубы для отвода дымовых газов.
– Спустя менее 2 минут прибор отключается. На индикации температуры мигает 60°.
– Снять пластину и вновь установить трубу для отвода дымовых газов.
– Приблизительно через 20 минут прибор автоматически возобновляет работу.
– Включить прибор и ввести его в действие.
– Настроить настенный газовый котел Бош 4000 на максимальную номинальную теплопроизводительность, и прогнать в течение 10 минут.
– Установить пластину между предохранителем потока.
– По истечение примерно 10-12 минут прибор отключится. На индикации температуры мигает 40° 50° 60° 70°.
– Удалить пластину. Прибор вновь включается.
– Если в течение 5 минут прибор выключить, то его повторное включение произойдет только через 20 минут.
Проверка предохранительного клапана системы отопления
Его назначение заключается в том, чтобы предохранять отопительную систему и всю установку от возможного избыточного давления.
Заводская настройка обеспечивает срабатывание клапана, когда давление в замкнутом контуре достинет примерно 3 бар.
– Предохранительный клапан ни в коем случае не закрывать.
– Сток предохранительного клапана проложить по нисходящей.
– Предохранительный клапан повернуть влево до срабатывания.
– Из сливной трубы должна потечь вода.
Опорожнение газового настенного котла Bosch Gaz 4000 W 24:
– Для опорожнения системы отопления в самой низкой точке системы должен быть монтирован спускной кран.
– Для опорожнения отопительного прибора:
– Открыть сливной кран и слить воду отопительной системы через
подсоединенный шланг.
___________________________________________________________________________
___________________________________________________________________________
___________________________________________________________________________
___________________________________________________________________________
___________________________________________________________________________
___________________________________________________________________________
wssm.ru
Двухконтурные котлы Bosch Gaz 4000 W ZWA 24
___________________________________________________________________________
Агрегаты Bosch Gaz 4000 W ZWA 24-2 K являются проточными двухконтурными котлами, предназначенными для отопления и горячего водоснабжения.
Компоненты газового котла Бош ZWA
– Прибор для настенного монтажа и подключения дымовой трубы.
– Прибор для работы на природном или сжиженном газе.
– Модель с открытой камерой сгорания и коллектором дымовых газов.
– Индикация температуры подающей линии отопительного контура (светодиод).
– Предохранительное устройство Cotronic с ионизационным контролем пламени и электромагнитными клапанами обеспечивают полную защиту.
– Автоматический розжиг.
– Постоянное регулирование мощности.
– Датчик и регулятор температуры нагревателя.
– Датчик температуры камеры горения.
– Трехступенчатый отопительный насос.
– Предохранительный клапан, манометр, расширительный бак с автоматическим воздухоотводчиком.
– Приоритетное включение режима приготовления горячей воды.
– Соединительный кабель с сетевым штекером.
– Встроенный кран подпитки.
– Датчик защиты от перегрева.
Технические параметры котлов Bosch Gaz 4000 W ZWA 24-2 K
Максимальная номинальная тепловая мощность, кВт – 22.0
Максимальная номинальная тепловая нагрузка, кВт – 24.4
Минимальная номинальная тепловая мощность, кВт – 7.8
Минимальная номинальная тепловая нагрузка кВт – 8.9
Максимальная номинальная тепловая мощность при нагреве воды кВт – 22.0
Максимальная номинальная тепловая нагрузка при нагреве воды кВт – 24.4
Минимальная номинальная тепловая мощность для горячей воды кВт – 7.8
Минимальная номинальная тепловая нагрузка для горячей воды кВт – 8.9
Объем подачи газа:
– Природный газ H (HiS = 9,5 кВтч/м3), м3/ч – 2.52
– Сжиженный газ (Hi = 12,9 кВтч/кг), кг/ч – 1.88
Допустимое давление подаваемого газа:
– Природный газ, H мбар 13/13
– Сжиженный газ (бутан/пропан), мбар – 28-30/37
Расширительный бак:
– Предварительное давление, бар – 0.5
– Общая емкость, л – 8
Горячая вода
Максимальный объём горячей воды – 6.84
Максимальный объём горячей воды – 11.4
Максимальный объём горячей воды – 17.1
Температура на выходе, °C – 40-60
Максимальное допустимое давление горячей воды, бар – 10.0
Минимальное давление потока, бар – 0.25
Минимальный расход, л/мин – 2.5
Удельный расход, л/мин – 11.4
Общие характеристики
Напряжение, В – 230
Частота, Гц – 50
Макс. потребляемая мощность, Вт – 130
Максимальный уровень шума, дБ (А) – 38,0
Класс защиты, IP – X4
Максимальная температура подающей магистрали, °C – 82
Максимально допустимое рабочее давление (PMS) – 3.0
Допустимая температура окружающей среды, °C – 0-50
Номинальная емкость отопительного контура, л – 2.0
Вес (без упаковки), кг – 33.0
Вес (без кожуха), кг – 27.5

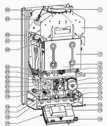
Рис.1. Конструкция двухконтурного котла Bosch ZWA 24-2 K
1 – Автоматический воздухоотводчик, 2 – Контроль тяги (защитный коллектор дымовых газов), 3 – Камера сгорания, 4 – Контролирующий электрод, 5 – Корпус горелки с коллектором форсунок, 6 – Контроль тяги (камера сгорания), 7 – Переключатель частоты вращения насоса, 8 – Газовая арматура, 9 – Насос системы отопления, 10 – Сливной кран, 11 – Предохранительный клапан (отопительный контур), 12 – Заводская табличка, 13 – Cotronic, 14 – Манометр, 15 – Наклейка с типом прибора, 16 – Байпас, 17 – Кран подпитки, 18 – Подающая линия системы отопления, 19 – Расходомер (гидротурбинка), 20 – Штуцер для измерения давления подаваемого газа, 21 – Регулировочный винт минимального расхода газа, 22 – Регулировочный винт максимального расхода газа, 23 – Датчик температуры горячей воды, 24 – Измерительный штуцер (давление перед форсунками), 25 – Запальник, 26 – Датчик температуры подающей линии, 27 – Ограничитель температуры теплообменника, 28 – Расширительный бак, 29 – Защитный коллектор дымовых газов, 30 – Проушины для подвески

Рис.4. Гидравлическая схема двухконтурного котла Бош ZWA 24-2 K
1 – Контроль тяги (камера сгорания), 2 – Защитный коллектор дымовых газов, 3 – Теплообменник горячей воды, 4 – Теплообменник, 5 – Автоматический воздухоотводчик, 6 – Клапан для заполнения азотом, 7 – Запальник, 8 – Сопла инжектора, 9 – Горелка, 10 – Датчик температуры горячей воды, 11 – Контролирующий электрод, 12 – Расширительный бак, 13 – Измерительный штуцер (давление перед форсунками), 14 – Отверстие выравнивания давления, 15 – Регулировочный винт минимального расхода газа, 16 – Регулировочный винт максимального расхода газа, 17 – Регулирующий клапан давления управления, 18 – Штуцер для измерения давления подаваемого газа, 19 – Регулятор давления, 20 – Регулирующий клапан давления управления, 21 – Газовая арматура, 22 – Тарелка главного клапана, 23 – Сетчатый фильтр, 24 – Расходомер (гидротурбинка), 25 – Ограничитель протока с фильтром и фильтрующей сеткой, 26 – Отопительный насос, 27 – Предохранительный клапан (отопительный контур), 28 – сток, 29 – Обратная линия отопительного контура, 30 – Вход холодной воды, 31 – Вход газа, 32 – Манометр, 33 – Cotronic, 34 – Выход горячей воды, 35 – Подающая линия отопительного контура, 36 – Кран подпитки, 37 – Байпас, 38 – Датчик температуры горячей воды, 39 – Датчик температуры подающей линии, 40 – Ограничитель температуры теплообменника, 41 – Камера сгорания
Эксплуатация газовых котлов Бош ZWA 24-2 K
Перед вводом в эксплуатацию провести следующие работы:
– Установить предварительное давление в расширительном баке в соответствии со статической высотой системы отопления.
– Открыть вентили радиаторов.
– Открыть кран холодной воды.
– Открыть сервисные краны и заполнить отопительную систему до давления 1 – 2 бар (у ZWA через встроенный кран подпитки), затем закрыть кран для заполнения.
– Удалить воздух из радиаторов.
– Снова наполнить отопительную установку до давления 1-2 бара.
– Открыть и оставить открытым автоматический воздухоотводчик отопительного контура.
– Проверить, соответствует ли указанный на фирменной табличке вид газа имеющемуся газоснабжению.
– Настройка на номинальную тепловую нагрузку не требуется.
– Открыть газовый кран.
Защита котла Bosch ZWA 24-2 K от замерзания
– Оставить прибор включенным.
– Записать положение, в котором находится регулятор температуры подающей линии .
– Регулятор температуры подающей линии повернуть в крайнее левое положение.
– Отопительный насос и, тем самым, отопление выключается.
– Система снабжения горячей водой и электропитание для регулятора отопления и таймера остаются включены.
– При снижении температуры в помещении, где установлен прибор, примерно до 9 °C ненадолго включаются горелка и отопительный насос.
Проверка контроля тяги
– Двухконтурный газовый котел Bosch Gaz 4000 W ZWA 24-2 K оснащен двумя устройствами контроля тяги.
– При выходе дымовых газов из защитного коллектора контроль тяги отключает прибор. На индикации температуры мигает 60°.
– При выходе дымовых газов из камеры сгорания контроль тяги отключает прибор. На индикации температуры мигает 40° 50° 60° 70°.
– Через 20 минут прибор автоматически включается.
– При вводе в эксплуатацию проверить контроль тяги.
– При частом отключении – Обратиться в уполномоченную специализированную фирму или в сервисную службу, сообщив при этом вид неполадки и данные прибора.
Регулировка теплопроизводительности
Некоторые предприятия газоснабжения устанавливают базисную цену независимо от теплопроизводительности.
Теплопроизводительность может быть ограничена в диапазоне между минимальным и максимальным значением тепловой мощности в соответствии с удельным теплопотреблением.
Для регулировки максимальной теплопроизводительности:
– Отвернуть уплотнительный винт измерительного штуцера давления перед форсунками и подсоединить U-образный манометр.
– Проверьте, прибор должен быть включен.
– Установить регулятор температуры горячей воды в среднее положение.
– Удерживать нажатой кнопку Сброс до тех пор, пока не загорятся один за другим светодиоды температурной индикации.
– Вращая регулятор температуры подающей линии, установить нужное давление перед форсунками.
– Удерживать нажатой кнопку Сброс до тех пор, когда будет гореть только один светодиод температурной индикации.
– Установленное значение сохранено. Индикация температуры показывает температуру подающей линии.

Рис.9. Переоборудование котла Бош ZWA на другой вид газа
1 – Распределитель теплового потока, 2 – Горелка (левая половина), 3 – Винты крепления распределителя теплового потока, 4 – Газовый коллектор, 5 – Точки крепления коллектора форсунок, 6 – Форсунка, 7 – Уплотнение, 8 – Горелка (правая половина)
Операции по переоборудованию котла Bosch Gaz 4000 W ZWA 24-2 K на другой вид газа:
– Выключить прибор кнопкой включения/выключения.
– Закрыть газовый кран.
– Снять кожух.
– Снять крышку воздушной камеры.
– Демонтировать горелку.
– Заменить форсунки (6).
– Установить горелку.
– Установить переключатели DIP.
– Проверить герметичность всех демонтированных/монтированных деталей.
– Под заводской табличкой приклеить наклейку с видом газа.
– Ввести прибор в действие и выполнить настройку подачи газа.
___________________________________________________________________________
___________________________________________________________________________
___________________________________________________________________________
___________________________________________________________________________
___________________________________________________________________________
___________________________________________________________________________
wssm.ru
Характеристики котла газового Бош 4000 W ZSA 24
___________________________________________________________________________
Газовый котел Bosch ZSA 24-2 K является отопительным прибором со встроенным трехходовым клапаном для подключения бойлера косвенного нагрева. Эти приборы могут также применяться только как отопительные без приготовления горячей воды.
Устанавливать котел только в закрытых системах отопления и нагрева воды. Другое применение является использованием не по назначению. За возникший в результате этого ущерб изготовитель ответственности не несет.
Промышленное использование этих приборов для производства тепла в технологических целях не допускается.
Технические данные газовых котлов Bosch ZSA 24-2 K
Максимальная номинальная тепловая мощность, кВт – 23.1
Максимальная номинальная тепловая нагрузка, кВт – 25.7
Минимальная номинальная тепловая мощность, кВт – 7.8
Минимальная номинальная тепловая нагрузка, кВт – 8.9
Максимальная номинальная тепловая мощность при нагреве воды, кВт – 23.1
Максимальная номинальная тепловая нагрузка при нагреве воды, кВт – 25.7
Минимальная номинальная тепловая мощность для горячей воды, кВт – 7.8
Минимальная номинальная тепловая нагрузка для горячей воды, кВт – 8.9
Расширительный бак
Предварительное давление, бар – 0.5
Общая емкость, л – 8
Общие характеристики
Напряжение, В – 230
Частота, Гц – 50
Макс. потребляемая мощность, Вт – 130
Максимальный уровень шума, дБ (А) – 38,0
Класс защиты, IP – X4
Максимальная температура подающей магистрали, °C – 82
Максимально допустимое рабочее давление (PMS) – 3.0
Допустимая температура окружающей среды, °C – 0-50
Номинальная емкость отопительного контура, л – 2.0
Вес, кг – 32.0

Рис.2. Конструкция котла Бош ZSA 24-2 K
1 – Автоматический воздухоотводчик, 2 – Контроль тяги (защитный коллектор дымовых газов), 3 – Камера сгорания, 4 – Контролирующий электрод, 5 – Корпус горелки с коллектором форсунок, 6 – Контроль тяги (камера сгорания), 7 – Переключатель частоты вращения насоса, 8 – Газовая арматура, 9 – Обратная линия бойлера, 10 – Отопительный насос, 11 – Сливной кран, 12 – Предохранительный клапан (отопительный контур), 13 – Заводская табличка, 14 – Cotronic, 15 – Манометр, 16 – Наклейка с типом прибора, 17 – подающая линия бойлера водонагревателя, 18 – Байпас, 19 – 3-ходовой клапан, 20 – Подающая линия отопительного контура, 21 – Штуцер для измерения давления подаваемого газа, 22 – Регулировочный винт минимального расхода газа, 23 – Двигатель, 24 – Регулировочный винт максимального расхода газа, 25 – Измерительный штуцер (давление перед форсунками), 26 – Запальник, 27 – Датчик температуры подающей линии, 28 – Ограничитель температуры теплообменника, 29 – Расширительный бак, 30 – Защитный коллектор дымовых газов, 31 – Проушины для подвески

Рис.3. Электрическая схема газовых котлов Bosch Gaz 4000 W ZSA 24
1 – Электронная плата, 2 – Запальник, 3 – Контролирующий электрод, 4 – Электродвигатель 3-ходового клапана (ZSA), 5 – Датчик температуры подающей линии, 6 – Датчик температуры камеры горения (ZWA), 7 – Контроль тяги (защитный коллектор дымовых газов), 8 – Контроль тяги (камера сгорания), 9 – Датчик температуры бойлера (NTC) (ZSA), 10 – Расходомер (гидротурбинка) (ZWA), 11 – Ограничитель температуры теплообменника, 12 – Переключатели DIP, 13 – Предохранитель T 1,6 A, 14 – Предохранитель T 1,6 A, 15 – Соединение 230 В переменный ток, 16 – Подключение 230 В on/off регулятора температуры помещения 1), 17 – Трансформатор, 18 – Отопительный насос, 19 – Электромагнитный клапан 2, 20 – Электромагнитный клапан 1, 21 – Регулирующий электромагнит, 22 – Газовая арматура

Рис.5. Гидравлическая схема газового котла Бош ZSA 24-2 K
1 – Контроль тяги (камера сгорания), 2 – Защитный коллектор дымовых газов, 3 – Теплообменник, 4 – Автоматический воздухоотводчик, 5 – Клапан для заполнения азотом, 6 – Запальник, 7 – Сопла инжектора, 8 – Горелка, 9 – Датчик температуры горячей воды, 10 – Контролирующий электрод, 11 – Расширительный бак, 12 – Измерительный штуцер (давление перед форсунками), 13 – Отверстие выравнивания давления, 14 – Регулировочный винт минимального расхода газа, 15 – Регулировочный винт максимального расхода газа, 16 – Регулирующий клапан давления управления, 17 – Штуцер для измерения давления подаваемого газа, 18 – Регулятор давления, 19 – Регулирующий клапан давления управления, 20 – Газовая арматура, 21 – Тарелка главного клапана, 22 – Сетчатый фильтр, 23 – Отопительный насос, 24 – Байпас, 25 – Предохранительный клапан (отопительный контур), 26 – Слив, 27 – Обратная линия отопительного контура, 28 – Обратная линия бойлера, 29 – Вход газа, 30 – Манометр, 31 – Cotronic, 32 – Подающая линия бойлера, 33 – Подающая линия отопительного контура, 34 – Электродвигатель, 35 – 3-ходовой клапан, 36 – Датчик температуры подающей линии, 37 – Ограничитель температуры теплообменника, 38 – Камера сгорания
Работа котлов Бош ZSA 24-2 K без бойлера:
– Установить колпачки на штуцеры холодной и горячей воды.
– Откинуть вниз Cotronic и открыть его.
– Переключатель DIP 4 установить в положение «ON».
Переоборудование котла Bosch Gaz 4000 W ZSA 24 на другой вид газа
Природный газ H – Приборы, предназначенные для природного газа группы H, настроены изготовителем на индекс Воббе, равный 15 кВтч/м3, и давление подключения 13 мбар, после чего опломбированы.
Если прибор должен работать на газе, отличающемся от указанного на заводской табличке, то нужно установить комплект переналадки.

Рис.8. Компоненты перевода на другой тип газа
1 – Измерительный штуцер (давление перед форсунками), 2 – Регулировочный винт максимального расхода газа, 3 – Регулировочный винт минимального расхода газа, 4 – Крышка, 5 – Штуцер для измерения давления подаваемого газа
Настройка подачи газа (природный и сжиженный газ)
– Настройку всегда следует выполнять вначале при максимальной, а затем при минимальной тепловой мощности.
– Для обеспечения теплоотдачи открыть вентили радиаторов или точку отбора горячей воды.
Настройка давления перед форсунками
Давление газа перед форсункой при максимальной тепловой мощности
– Выключить прибор и закрыть газовый кран.
– Отвернуть уплотнительный винт измерительного штуцера давления перед форсунками (1) и подсоединить U-образный манометр.
– Снять крышку (4).
– Открыть газовый кран и включить прибор.
– Удерживать нажатой кнопку Сброс до тех пор, пока не загорятся один за другим светодиоды температурной индикации.
– Регулятор температуры подающей линии и регулятор температуры горячей воды перевести в положение максимума. Прибор работает с максимальной теплопроизводительностью.
– Установите давление перед форсунками регулировочным винтом максимального расхода газа (2). Поворот направо – больше газа, поворот налево – меньше газа.
Давление перед форсункой при минимальной тепловой мощности
– Регулятор температуры подающей линии и регулятор температуры горячей воды перевести в положение минимума.
– Прибор работает с минимальной теплопроизводительностью.
– Установите давление перед форсунками регулировочным винтом (3).
– Проверить и при необходимости скорректировать установленное минимальное и максимальное значение.
Проверка сетевого давления газа
– Выключить газовый отопительный котел Bosch Gaz 4000 W ZSA 24 и закрыть газовый кран, снять U-образный манометр и затянуть пробку.
– Отвернуть уплотнительный винт измерительного штуцера подводимого давления газа и подключить манометр.
– Открыть газовый кран и включить прибор.
– Удерживать нажатой кнопку Сброс до тех пор, пока не загорятся один за другим светодиоды температурной индикации.
– Регулятор температуры подающей линии и регулятор температуры горячей воды перевести в положение максимума.
– Прибор работает с максимальной теплопроизводительностью.
___________________________________________________________________________
___________________________________________________________________________
___________________________________________________________________________
___________________________________________________________________________
___________________________________________________________________________
___________________________________________________________________________
wssm.ru
Газовый котел Bosch Gaz 4000 ZSА 24-2 А
Описание
Котел газовый BOSCH GAZ 4000 ZSA 24-2 A — описание и применение.
Газовые котлы отопления с закрытой камерой сгорания BOSCH GAZ 4000 ZWA 24-2 A предназначены для отопления строящихся или реконструируемых помещений площадью до 240 м2 с отводом продуктов сгорания в специальный (коаксиальный) дымоход. Комфорт по ГВС достигается возможностью подключения котла к бойлеру косвенного нагрева. Важная отличительная особенность серии GAZ 4000 — тихая работа котла: немецким специалистам удалось снизить уровень шума менее 39 дБА, в то время, как средний уровень шума для подобного вида оборудования колеблется в пределах 50-55 дБА
Инструкция по эксплуатации BOSCH Gaz-4000W
Сертификат соответствия
Котлы газовые BOSCH GAZ 4000 ZSA 24-2 А — особенности и преимущества.
- Устойчивая работа при перепадах напряжения в диапазоне 165-255 V
- Газовый настенный котел для отопления и горячего водоснабжения (с возможностью подключения бойлера косвенного нагрева)
- Модель с закрытой камерой сгорания с принудительным удалением продуктов сгорания возможно устанавливать в помещении независимо от наличия дымохода
- Автоматическая регулировка мощности в режиме отопления и режиме приготовления горячей воды
- Светодиодная индикация рабочих параметров, со стандартными кодами ошибок облегчает настройку и сервисное обслуживание
- Возможность перехода на работу на сжиженном газе
- Управление работой с помощью комнатных регуляторов
- Атмосферная газовая горелка с предварительным смешиванием из нержавеющей стали
- Возможность перехода на работу на сжиженном газе
- Медный теплообменник, не содержащий сплавов олова/свинца со сроком службы 15 лет
- Светодиодная индикация рабочих параметров, со стандартными кодами ошибок
- Устройство контроля тяги с автоматическим отключением
- Ограничитель температуры, защищающий теплообменник от перегрева
- Защита от замерзания
- Ионизационный электрод контроля пламени
- Контроль плотности закрытия газового клапана
- Встроенный трехступенчатый циркуляционный насос
- Расширительный бак с воздухоотводчиком
- Уровень шума ≤38 дБА
Котел BOSCH GAZ 4000 ZSA 24-2 A — технические характеристики.
| Максимальная тепловая мощность | кВт | 24 | |
| Минимальная тепловая мощность | кВт | 9,3 | |
| Площадь отопления, рекомендуемая до | м2 | 240 | |
| КПД | % | >91 | |
| Присоединительные размеры: | |||
| Дымоход | Ø, мм | 130 | |
| ГВС (вода) | Ø | 1/2″ | |
| Отопление (подающая и обратная линия) | Ø | 3/4″ | |
| Газ | Ø | 3/4″ | |
| Производительность ГВС (ΔТ=30°С) | л/мин | 11,4 | |
| Объем расширительного бака | л | 8 | |
| Габаритные размеры (ШхВхГ) | мм | 400/750/355 | |
| Гарантия производителя | 2 года с даты пуска | ||
Принципиальная схема монтажа отопления с одноконтурным котлом BOSCH ZSA.
- схема в случае системы отопления Теплый пол + Радиаторы :

- схема в случае радиаторного отопления небольшого дома:

Купить газовый котел Bosch GAZ 4000 ZSA 24-2 A Вы сможете обратившись в компанию Азбука Тепла.
Являясь официальным торговым партнером Bosch в Республике Беларусь, ООО «Азбука Тепла» предлагает низкие цены и выгодные условия покупки отопительного оборудования оптом и в розницу.
В нашем магазине вы можете купить котел в рассрочку — без комиссий и переплат, а также приобрести товар, используя банковский кредит. Мы предлагаем своим клиентам приобрести газовый котел Bosch GAZ 4000 ZSA 24-2 A используя «Карту покупок» от БелГазПромБанка или «Карту Халва» от МТБанка.

К вашим услугам не только бесплатная доставка по Минску, но и бесплатная доставка в Брест, Витебск, Гомель, Гродно, Могилев и по всей Беларуси.
Получить профессиональную консультацию по выбору котла, уточнить стоимость товара и возможные варианты оплаты вы можете у наших менеджеров!
azbukatepla.by
Характеристики котла Бош 4000 W ZSA 24
__________________________________________________________________________
Характеристики котла Бош 4000 W ZSA 24
Газовый котел Bosch ZSA 24-2 K является отопительным прибором со встроенным трехходовым клапаном для подключения бойлера косвенного нагрева. Эти приборы могут также применяться только как отопительные без приготовления горячей воды.
Устанавливать котел только в закрытых системах отопления и нагрева воды. Другое применение является использованием не по назначению. За возникший в результате этого ущерб изготовитель ответственности не несет.
Промышленное использование этих приборов для производства тепла в технологических целях не допускается.
Технические данные газовых котлов Bosch ZSA 24-2 K
Максимальная номинальная тепловая мощность, кВт – 23.1
Максимальная номинальная тепловая нагрузка, кВт – 25.7
Минимальная номинальная тепловая мощность, кВт – 7.8
Минимальная номинальная тепловая нагрузка, кВт – 8.9
Максимальная номинальная тепловая мощность при нагреве воды, кВт – 23.1
Максимальная номинальная тепловая нагрузка при нагреве воды, кВт – 25.7
Минимальная номинальная тепловая мощность для горячей воды, кВт – 7.8
Минимальная номинальная тепловая нагрузка для горячей воды, кВт – 8.9
Расширительный бак
Предварительное давление, бар – 0.5
Общая емкость, л – 8
Общие характеристики
Напряжение, В – 230
Частота, Гц – 50
Макс. потребляемая мощность, Вт – 130
Максимальный уровень шума, дБ (А) – 38,0
Класс защиты, IP – X4
Максимальная температура подающей магистрали, °C – 82
Максимально допустимое рабочее давление (PMS) – 3.0
Допустимая температура окружающей среды, °C – 0-50
Номинальная емкость отопительного контура, л – 2.0
Вес, кг – 32.0

Рис.2. Конструкция котла Бош ZSA 24-2 K
1 – Автоматический воздухоотводчик, 2 – Контроль тяги (защитный коллектор дымовых газов), 3 – Камера сгорания, 4 – Контролирующий электрод, 5 – Корпус горелки с коллектором форсунок, 6 – Контроль тяги (камера сгорания), 7 – Переключатель частоты вращения насоса, 8 – Газовая арматура, 9 – Обратная линия бойлера, 10 – Отопительный насос, 11 – Сливной кран, 12 – Предохранительный клапан (отопительный контур), 13 – Заводская табличка, 14 – Cotronic, 15 – Манометр, 16 – Наклейка с типом прибора, 17 – подающая линия бойлера водонагревателя, 18 – Байпас, 19 – 3-ходовой клапан, 20 – Подающая линия отопительного контура, 21 – Штуцер для измерения давления подаваемого газа, 22 – Регулировочный винт минимального расхода газа, 23 – Двигатель, 24 – Регулировочный винт максимального расхода газа, 25 – Измерительный штуцер (давление перед форсунками), 26 – Запальник, 27 – Датчик температуры подающей линии, 28 – Ограничитель температуры теплообменника, 29 – Расширительный бак, 30 – Защитный коллектор дымовых газов, 31 – Проушины для подвески

Рис.3. Электрическая схема газовых котлов Bosch Gaz 4000 W ZSA 24
1 – Электронная плата, 2 – Запальник, 3 – Контролирующий электрод, 4 –
Электродвигатель 3-ходового клапана (ZSA), 5 – Датчик температуры
подающей линии, 6 – Датчик температуры камеры горения (ZWA), 7 –
Контроль тяги (защитный коллектор дымовых газов), 8 – Контроль тяги
(камера
сгорания), 9 – Датчик температуры бойлера (NTC) (ZSA), 10 – Расходомер
(гидротурбинка) (ZWA), 11 – Ограничитель температуры теплообменника, 12
–
Переключатели DIP, 13 – Предохранитель T 1,6 A, 14 – Предохранитель T
1,6 A, 15 – Соединение 230 В переменный ток, 16 – Подключение 230 В
on/off
регулятора температуры помещения 1), 17 – Трансформатор, 18 –
Отопительный насос, 19 – Электромагнитный клапан 2, 20 –
Электромагнитный клапан
1, 21 – Регулирующий электромагнит, 22 – Газовая арматура

Рис.5. Гидравлическая схема котла Бош ZSA 24-2 K
1 – Контроль тяги (камера сгорания), 2 – Защитный коллектор дымовых
газов, 3 – Теплообменник, 4 – Автоматический воздухоотводчик, 5 – Клапан
для
заполнения азотом, 6 – Запальник, 7 – Сопла инжектора, 8 – Горелка, 9 –
Датчик температуры горячей воды, 10 – Контролирующий электрод, 11 –
Расширительный бак, 12 – Измерительный штуцер (давление перед
форсунками), 13 – Отверстие выравнивания давления, 14 – Регулировочный
винт
минимального расхода газа, 15 – Регулировочный винт максимального
расхода газа, 16 – Регулирующий клапан давления управления, 17 – Штуцер
для
измерения давления подаваемого газа, 18 – Регулятор давления, 19 –
Регулирующий клапан давления управления, 20 – Газовая арматура, 21 –
Тарелка
главного клапана, 22 – Сетчатый фильтр, 23 – Отопительный насос, 24 –
Байпас, 25 – Предохранительный клапан (отопительный контур), 26 – Слив,
27 – Обратная линия отопительного контура, 28 – Обратная линия бойлера,
29 – Вход газа, 30 – Манометр, 31 – Cotronic, 32 – Подающая линия
бойлера,
33 – Подающая линия отопительного контура, 34 – Электродвигатель, 35 –
3-ходовой клапан, 36 – Датчик температуры подающей линии, 37 –
Ограничитель температуры теплообменника, 38 – Камера сгорания
Работа котлов Бош ZSA 24-2 K без бойлера:
– Установить колпачки на штуцеры холодной и горячей воды.
– Откинуть вниз Cotronic и открыть его.
– Переключатель DIP 4 установить в положение «ON».
Переоборудование котла Bosch Gaz 4000 W ZSA 24 на другой вид газа
Природный газ H – Приборы, предназначенные для природного газа группы H, настроены изготовителем на индекс Воббе, равный 15 кВтч/м3, и давление подключения 13 мбар, после чего опломбированы.
Если прибор должен работать на газе, отличающемся от указанного на заводской табличке, то нужно установить комплект переналадки.

Рис.8. Компоненты перевода на другой тип газа
1 – Измерительный штуцер (давление перед форсунками), 2 – Регулировочный винт максимального расхода газа, 3 – Регулировочный винт минимального расхода газа, 4 – Крышка, 5 – Штуцер для измерения давления подаваемого газа
Настройка подачи газа (природный и сжиженный газ)
– Настройку всегда следует выполнять вначале при максимальной, а затем при минимальной тепловой мощности.
– Для обеспечения теплоотдачи открыть вентили радиаторов или точку отбора горячей воды.
Настройка давления перед форсунками
Давление газа перед форсункой при максимальной тепловой мощности
– Выключить прибор и закрыть газовый кран.
– Отвернуть уплотнительный винт измерительного штуцера давления перед форсунками (1) и подсоединить U-образный манометр.
– Снять крышку (4).
– Открыть газовый кран и включить прибор.
– Удерживать нажатой кнопку Сброс до тех пор, пока не загорятся один за другим светодиоды температурной индикации.
– Регулятор температуры подающей линии и регулятор температуры горячей воды перевести в положение максимума. Прибор работает с максимальной теплопроизводительностью.
– Установите давление перед форсунками регулировочным винтом максимального расхода газа (2). Поворот направо – больше газа, поворот налево – меньше газа.
Давление перед форсункой при минимальной тепловой мощности
– Регулятор температуры подающей линии и регулятор температуры горячей воды перевести в положение минимума.
– Прибор работает с минимальной теплопроизводительностью.
– Установите давление перед форсунками регулировочным винтом (3).
– Проверить и при необходимости скорректировать установленное минимальное и максимальное значение.
Проверка сетевого давления газа
– Выключить газовый отопительный котел Bosch Gaz 4000 W ZSA 24 и закрыть газовый кран, снять U-образный манометр и затянуть пробку.
– Отвернуть уплотнительный винт измерительного штуцера подводимого давления газа и подключить манометр.
– Открыть газовый кран и включить прибор.
– Удерживать нажатой кнопку Сброс до тех пор, пока не загорятся один за другим светодиоды температурной индикации.
– Регулятор температуры подающей линии и регулятор температуры горячей воды перевести в положение максимума.
– Прибор работает с максимальной теплопроизводительностью.
__________________________________________________________________________
__________________________________________________________________________
__________________________________________________________________________ _________________________________________________________________________________________________________________________________________________________
_______________________________________________________________________________
__________________________________________________________________________
ЭКСПЛУАТАЦИЯ И РЕМОНТ КОТЛОВПротерм Пантера
Протерм Скат
Протерм Медведь
Протерм Гепард
Эван
Аристон Эгис
Теплодар Купер
Атем Житомир
Нева Люкс
Ардерия
Нова
Термона
Иммергаз
Электролюкс
Конорд
Лемакс
Галан
Мора
Атон
_______________________________________________________________________________
Модели котлов Советы по ремонту котлов Коды ошибок Сервисные инструкции_______________________________________________________________________________
Монтаж и эксплуатация газовых котлов Бош 6000
Управление и обслуживание котлами Vaillant Turbotec / Atmotec
Обзор газовых котлов Житомир-3 Атем
Монтаж системы отопления частного дома
Котлы Данко, Росс и Dani – Ответы специалистов на вопросы пользователей
Рекомендации по монтажу настенных газовых котлов Навьен
Обзор твердотопливного котла Купер ОК-15 Теплодар
Неисправности и ошибки котлов Ферроли
Сборочные элементы, монтаж и подключение электрокотла Скат Protherm
Обзор отопительных котлов Дон КСТ-16
Ремонт и сервис котлов Вайлант – ответы экспертов
Обзор газового котла КСГ Очаг
Обзор отопительного котла Купер ОК-20 Теплодар
Комплектация и компоненты электрического котла Протерм Скат
Подключение и ввод в работу котла Будерус Логомакс U072
Ответы специалистов по неисправностям котлов Китурами
Советы мастеров по обслуживанию котлов Навьен
Обслуживание компонентов газового котла Navien Deluxe
Подключение котла Аристон Egis Plus 24 ff к рабочим системам
stzm.ru
Bosch Gaz 4000 W ZWA 24-2 A цена, характеристики, видео обзор, отзывы
- Тип отопительного котла: газовый
- Число контуров: двухконтурный
- Минимальная мощность обогрева: 8.9 кВт
- Максимальная мощность обогрева: 24 кВт
- Отапливаемая площадь: 300 кв. м.
- Способ установки: настенный
- Тип горелки: газовая
- Камера сгорания: закрытая
- Энергонезависимый: Нет
- Автоподжиг: Есть
Здесь вы можете посмотреть видео обзор Bosch Gaz 4000 W ZWA 24-2 A. Узнать характеристики, прочитать отзывы о Bosch Gaz 4000 W ZWA 24-2 A.
Магазины, в которых можно купить этот товар и его аналоги
Видео обзоры
Характеристики
* Точные характеристики уточняйте у продавца.
Общие характеристики| Тип отопительного котла | газовый |
| Число контуров | двухконтурный |
| Минимальная мощность обогрева | 8.9 кВт |
| Максимальная мощность обогрева | 24 кВт |
| Отапливаемая площадь | 300 кв. м. |
| Способ установки | настенный |
| Тип горелки | газовая |
| Камера сгорания | закрытая |
| Энергонезависимый | Нет |
| Автоподжиг | Есть |
| Модуляция пламени | Есть |
| Бункер в комплекте | Нет |
| Встроенный бойлер | Нет |
| Подключение теплого пола | Есть |
| Нагнетательный вентилятор | Нет |
| Вытяжной вентилятор | Нет |
| Максимальная тепловая нагрузка | 26.3 кВт |
| Номинальное давление природного газа (мин.) | 7 мБар |
| Варочная панель | Нет |
| Максимальная температура в контуре ГВС | 65 °С |
| Производительность горячей воды при t 30°C | 11.4 л/мин |
| Допустимое давление сжиженного газа | 45 мБар |
| Циркуляционный насос | Есть |
| Напряжение сети | однофазное |
| Номинальное давление газа на входе | 30 мБар |
| Минимальная температура горячей воды | 45 °С |
| Битермический теплообменник | Нет |
| Минимальная температура в контуре ГВС | 40 °С |
| Расширительный бак | Есть |
| Минимальная тепловая нагрузка | 10.2 кВт |
| Емкость расширительного бака | 8 л |
| Тип газового котла | конвекционный |
| Максимальное давление в контуре отопления | 10 бар |
| Максимальная температура горячей воды | 82 °С |
| Максимальное давление в контуре ГВС | 10 бар |
| Патрубок подключения контура ГВС | 1/2” |
| Подключение раздельного дымохода 80 мм | Нет |
| Диаметр коаксиального дымохода | 60/100 мм |
| Патрубок подключения контура отопления | 3/4” |
| Патрубок подключения газа | 3/4” |
| Сжиженный газ | Есть |
| Расход природного газа | 2.72 куб. м/час |
| Природный газ | Есть |
| Основное топливо | природный газ |
| Расход сжиженного газа | 1.93 кг/ч |
| Программатор | Нет |
| Комнатный термостат | Нет |
| Индикация включения | Есть |
| Термометр | Нет |
| Разъем для подключения внешнего управления | Нет |
| Датчик уличной температуры | Нет |
| Манометр | Есть |
| Управление системой солнечных коллекторов | Нет |
| Индикация нагрева | Есть |
| Дисплей | Нет |
| Управление | электронное |
| Автодиагностика | Есть |
| Пульт ДУ | Нет |
| Воздухоотвод | Есть |
| Защита от заклинивания насоса | Есть |
| Защита от замерзания | Есть |
| Защита от перегрева | Есть |
| Предохранительный клапан | Есть |
| Газ-контроль | Есть |
| Вес | 37.9 кг |
| Глубина | 355 мм |
| Высота | 750 мм |
| Ширина | 400 мм |
* Точные характеристики уточняйте у продавца.
naobzorah.ru
Техническое обслуживание настенных котлов Bosch Gaz 4000 W 24
__________________________________________________________________________
Техническое обслуживание настенных котлов Bosch Gaz 4000 W 24

Рис.10. Открывание горелки котла Bosch Gaz 4000 W 24
1 – Верхние винты крышки камеры сгорания, 2 – Крышка камеры сгорания, 3 – Нижние винты крышки камеры сгорания, 4 – Группа горелок
Очистка поддона горелки, форсунок и горелки
– Ослабить два верхних винта (1) и два барашковых винта (2) по бокам.
– Выдвинуть крышку камеры горелки (3) вперед.
– Осторожно снять соединитель с запального электрода (1) (рис. 12).
– Осторожно вынуть штекерный соединитель на электроде контроля пламени (5).
– Отвинтить крепежный уголок (3).
– Ослабить накидную гайку под горелкой и осторожно снять узел горелки (4).
– Снять винты (11) (рис. 12).
– Снять перемычку перекрестного розжига (7).
– Вывинтить винты в точках крепления (9). Снять левую и правую части горелки (12 и 8) с коллектора форсунок (10).
– Очистить горелку щеткой, чтобы убедиться в отсутствии загрязнения на ламелях и форсунках. Ни в коем случае не очищать форсунки металлической щеткой.
– Проверить настройки подачи газа.

Рис.11. Узел горелки
1 – Узел запального электрода, 2 – Крепежный винт узла запального электрода, 3 – Крепежный уголок, 4 – Узел горелки, 5 – Электрод контроля пламени, 6 – Крепежный винт электрода контроля пламени, 7 – Перемычка перекрестного розжига
Рис.12. Горелка котла Бош Gaz 4000
7 – Перемычка перекрестного розжига, 8 – Горелка (правая часть), 9 – Точки крепления для коллектора форсунок, 10 – Коллектор форсунок, 11 – Винты для крепления перемычки перекрестного розжига, 12 – Горелка (левая часть)
Очистка нагревательного блока:
– Снять переднюю стенку камеры сгорания и горелку (рис. 10).
– Снять кабели, развинтить резьбовые соединения и выдвинуть нагревательный блок вперед.
– Погрузить нагревательный блок в воду, очистить его моющим средством, а затем снова установить.
– Осторожно выпрямить согнувшиеся ламели на нагревательном блоке.
Газовая арматура настенного котла Бош 4000:
– Демонтировать горелку/присоединительный патрубок.
– Разъединить электрические штекерные соединения.
– Открутить трубу подачи газа.
– Открутить два винта, газовую арматуру протолкнуть железным крепёжным листом наверх и снять с винтов.
Проверка контроля тяги
Контроль тяги на защитном коллекторе дымовых газов:
– Включить настенный котел Bosch Gaz 4000 W 24 и ввести его в действие.
– Настроить прибор на макс. номинальную тепловую мощность,
– Поднять трубу для отвода дымовых газов и закрыть пластиной патрубок подключения трубы для отвода дымовых газов.
– Спустя менее 2 минут прибор отключается. На индикации температуры мигает 60°.
– Снять пластину и вновь установить трубу для отвода дымовых газов.
– Приблизительно через 20 минут прибор автоматически возобновляет работу.
– Включить прибор и ввести его в действие.
– Настроить настенный газовый котел Бош 4000 на максимальную номинальную теплопроизводительность, и прогнать в течение 10 минут.
– Установить пластину между предохранителем потока.
– По истечение примерно 10-12 минут прибор отключится. На индикации температуры мигает 40° 50° 60° 70°.
– Удалить пластину. Прибор вновь включается.
– Если в течение 5 минут прибор выключить, то его повторное включение произойдет только через 20 минут.
Проверка предохранительного клапана системы отопления
Его назначение заключается в том, чтобы предохранять отопительную систему и всю установку от возможного избыточного давления. Заводская настройка обеспечивает срабатывание клапана, когда давление в замкнутом контуре достинет примерно 3 бар.
– Предохранительный клапан ни в коем случае не закрывать.
– Сток предохранительного клапана проложить по нисходящей.
– Предохранительный клапан повернуть влево до срабатывания.
– Из сливной трубы должна потечь вода.
Опорожнение газового настенного котла Bosch Gaz 4000 W 24:
– Для опорожнения системы отопления в самой низкой точке системы должен быть монтирован спускной кран.
– Для опорожнения отопительного прибора:
– Открыть сливной кран и слить воду отопительной системы через
подсоединенный шланг.
__________________________________________________________________________
__________________________________________________________________________
__________________________________________________________________________ _________________________________________________________________________________________________________________________________________________________
_______________________________________________________________________________
__________________________________________________________________________
ЭКСПЛУАТАЦИЯ И РЕМОНТ КОТЛОВПротерм Пантера
Протерм Скат
Протерм Медведь
Протерм Гепард
Эван
Аристон Эгис
Теплодар Купер
Атем Житомир
Нева Люкс
Ардерия
Нова
Термона
Иммергаз
Электролюкс
Конорд
Лемакс
Галан
Мора
Атон
_______________________________________________________________________________
Модели котлов Советы по ремонту котлов Коды ошибок Сервисные инструкции_______________________________________________________________________________
Монтаж и эксплуатация газовых котлов Бош 6000
Управление и обслуживание котлами Vaillant Turbotec / Atmotec
Обзор газовых котлов Житомир-3 Атем
Монтаж системы отопления частного дома
Котлы Данко, Росс и Dani – Ответы специалистов на вопросы пользователей
Рекомендации по монтажу настенных газовых котлов Навьен
Обзор твердотопливного котла Купер ОК-15 Теплодар
Неисправности и ошибки котлов Ферроли
Сборочные элементы, монтаж и подключение электрокотла Скат Protherm
Обзор отопительных котлов Дон КСТ-16
Ремонт и сервис котлов Вайлант – ответы экспертов
Обзор газового котла КСГ Очаг
Обзор отопительного котла Купер ОК-20 Теплодар
Комплектация и компоненты электрического котла Протерм Скат
Подключение и ввод в работу котла Будерус Логомакс U072
Ответы специалистов по неисправностям котлов Китурами
Советы мастеров по обслуживанию котлов Навьен
Обслуживание компонентов газового котла Navien Deluxe
Подключение котла Аристон Egis Plus 24 ff к рабочим системам
stzm.ru
