Гидравлический расчет однотрубной системы отопления В этом видео описывается понимание того, что однотрубная система может иметь различное количество радиаторов на одной магистральной трубе. Просто нужно подогнать диаметры под нужные параметры системы по тепловой мощности. То есть многие сантехники недооценили преимущество однотрубных систем в плане их подгонки на нужное количество радиаторов. Также на однотрубную систему отопления боятся ставить термостатические клапана. Однако гидравлический расчет доказывает, что можно ставить термостатические клапана. Поэтому сантехники вооружайтесь полезным инструментом по расчету систем. И Вы будите спать спокойно. И будите уверены в том, что диаметры подобраны правильно. Смотреть видео: Не можете посмотреть видео?Подробнее о программе Также посмотрите: Гидравлический расчет двухтрубной системы отопления
Серия видеоуроков по частному дому Часть 1. Где бурить скважину? Часть 2. Обустройство скважины на воду Часть 3. Прокладка трубопровода от скважины до дома Часть 4. Автоматическое водоснабжение Водоснабжение Водоснабжение частного дома. Принцип работы. Схема подключения Самовсасывающие поверхностные насосы. Принцип работы. Схема подключения Расчет самовсасывающего насоса Расчет диаметров от центрального водоснабжения Насосная станция водоснабжения Как выбрать насос для скважины? Настройка реле давления Реле давления электрическая схема Принцип работы гидроаккумулятора Уклон канализации на 1 метр СНИП Схемы отопления Гидравлический расчет двухтрубной системы отопления Гидравлический расчет двухтрубной попутной системы отопления Петля Тихельмана Гидравлический расчет однотрубной системы отопления Гидравлический расчет лучевой разводки системы отопления Схема с тепловым насосом и твердотопливным котлом – логика работы Трехходовой клапан от valtec + термоголовка с выносным датчиком Почему плохо греет радиатор отопления в многоквартирном доме Как подключить бойлер к котлу? Варианты и схемы подключения Рециркуляция ГВС. Принцип работы и расчет Вы не правильно делаете расчет гидрострелки и коллекторов Расчет теплого водяного пола и смесительных узлов Трехходовой клапан с сервоприводом для ГВС Расчеты ГВС, БКН. Находим объем, мощность змейки, время прогрева и т.п. Конструктор водоснабжения и отопления Уравнение Бернулли Расчет водоснабжения многоквартирных домов Автоматика Как работают сервоприводы и трехходовые клапаны Трехходовой клапан для перенаправления движения теплоносителя Отопление Расчет тепловой мощности радиаторов отопления Секция радиатора Зарастание и отложения в трубах ухудшают работу системы водоснабжения и отопления Новые насосы работают по-другому… Регуляторы тепла Комнатный термостат – принцип работы Смесительный узел Что такое смесительный узел? Виды смесительных узлов для отопления Характеристики и параметры систем Местные гидравлические сопротивления. Что такое КМС? Пропускная способность Kvs. Что это такое? Кипение воды под давлением – что будет? Что такое гистерезис в температурах и давлениях? Что такое инфильтрация? Что такое DN, Ду и PN ? Эти параметры нужно знать сантехникам и инженерам обязательно! Гидравлические смыслы, понятия и расчет цепей систем отопления Коэффициент затекания в однотрубной системе отопления Видео Отопление Автоматическое управление температурой Простая подпитка системы отопления Теплотехника. Ограждающие конструкции. Теплый водяной пол Насосно смесительный узел Combimix Водяной теплый пол VALTEC. Видеосеминар Труба для теплого пола – что выбрать? Теплый водяной пол – теория, достоинства и недостатки Укладка теплого водяного пола – теория и правила Теплые полы в деревянном доме. Сухой теплый пол. Пирог теплого водяного пола – теория и расчет Новость сантехникам и инженерам Сантехники Вы все еще занимаетесь халтурой? Первые итоги разработки новой программы с реалистичной трехмерной графикой Программа теплового расчета. Второй итог разработки Teplo-Raschet 3D Программа по тепловому расчету дома через ограждающие конструкции Итоги разработки новой программы по гидравлическому расчету Нормативные документы Нормативные требования при проектировании котельных Сокращенные обозначения Термины и определения Цоколь, подвал, этаж Котельные Документальное водоснабжение Источники водоснабжения Физические свойства природной воды Химический состав природной воды Бактериальное загрязнение воды Требования, предъявляемые к качеству воды Сборник вопросов Можно ли разместить газовую котельную в подвале жилого дома? Можно ли пристроить котельную к жилому дому? Можно ли разместить газовую котельную на крыше жилого дома? Как подразделяются котельные по месту их размещения? Личные опыты гидравлики и теплотехники Вступление и знакомство. Часть 1 Гидравлическое сопротивление термостатического клапана Гидравлическое сопротивление колбы – фильтра Скачать курс Инженерно-Технические расчеты бесплатно! Программы для расчетов Technotronic8 – Программа по гидравлическим и тепловым расчетам Auto-Snab 3D – Гидравлический расчет в трехмерном пространстве Полезные материалы Полезная литература Гидростатика и гидродинамика Задачи по гидравлическому расчету Потеря напора по прямому участку трубы Как потери напора влияют на расход? Разное Водоснабжение частного дома своими руками Автономное водоснабжение Схема автономного водоснабжения Схема автоматического водоснабжения Схема водоснабжения частного дома Политика конфиденциальности |
infosantehnik.ru
Гидравлический расчет горизонтальной двухтрубной системы отопления
Содержание статьи
Некоторые лица, занимаясь строительством собственного дома, обустраивают систему обогрева в них «на глаз», что категорически недопустимо.
Необходимо учитывать, что каждое строение имеет строго индивидуальные характеристики. Поэтому, для обеспечения комфортного пребывания человека, отопительная система должна обеспечивать поступление тепла в требуемых количествах.
Определить требуемые характеристики системы вашего дома можно, только проведя специальный гидравлический расчет горизонтальной двухтрубной системы отопления. При этом используются специальные программные продукты (при их наличии) и таблицы.
С чего начать расчет гидравлики для горизонтальной двухтрубной отопительной системы?

Начинать расчёты надо «от печки», в прямом смысле слова. Гидравлический расчет двухтрубной системы отопления, можно выполнять только после того, как определено, на каком топливе будет работать установленный у вас котёл.
После этого можно приступать к собственно расчетам, главной целью которых является:
- Определение требуемого количества отопительных приборов и мощности насоса.
- Уточнение количества и суммарной длины трубопроводов, их требуемых диаметров.
- Определение вероятных тепловых потерь.
Все расчёты выполняются по предварительно вычерченной в масштабе схеме отопления, на которую следует нанести все составляющие её элементы, до последнего крана. В дополнение к ней вам потребуются базовые формулы, специальные расчётные таблицы и соответствующая программа (всё это легко найти в интернете).
Порядок выполнения расчётов
Пример гидравлического расчета двухтрубной системы отопления можно найти на специализированных сайтах. В настоящей статье мы рассмотрим последовательность выполнения расчётов со следующим допущением. Пусть на нашем объекте имеется горизонтальная двухтрубная система обогрева. Указанный вариант наиболее часто встречается при обустройстве СО частных жилых домов общей площадью до 150 м2.
За расчётный объект, в указанном случае, следует принять кольцо трубопровода СО, работающее под максимальной нагрузкой.
Далее определяем требуемое сечение трубопровода и вероятные потери давления, которые могут иметь место во всём контуре СО. Затем определяемся с общей площадью поверхности отопительных приборов, которую можно считать оптимальной.
Гидравлический расчет двухтрубной системы отопления, включающий все вышеперечисленные расчёты, выполняется с использованием программы и таблицы, упомянутых выше. Полученные результаты помогут определить:
- все вероятные сопротивления, которые могут иметь место в будущем контуре отопления;
точные характеристики температур;- расход горячей воды в каждой части системы.
Фактически гидравлический расчет горизонтальной двухтрубной системы отопления позволяет вам оптимизировать схему вашей СО уже на стадии проектирования. Что убережёт от излишних расходом и неизбежных, в противном случае, переделок.
Выполнение гидравлического расчёта системы с учётом имеющихся трубопроводов.
Схема системы отопления с открытым расширительным баком и встроенным циркуляционным насосом

Гидравлический расчет горизонтальной двухтрубной системы отопления в данном случае потребует знания основных параметров гидросистемы, включая сопротивление, создаваемое арматурой (гидравлическое), и самими трубами, а так же скорость перемещения и расход горячей воды. Так же необходимо наличие специальной программы, упоминавшейся ранее, и соответствующая таблица.
Поясним, почему нельзя упускать данные показатели. Если скорость движения горячей воды по трубам возрастёт, то это автоматически приведёт к росту показателя гидравлического сопротивления в трубах. Повышение расхода горячей воды приведёт к одновременному росту двух упомянутых выше показателей.
Скорость перемещения теплоносителя показатель гидравлического сопротивления магистрали, при прочих равных условиях, обратно пропорциональны внутреннему диаметру трубопроводов и т.п.
Гидравлический расчет двухтрубной горизонтальной системы отопления позволяет, в процессе анализа выявленных взаимосвязей параметров, получить достоверную картину будущей эффективности и надёжности выбранной схемы отопления.
А это, в свою очередь, позволит вам снизить расходы на закупку требуемых материалов и комплектующих. При расчётах важно не забывать о том, что все гидравлические характеристики являются величинами переменными, поэтому работать с ними необходимо с использованием специальных номограмм.
Гидравлический расчёт варианта схемы двухтрубной системы
Гидравлический расчет двухтрубной системы отопления с нижней разводкой, как возможного варианта системы, включает просчёт вероятного расхода горячей воды. Последний находится в прямой зависимости от тепловой нагрузки, приходящейся на него в момент движения. Указанный критерий имеется как в программе, упомянутой выше, так и в таблице (далее – справочные материалы).
В процессе выполнения упомянутого расчёта определяется расходный уровень горячей воды относительно конкретного участка. А именно, того, на котором фиксируется const расход воды и постоянный внутренний диаметр трубы.

Поясним на примере. Имеем ветку с десятью радиаторами по 1кВт. Гидравлический расчет двухтрубной системы отопления с верхней разводкой в этом случае требует расчёта расхода воды с тем учётом, что будет осуществлён перенос 10 кВт тепла.
Конкретным участком при выполнении расчёта выступает отрез от радиатора, установленного первым по ходу
теплоносителя, до теплогенератора. Но только в том случае, что труба на всём участке имеет постоянный диаметр.
Следующий участок находится между 1-ым и 2-ым радиаторами. На этом участке перенос рассчитывается уже для 9 кВт и т.п.
Схема отопительной системы с ЕЦ
Здесь мы проводим гидравлический расчет двухтрубной гравитационной системы отопления. В указанном случае сопротивление считается как для прямой, так и для обратной ветки трубопровода.
Вычисляется расход горячей воды по специальной формуле, приведённой в справочных материалах.
Теплоснабжение имеющихся распределителей
Гидравлический расчет двухтрубной тупиковой системы отопления в указанном случае требует минимальную скорость горячей воды определять пороговым значением, которое для неё составляет (0,2-0,26) м/сек. При меньших скоростях из воды начинает выделяться воздух.
Высока вероятность появления пробок, что, в свою очередь, может привести к отказу СО. Верхним пределом скорости перемещения горячей воды является значение, лежащее в диапазоне (0,6-1,5) м/сек. При превышении указанного показателя в СО возникают гидравлические шумы. Оптимальные значения скорости лежат в диапазоне (0,4-0,7) м/сек
Схема системы от распределителей
Гидравлическим сопротивлением именуется величина потери давления в магистрали на определённом участке. Общее сопротивление вычисляется путем суммирования местных значений и потерь, обусловленных трением теплоносителя в трубопроводе.
Для расчёта указанного показателя также имеется специальная формула в справочных материалах.
Как проводится гидравлический расчет трубопроводов в системе отопления?
В случае, когда гидравлика считается при попутном движении теплоносителя, чтобы выполнить гидравлический расчет двухтрубной горизонтальной системы отопления выбирается кольцо с максимально загруженным стояком. С учётом того, что радиатор при этом находится внизу.
Для тупиковой версии перемещения горячей воды расчеты выполняются для кольца с нижним радиатором для max загруженного из дальних стояков.
Для горизонтальной схемы берётся кольцо с учетом самой загруженной его ветки, проходящей по первому этажу.
Загрузка…vse-otoplenie.ru
Гидравлический расчет однотрубной системы отопления
ГОУ ВПО “Северо-восточный федеральный университет имени М.К. Амосова”
Инженерно-технический факультет
Реферат
По дисциплине: “Теплогазоснабжение и вентиляция”
На тему: “Гидравлический расчет однотрубной системы отопления”
Выполнил: ст. гр. ГСХ-08
Ханин М.А.
Проверила: Попова М.В.
г. Якутск, 2011
Содержание
Введение
1. Устройство систем отопления
Инерционность систем отопления
Способы подключения отопительных приборов
Принципы проектирования системы отопления
Однотрубная система водяного отопления
Заключение
Введение
Задачей гидравлического расчета является определение диаметров подающих трубопроводов и потерь напора.
Исторически гидравлика является одной из самых древних наук в мире. Археологические исследования показывают, что еще за 5000 лет до нашей эры в Китае, а затем в других странах древнего мира найдены описания устройства различных гидравлических сооружений, представленные в виде рисунков (первых чертежей). Естественно, что никаких расчетов этих сооружений не производилось, и все они были построены на основании практических навыков и правил.
Гидравлика (техническая механика жидкости) – прикладная часть гидромеханики, которая использует те или иные допущения для решения практических задач. Она обладает сравнительно простыми методиками расчета по сравнению с теоретической механикой жидкости, где применяется сложный математический аппарат. Однако гидравлика дает достаточную для технических приложений характеристику рассматриваемых явлений.
1. Устройство систем отопления
Инерционность систем отопления
Инерционность системы отопления – это характеристика, определяющая насколько быстро система может нагреваться и охлаждаться. Инерционность системы зависит от количества теплоносителя, его качественных характеристик (вода или спец теплоноситель), входящего в систему, от типа и количества труб и от размеров отопительных приборов, а так же от количества углов поворота в системе, правильно выбранный котловой коллектор или распределительная гребенка Например инерционной системой является гравитационная система основанная на чугунном котле, имеющая большой диаметр стальных труб, чугунные батареи, вмещающие большое количество воды, и дополнительно аккумулирующий бак, содержащий свыше 1 м3 воды.
Примером динамичной системы является система на газовом котле с циркуляционным насосом, разводка из металлопластиковых труб, легкие алюминиевые радиаторы. Котел оборудован автоматикой, определяющей температуру по комнатам, и на улице и выдающей строго определенную температуру воды на выходе.
Динамичная система
Обычно люди, занимающиеся установкой систем отопления считают, что система должна быть максимально динамична. Конечно, динамичная система обладает многими достоинствами. Динамичная система позволяет с большой точностью регулировать температуру в помещениях; правильно и быстро реагировать на резкие изменения температуры (например, открыли форточку, солнце светит в окно). Однако, за эти достоинства приходится платить.
Одним из минусов (или точнее конструкционных особенностей) является то, что динамичная система должна быть основана на котле, поддающимся автоматизации, т.е. газом, дизельном или, на худой конец, на котле на пеллетах. Динамичная система должна обладать хорошей системой автоматизации, чтобы правильно реагировать на изменения среды, а это значит что она стоит денег.
Наконец, динамичная система жизненно необходима только тогда, когда существуют резкие возмущения температуры в помещении, т.е. если сам дом обладает низкой тепловой инерцией. Наиболее яркий пример – каркасный дом, стены в котором не сохраняют тепло в общем смысле, а только теплоизолируют внутренний воздух от внешнего, т.е. если открыть форточку и заменить воздух в комнате на наружный холодный воздух, стены не смогут его прогреть и, в этом случае, действительно, система отопления должна быстро среагировать и нагреть свежий воздух в помещении. В каменном доме достоинства динамичной системы теряются, поскольку на охлаждение стен комнаты понадобиться значительное время и резкие изменения температуры в комнате невозможны.
Часто нагреть или остановить нагрев (например, при солнечной погоде) в определенной комнате не регулируя температуру возда в других не представляется возможным. Обычно это промахи проектирования или выбора системы или даже выбора составляющих системы: диаметра и длины трубопровода, маленький аккумуляторный или расширительный бак, не правильно подобран коллектор отопительный котловой. Поэтому правильно всегда после изучения возможных систем отопления всегда обращаться к специалистам. Это исключит многие будущие хлопоты.
Инерционная система
В каменных домах инерционная система работает на равне с динамичной, однако существуют ситуации в которых требуется высокая инерционность системы. Эта ситуация возникает при наличии твердотопливного котла.
Твердотопливный котел в отличии от газового работает прерывисто, от топки до топки и, соответственно, температура теплоносителя то растет то убывает. Наиболее действенным способом справиться с этими скачками температуры является повышение инерционности системы в основном за счет увеличения количества теплоносителя, поэтому производители твердотопливных котлов рекомендуют устанавливать аккумулирующие баки, что позволяет не только снизить амплитуду колебания температуры воды, но и увеличить время между топками.
Способы подключения отопительных приборов
Однотрубная система (Ленинградка)
Однотрубная система отопления:
А) вертикальная
Б) горизонтальная
1) элемент отопления
) подающая труба
) обратная труба
В однотрубной системе отопительные приборы присоединяются друг к другу последовательно, т.е. теплоноситель последовательно проходит все приборы и только потом возвращается к котлу. Однотрубная система бывает вертикальной, как в большинстве многоэтажных зданий и горизонтальной, когда система охватывает отопительные приборы на одном этаже.
Однотрубная система популярна при устройстве отопления в многоквартирных многоэтажных зданиях, поскольку она требует меньшее количество труб по сравнению с двухтрубными системами. Другим достоинством системы является ее гидравлическая устойчивость, что означает, что при изменении расхода воды во всей системе, количество воды в каждой батарее изменится одинаково.
Большим недостатком системы является сложность ее расчета. Если допустить ошибку при расчете отопительных элементов, то исправить ее последствия будет сложно, поскольку изменение параметров одной батареи сильно влияет на работу всех остальных батарей. Второй недостаток – повышенное гидравлическое сопротивление.
Двухтрубная система
А) с верхней разводкой
Б) с нижней разводкой
В) с нижней разводкой отдельно по этажам
гидравлический расчет отопление однотрубная
1) элемент отопления
) подающая труба
) обратная труба
Двухтрубная система по сравнению с однотрубной сложнее и более металлоемка, поэтому ее не используют при устройстве многоэтажных зданий. Однако при отоплении индивидуальных домов эта система может быть предпочтительнее однотрубной.
Достоинствами двухтрубной системы являются меньшее гидравлическое сопротивление и возможность относительно независимой настройки отдельных помещений. Однако возможность регулирования приводит к тому, что перед пуском двухтрубная система должна быть отрегулирована. Двухтрубная система может быть как с верхней, так и с нижней разводкой.
Система с верхней разводкой – наиболее удобна при устройстве гравитационной циркуляции, поскольку она обладает более низким гидравлическим сопротивлением (по сравнению с однотрубной), а частичное охлаждение верхней подающей трубы создает дополнительное циркуляционное давление.
Система с нижней разводкой удобна в устройстве, поскольку подающие и обратные трубы лежат рядом. Существуют несколько модификаций двухтрубной системы с нижней разводкой:
лучевая (звезда), когда от коллектора (гребенки) к каждому отопительному прибору подается собственная подающая и обратная труба,
“шлейфом”, когда коллекторы подающей и обратной воды обходят последовательно все батареи.
Принципы проектирования системы отопления
Гидравлический расчет системы отопления на основе расчетного циркуляционного давления представляет собой отдельный этап проектирования. Этот расчет выполняется после определения тепловых нагрузок, выбора и конструирования системы, рассмотренных в предыдущих главах. Таким образом, проектирование системы можно разделить на четыре этапа, характерные не только для систем водяного, но и для систем парового и воздушного отопления.
Исходными данными для проектирования системы отопления служат: назначение, планировка и строительные конструкции здания; положение здания на местности; климатологические показатели для местности; источник теплоснабжения; температура и влажность воздуха в основных помещениях.
Расчет теплового режима. После проведения теплотехнического расчета наружных ограждений, расчета теплового режима в помещениях определяются теплопотери, подлежащие возмещению при помощи отопительных приборов. Расчеты выполняются с использованием сведений, изложенных в главах I и II.
Выбор системы. На этом этапе проектирования выбираются расчетная температура (параметры) воды, вид отопительных приборов и конструкция системы отопления с технико-экономическим обоснованием принятого решения в необходимых случаях. На основании сведений, приведенных в главах I, III, IV, можно установить следующие положения для выбора конструкции системы отопления.
В многоэтажных зданиях, имеющих более трех этажей, проектируются преимущественно вертикальные однотрубные системы отопления. В бесчердачных зданиях средней этажности используются однотрубные системы с нижней прокладкой обеих магистралей. В зданиях повышенной этажности применяются однотрубные системы с нижней разводкой подающей магистрали для создания “опрокинутой” циркуляции воды в стояках.
В зданиях массового строительства предпочтение отдается однотрубному стояку унифицированной конструкции, имеющему один диаметр и повторяющуюся длину его элементов.
В зданиях ограниченного объема, имеющих разноэтажные части, устраиваются двухтрубные системы с нижней прокладкой обеих магистралей. В одноэтажных зданиях, в двух-трехэтажных пристройках к главному зданию используются в основном горизонтальные однотрубные системы, могут применяться и двухтрубные системы с верхней разводкой подающей магистрали.
Чем выше здание, тем меньше должно быть гидравлическое сопротивление узла каждого отопительного прибора вертикального однотрубного стояка, и, наоборот, тем больше должно быть сопротивление каждого приборного узла двухтрубного стояка или горизонтальной однотрубной ветви.
Конструирование системы.
yamiki.ru
ГИДРАВЛИЧЕСКИЙ РАСЧЕТ СИСТЕМ ВОДЯНОГО ОТОПЛЕНИЯ
⇐ ПредыдущаяСтр 4 из 8Следующая ⇒
Определение расчетного располагаемого давления.
В задачу гидравлического расчета входит определение диаметров труб и потерь давления в системе. Внутренние диаметры труб зависят от скорости воды:
(3.1)
где G, кг/с – расход воды; r, кг/м3 – плотность воды; v, м/с – ее скорость.
Скорость воды в трубах не должна превышать допустимых значений. Для жилых и общественных зданий [6]:
Диаметр трубы, м………………10 15 20 и более
Предельная скорость, м/с… ..1,5 1,2 1
Потери давления в трубопроводах DP, Па, с учетом запаса давления определяются по формуле:
(3.2)
где DРр – расчетное располагаемое циркуляционное давление
(3.3)
где DРн – циркуляционное давление, создаваемое насосом;
DРе – естественное циркулярное давление;
Б – коэффициент, учитывающий долю естественного циркуляционного давления в расчетном располагаемом давлении. Для двухтрубных систем равен 0,4, для однотрубных систем равен 1,0.
Насосное циркуляционное давление DРн определяется в зависимости от способа присоединения системы отопления к тепловым сетям. Если система отопления присоединяется через элеватор, то DРн равно давлению, создаваемому элеватором.
(3.4)
где DРаб -перепад давлений в тепловой сети на входе в абонентский ввод;
hэ = 0,2-0,3 – КПД элеватора;
u – коэффициент смешения элеватора.
(3.5)
где t1– расчетная температура воды в прямом трубопроводе тепловой сети. Принимается по заданию;
tг = 95 0 С, t0 = 70 0C– расчетные температуры горячей и обратной воды в системе отопления.
Естественное циркулярное давление DРе зависит от принятой схемы системы отопления (однотрубная или двухтрубная)
Однотрубная система

ЦО – центр охлаждения, ЦН – центр нагрева.
Рис.3.1 Схемы стояков однотрубной системы с верхней разводкой:а) проточной; б) проточно-регулируемой; в) с замыкающими участками.
При определении DРе пользуются понятиями центра нагрева (ЦН) и центра охлаждения (ЦО). В качестве центра нагрева принимается ось элеватора, а в качестве центра охлаждения – середина отопительного прибора.
В проточной и проточно-регулируемой системах (рис. 3.1 а, б) условные ЦО размещаются на половине высоты прибора. Для этих случаев естественное циркулярное давление определяется по формуле:
(3.6)
где (3.7)
Qi – нагрузка i-го отопительного прибора
Hi – расстояние между ЦН и ЦО для данного прибора.
Для систем с замыкающими участками (рис.3.1 в) температура воды изменяется не только в приборах, но и в замыкающих участках. В каждом приборе возникают кроме того циркуляционные кольца и циркуляционные давления.
(3.8)
где rвх , rвых – плотность воды на входе и выходе.
В инженерной практике этой величиной можно пренебречь и расчет выполнять как для схем (а) и (б).
Двухтрубная система.
Естественное циркуляционное давление для приборов 1-ого этажа определяется по формуле:
(3.9)
где h1 – расстояние по вертикали от уровня расположения элеватора до центра отопительного прибора 1 этажа, м.
Для приборов 2 этажа:
(3.10)
и т.д.

Рис. 3.2 Схема стояка двухтрубной системы с верхней разводкой.
3.2. Методы гидравлического расчета.
Определение потерь давления в системе отопления
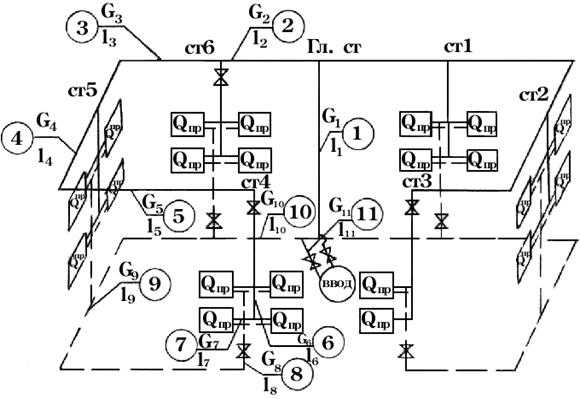
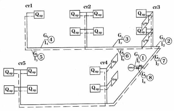
При проведении гидравлического расчета составляется расчетная схема трубопроводов в аксонометрии с соблюдением ЕСКД и ГОСТ 21602-79. На схеме, кроме трубопроводов, наносятся отопительные приборы, запорно-регулирующая арматура и, если требуется, оборудование теплового пункта. В схеме записывается тепловая нагрузка приборов и тепловая нагрузка участков системы, длины и диаметры участков. При изображении стояков подающий стояк размещается справа, а обратный слева, если смотреть со стороны помещения.
Гидравлический расчет проводится, в основном, двумя методами: по удельным потерям давления и по характеристикам сопротивлений. Обычно по первому методу рассчитываются двухтрубные и однотрубные системы, а по второму – однотрубные.
При расчете системы отопления, независимо от метода, сначала определяется основное циркуляционное кольцо, которое включает прямой и обратный магистральные трубопроводы с ответвлением к наиболее удаленному прибору.
В тупиковых схемах двухтрубных систем основным является кольцо, проходящее через нижний прибор дальнего стояка. Для однотрубных – кольцо, проходящее через дальний стояк.

Рис.3. 3. Пример аксонометрической схемы двухтрубной системы отопления с верхней разводкой.

Рис.3. 4. Пример аксонометрической схемы двухтрубной системы отопления с нижней разводкой.
После расчета участков основного циркуляционного кольца производится расчет других циркуляционных колец.
Рекомендуемые страницы:
lektsia.com