Контроллеры Kromschröder
Флэш-презентация “Быстрый старт в освоении, монтаже и настройке KromSchroder E8”(~2,8мб):
E8_Quick_Start.exe
В формате PDF(~1,5мб):
E8_Quick_Start.pdf
Флэш-презентация “Сравнение семейств контроллеров Vitotronic, Logamatic и Kromschröder E8”(~2,8мб):
HeatingControllersComp.exe
Тот факт, что блоки автоматики «общаются» между собой по шине данных, дает возможность располагать контроллеры рядом с управляемыми элементами и датчиками теплоносителя, сокращая общую длину разводок.
Это позволяет также (с помощью внешнего компьютера или дополнительного контроллера) дистанционно видеть состояние процесса управления котельной и при необходимости изменять параметры и настройки управления.
Новые контроллеры E8 (Кромшрёдер) и Smile (Хоневелл) для управления тепловыми процессами позволяют не только существенно экономить ресурсы, но и дают возможность дистанционного контроля и управления по сетям Internet и GSM.

KromSchröder E8 — немецкий недорогой и надежный контроллер отопления (конфигурируемый). Управляет погодозависимо контурами отопления (смесителями, насосами) и котлами (включением горелок, в т.ч. модулированных). Несколько контроллеров Кромшрёдер могут объединяться по шине CAN-bus для совместной работы.
Все слагаемые успеха у этих контроллеров есть:
- Точка максимальной потребности по функционалу (то что нужно, ничего лишнего).
- Простая конструкция, дешевое производство, минимальный размер.
- «Защита от дурака» — профилированные разъемы коннекторов.
- Самонастройка по подключенным датчикам — не надо ничего знать и настраивать, включил и забыл.
Немцы попали своим контроллером отопления в «точку абсолютного максимума» потребностей людей.
Их самый популярный контроллер E8.0634 может управлять 1-2 котлами (1-2 ступени), 2 смесительными контурами отопления (в погодозависимом режиме), ГВС (контуром горячего водоснабжения) и продается по всему миру большими тиражами (розничная цена со всеми кодированными клеммами и датчиками — 444 евро).

При этом, они не забыли и тех, кто не вписывается в «стандарт отопления». Для более простых систем есть «усеченные» версии контроллера (E8.1124, E8.0234, E8.0324), а для более сложных — несколько контроллеров объединяются в сеть и управляют каскадом до 16 котлов и до 16-ти контуров отопления.
Для комнатного регулирования есть недорогие (50 евро) комнатные модули FBR — переключение режимов отопления, подстройка температуры отопления.
Подробнее смотрите на нашем сайте об отопительной автоматике ГидроТЕРМ:
www.teplostart.ru
Поставки kromschroder, Pietro fiorentini, Dungs, Siemens, газовые горелки, промышленные горелки
Витерм – Поставки kromschroder, Pietro fiorentini, Dungs, Siemens, газовые горелки, промышленные горелки
Компания «ВИТЕРМ» выполняет оптовые и розничные поставки оборудования из Европы для промышленных печей, котлов, систем тепло- и газоснабжения. Предлагает с учетом последних технических решений современное оборудование.
Импорт (ввоз) товаров в Россию происходит от известных и зарекомендовавших себя на рынке производителей, таких как:
Данное оборудование успешно эксплуатируется во многих отраслях, например:
- Металлургии
- Керамической промышленности и кирпичных заводах
- Стекольном производстве
- Асфальтовых заводах
- Пищевой промышленности
- Целлюлозной промышленности
- Жилищно-Коммунальных и других хозяйствах
Обращаясь в компанию «Витерм» Вы приобретаете надёжного и ответственного партнёра.
Профессионализм и индивидуальный подход сотрудников компании «Витерм» является гарантом оптимального и эффективного решения задач любой сложности, с учётом самых последних инновационных тенденций.
Компания «Витерм» приглашает к сотрудничеству проектные институты и бюро.
Наша миссия – обеспечить промышленность (в лице промышленных компаний) высокоэкологичным оборудованием, соответствующим мировым стандартам безопасности, надёжности и экономичности.
Наша цель – неограниченное СНАБЖЕНИЕ комплексными системными решениями на оборудовании высокого качества максимального количества промышленных компаний. Оптимальные сроки поставки оборудования. Подбор и обеспечение технических комплектаций любой сложности.
Давайте сделаем это вместе!
v-term.ru
Автоматы контроля герметичности Kromschroeder ТС 1-3 и ТС 4
- Проверка клапанов безопасности
- Короткий период проверки благодаря логически построенной програмной последовательности
- Настройка времени проверки применительно к требованиям системы
- Настройка режима проверки для быстрого запуска системы
- Максимальная безопасность благодаря самотестируемой электронике
- Занимают мало места благодаря небольшим размерам
- Сертифицированы и испытаны в ЕС
- Разрешены к применению в Канаде, США и России


Применение
Автомат контроля герметичности осуществляет проверку функции безопасности двух или более электромагнитных клапанов перед каждым запуском или после каждого выключения системы. Предназначен для определения недопустимых утечек на одном из электромагнитных клапанов и предотвращения в этом случае запуска горелки Kromschroeder. Другие газовые клапаны, сохраняя герметичность, принимают на себя функцию защитного отключения подачи газа.
Автоматы контроля герметичности используются в составе промышленного газового оборудования для термических процессов, на котлах и газовых горелках Kromschroeder.
Европейские нормы EN 746-2, EN 676 и Правила безопасности ПБ 12-529-03 предписывают контроль герметичности при мощностях горелок Kromschroeder свыше 1,2 МВт.
Если применяется Автомат контроля герметичности, время продувки камеры сгорания не может быть меньше продолжительности проверки на герметичность. В этом случае газовая система должна вентилироваться в открытый воздух (на свечу).
TC 1
Автомат контроля герметичности ТС 1 может быть непосредственно смонтирован на любой компакт
Кроме того, TC 1 может быть использован для регуляторов серии valVario VAS, VAD, VAG и VAV (см. комплект адаптера).
TC 2 и TC 4
Автоматы контроля герметичности TC 2 и TC 4 могут быть использованы с газовыми электромагнитными клапанами любых номинальных размеров, которые открываются быстро или медленно (со стартовой ступенью). Проведение проверки герметичности для клапанов с пневматическим управлением или с медленным открытием при отсутствии стартовой ступени возможно с использованием дополнительных (вспомогательных) клапанов. Медленно открывающиеся моторные клапаны VK до DN 65, соединенные непосредственно, также могут быть проверены с помощью TC 2 и TC 4 в температурном интервале от 0 до 60°C.
TC 4
Автомат контроля герметичности TC 4 включает в себя только электронные компоненты и может быть установлен отдельно от системы в шкафу управления. Механический контроль давления между клапанами осуществляет внешний датчик давления. Автомат контроля герметичности TC 4 не зависит от типа газа и входного давления и может проводить проверку больших объемов газа с выдержкой до 10 минут.
TC 3
Автомат контроля герметичности TC 3 универсальный прибор для быстро и медлено открывающихся газовых электромагнитных клапанов любых номинальных размеров, а также для моторных клапанов. Контроль герметичности проводится при помощи клапанов, установленных в TC 3.

TC 1 смонтирован с компактным блоком CG

ТС 2 во входной секции между быстро и медленно открывающимися клапанами VG

ТС 3 на промышленном котле

ТС 3 для контроля герметичности моторных клапанов VK

ТС4 установлен отдельно от системы в шкафу управления

ТС 4 установлен отдельно от системы в шкафу управления с закреплением цоколя болтами или с помощью DIN-рейки
kromshroder.ru
Запальные и ионизационные электроды Kromschroeder
для розжига и контроля газовых горелок Kromschroeder.
| L 1* | 300 | 400 | 500 | 600 | 700 | 800 | 900 | 1000 |
|---|---|---|---|---|---|---|---|---|
| с изоляцией | 74434610 | 74434612 | 74434613 | 74434614 | 74434615 | 74434616 | 74434617 | 74434618 |
| без изоляции | 34434610 | 34434612 | 34434613 | 34434614 | – | – | – | – |
| * Электроды большей длины по запросу | ||||||||
Запальный и ионизационный электрод FE
из канала A1, № по каталогу: 34433320
Запальный и ионизационный электрод FZE

из канала A1 с изоляцией:
№ по каталогу: см. таблицу,
L2 = 185 Изолятор A, 011, L = 100
№ по каталогу: 35440436 без изоляции:
№ по каталогу: см. таблицу
Цанги для стержня электрода 3,5 мм, для фиксации изоляторов № по каталогу: 74335278
Электрододержатель FE

№ по каталогу: 75442337
Электрододержатель FZE

№ по каталогу: 74453650
Штекеры электродов
Угловой (Fig. 5)

для электродов с присоединением 0 4 № по каталогу: 04115301
Угловой (Fig. 6),

помехозащитный по VDE, для электродов с присоединением 0 4 № по каталогу: 04115308
Прямой (Fig. 7)
для электродов с присоединением 0 4 № по каталогу: 04115302
Прямой (Fig. 8),

помехозащитный по VDE, для электродов с присоединением 0 4 № по каталогу: 04115307
Прямой (Fig. 9),

помехозащитный по VDE, для электродов с присоединением 0 6 № по каталогу: 04115306
Угловой (Fig. 10)

для электродов с присоединением 0 4 из мягкого силиконового каучука № по каталогу: 04115309
Угловой (Fig. 11)

для электродов с присоединением 0 4, степень защиты: IP 54 № по каталогу: 04115312
kromshroder.ru
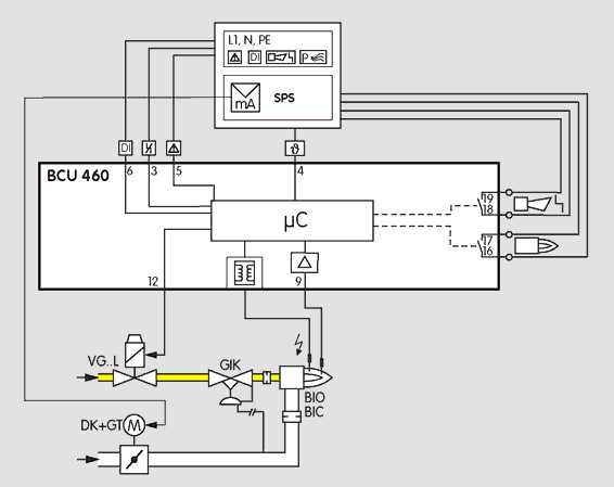
Примеры применения Kromschroeder BCU 460, BCU 465
BCU 460: Горелка Kromschroeder с плавным регулированием
Управление: Непрерывное. Внешняя система управления перемещает воздушную дроссельную заслонку в позицию «розжиг». Горелка Kromschroeder разжигается при минимальной нагрузке, и регулятор начинает управление горелкой через воздушную дроссельную заслонку после сообщения о достижении рабочего состояния.

BCU 460..L: Двухступенчатое регулирование горелки Kromschroeder
Управление: ВКЛ/ВЫКЛ или ВКЛ/ МАКС/МИНИМ/ВЫКЛ, импульсный режим.
BCU обеспечивает процессы продувки и охлаждения. Горелка Kromschroeder разжигается при минимальной нагрузке. Когда рабочее состояние достигнуто, BCU сообщает об этом на центральный систему управления. PLC (SPS) может теперь послать импульс на воздушный клапан для регулирования мощности горелки Kromschroeder.

BCU 460..L: одноступенчатое регулирование рекуперативной горелки Kromschroeder
Управление: ВКЛ/ВЫКЛ
BCU обеспечивает процессы продувки и охлаждения.

BCU 460.. B1 для PROFIBUS-DP
Система шины передает сигналы пуска, деблокировки и управления воздушным клапаном от системы управления (PLC/SPS) к BCU..B1. В обратном направлении она передает информацию о рабочем режиме, уровень сигнала пламени и текущее состояние программы. Сигналы управления, которые соответствуют нормам безопасности, такие как блокировка безопасности и цифровой вход, передаются независимо от подключения шины по отдельным кабелям.

BCU 460..D: Высокотемпературное оборудование
Косвенный контроль пламени в зависимости от температуры. В процессе запуска, пока температура стенок печи ниже температуры самовоспламенения, пламя должно контролироваться стандартными методами. Как только рабочая температура превысит 750 °C, температурный монитор безопасности (STW) начинает косвенный контроль пламени.

BCU 465..L: Одноступенчатое регулирование горелки Kromschroeder с пневматическими связями
Управление: ВКЛ/ВЫКЛ
BCU контролирует процессы продувки и охлаждения. Переменный контроль соотношения газ/ воздух обеспечивает компенсацию от колебаний давления газа/воздуха. Опцион: давление воздуха во время продувки и работы контролируется датчиком давления. Газовоздушная смесь отрегулирована в соответствии с применением с использованием различных параметров воздухоснабжения и вентилирования.

BCU 465..L: Одноступенчатое регулирование горелкой
Управление: ВКЛ/ВЫКЛ
(азо/воздушная смесь отрегулирована в соответствии с требованиями применения различных параметров воздухоснабжения и вентилирования. Давление воздуха контролируется датчиком давления на линии подачи газа или на линии отвода уходящих газов.


Смотрите также:
kromshroder.ru
Автоматы управления горелкой Kromschroeder BCU 480
- Для импульсного и непрерывного режима работы пилотных и основных горелок Kromschroeder неограниченной мощности в соответствии с EN 746-2
- Автомат управления горелкой, запальный трансформатор, индикация и управление работой в изолированном металлическом корпусе для дистанционного управления
- Контроль пламени с помощью УФ-датчика, ионизации или других опций, использующих температуру в камере сгорания
- Индикация состояния программы, параметров установки и сигнала контроля пламени, ручной режим для настройки горелки Kromschroeder и диагностики
- Визуальный контроль и адаптация для специального применения с помощью компьютерного программирования и программного обеспечения BCSoft для простоты управления
- Вместительная коробка подключений со встроенными гермовводами для быстрой установки и обслуживания
- Управление воздушным клапаном, облегчающее управление печи
- Встроенный интерфейс шины обменных данных PROFIBUS-DP
- Cертифицировано в США, Канаде, Европе и России

BCU объединяет в компактном металлическом корпусе функционально взаимосвязанные компоненты: автомат управления горелкой, запальный трансформатор, ручной/ автоматический режим и индикацию рабочих и аварийных сигналов
Назначение
Автоматы управления горелкой BCU 480 предназначены для управления, розжига и контроля за работой промышленных горелок Kromschroeder с импульсным или непрерывным режимом работы.Современный электронный дизайн обеспечивает быструю реакцию автоматов на изменение требований в процессе эксплуатации, что соответствует импульсному режиму работы.
Автоматы могут применяться для розжига промышленных горелок Kromschroeder неограниченной мощности с помощью пилотной горелки Kromschroeder. Пилотная и основная горелки Kromschroeder управляются и контролируются независимо друг от друга. Пилотная горелка Kromschroeder может работать непрерывно или отключаться. BCU устанавливается вблизи от контролируемой горелки Kromschroeder.
BCU 480 облегчает процесс автоматического управления печи, обеспечивая функции контроля касающихся только горелки Kromschroeder, например, гарантирует наличие пламени у горелки Kromschroeder при условиях безопасности после ее перезапуска.
Опциональный воздушный регулирующий клапан помогает осуществить управление печи в плане регулирования мощности, охлаждения печи и ее продувки. Состояние программы, параметры установки и сила тока датчика контроля пламени могут непосредственно считываться с дисплея. Горелка Kromschroeder может управляться вручную с целью диагностики и наладки при пуске. Если местные требования по управлению горелкой меняются, программное обеспечение BCSoft может быть перенастроено на новые параметры с помощью оптического интерфейса.
Удобной помощью для обслуживающего персонала является система наблюдения входных и выходных сигналов и истории ошибок.
В целях сокращения затрат на монтажные работы предлагается дополнительный интерфейс PROFIBUS-DP для передачи сигналов управления и сигналов обратной связи, обеспечивающий расширение удаленного управления и диагностики.
Кузнечная печь с выкатным подом в металлургической промышленности

Печь периодического действия с выкатным подом в керамической промышленности

Печь с шагающим подом со сводовым нагревом

kromshroder.ru
PROFIBUS-DP
Органы управленияД: Двузначный 7-ми сегментный дисплей. B: Кнопка «ВКЛ/ВЫКЛ» Выключает прибор и снимает напряжение со всех выходов. C: Кнопка «Деблокировка/Информация» для снятия состояния неисправности, для запроса параметров на дисплее, управление в ручном режиме. D: Оптический интерфейс. E: Маркировка BCU о самых важных сообщениях на русском языке. Прикладывается дополнительная наклейка на языках Е, D, F, I, NL и E. ![]() ![]() Смотрите также: |
kromshroder.ru


