Циркуляционные насосы Wilo Star (Вило Стар): характеристики, модели
СодержаниеНасосы немецкого производителя Wilo используются в системах отопления и водоснабжения. Компания выпускает множество моделей циркуляционных, погружных, глубинных насосов, насосных станций и прочего оборудования.
Оригинальные конструктивные решения и прекрасные технические характеристики изделий от этой фирмы принесли признание и популярность у потребителей во всем мире.
Отличительные особенности
При подключении насосов Wilo к отопительным системам, их конструкция позволяет значительно увеличить эффективность отопления за счет высокого КПД теплоотдачи.
Изучив заводское описание можно выяснить, что:
- при монтаже водопровода возможно использование труб меньшего диаметра, что позволяет значительно сэкономить на материалах и энергоносителях для нагрева;
- в нормальном рабочем режиме, насос расходует не более 250 Вт электроэнергии в сутки, поэтому очень выгоден для установки в домашних системах водоснабжения и отопления;
- конструкция устройства надежна и долговечна даже при работе в тяжелых условиях и позволяет работать с высоким напором и любой температурой рабочей жидкости;
- оригинальный механизм подключения к трубопроводу при помощи пружинистых клемм позволяет провести монтаж самостоятельно, без привлечения специалистов;
- насосы имеют мокрый ротор, поэтому при работе практически не издают шума.

Циркуляционный насос Wilo на торговых площадях
Для использования в системах отопления существует несколько моделей, которые подбираются в зависимости от общей обогреваемой площади. Она может составлять от 200 до 1000 квадратных метров для одного устройства.
Основные показатели – мощность, высота напора, перекачиваемый объем жидкости за единицу времени, рекомендуемая площадь обогреваемого помещения – указываются производителем.
к меню ↑
Достоинства в применении
Все материалы, которые используются при изготовлении насосов Wilo, надежны и прочны и не поддаются воздействию коррозии. Детали и узлы изготавливаются из чугуна, нержавеющей стали, металлографита, высокопрочных полимеров.
К достоинствам таких устройств можно отнести следующее:
- отсутствуют тепловые потери, возникающие при испарении жидкости;
- работа происходит полностью в автоматическом режиме, параметры которого отображаются на ЖК экранах;
- имеется возможность ручной корректировки скорости вращения;
- стабильная работа устройства и предотвращение выхода из строя обеспечивается многоступенчатой системой защиты от перепадов напряжения в стационарной сети;
- все модели, даже самые мощные, имеют небольшие габаритные размеры, поэтому не требуют специально отведенного места для установки;
- отсутствие шума при работе делает возможным установку насоса непосредственно в жилом помещении.

Циркуляционный насос Wilo в системе отопления
к меню ↑
Модельный ряд
Количество различных насосов от Wilo внушительно. Все они являются качественным продуктом и какой из них наиболее подходит, следует решать по общим характеристикам отопительных или водопроводных систем.
к меню ↑
Wilo TOP S
Насосы этой серии имеют мокрый ротор и подключаются к системам резьбовыми соединениями или через фланцы. Имеют несколько ступеней скорости вращения ротора. Могут применяться в водяных отопительных системах, системах кондиционирования воздуха, промышленных устройствах требующих циркуляции охладительной жидкости, закрытых системах водяного охлаждения.
Основные рабочие параметры определяются с помощью маркировки (названия). В виде пример:
- Wilo TOP S 40 10 – имеет патрубки для включения в систему внутренним диаметром 40 мм, а высота напора составляет 10 метров;
- Wilo TOP S 40 7 – патрубки диаметром 40 мм, высота напора 7 метров. Это основные параметры. Но к ним еще прилагается дополнительная информация, которую следует учитывать при планировании включения такого насоса в систему отопления. Рассчитан насос на работу с жидкостями при температуре окружающей среды от -20 до 1300 С. Пропускная способность – 17 куб. метров жидкости в течение часа. Мощность электродвигателя – 400 Вт.
к меню ↑
Wilo Star RS 15 4
Циркуляционный насос Wilo Star RS 15 4 оснащен мокрым ротором и подключается к системе при помощи резьбового соединения.
Область применения – отопительные и циркуляционные системы на промышленных установках, подача холодной воды, кондиционирование
Обозначение rs говорит о том, что это стандартная модель с резьбовым подключением, цифра 15 указывает на размер в мм внутреннего диаметра патрубков с резьбой, цифра 4 говорит об высоте подачи в четыре метра.
к меню ↑
Wilo Star RS 25 6
У насоса Wilo Star RS 25 6 характеристики следующие:
- устойчивая работа при температурном диапазоне от -10 до 1100 С;
- пропускная способность составляет 3,9 куб. метров жидкости за час;
- максимально возможный напор – 6 м;
- потребляемая мощность – не более 85 Вт.

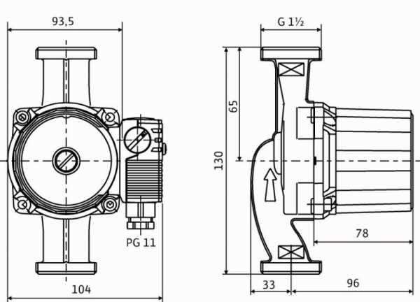
Схема и габаритные размеры Wilo star rs 25 6
к меню ↑
Wilo Star RS 25 8
Циркуляционный насос Wilo Star RS 25 8 в два раза мощнее предыдущей модели, и пропускная способность у него значительно больше, так же как и высота напора. Технические характеристики следующие:
- работает при темперах от -10 до 1100 С;
- пропускает через себя 5,8 куб. метров жидкости за час;
- максимальный напор рабочего субстрата – 8 м;
- мощность оборудования – 176 Вт.
к меню ↑
Wilo Star RS 30 6
Установить насос Wilo Star RS 30 6, как и все модели серии RS, можно как горизонтально, так и вертикально. Имеет средние показатели по основным параметрам:
- температурный рабочий диапазон от -10 до 1100 С;
- максимальная пропускная способность составляет 3,9 куб. метров/час;
- максимальный напор рабочего субстрата – 6 м;
- мощность оборудования – 99 Вт.
к меню ↑
Wilo Star RS 30 7
Обеспечивающие циркуляцию жидкости насосы Wilo Star RS 30 7 имеют электродвигатель мощностью 85 Вт, и способны прогонять 5 куб. метров жидкости за час. Максимально возможный напор составляет 7 метров. Температурный рабочий диапазон, расположение при установке и размер диаметра – такие же, как и у предыдущих моделей.
к меню ↑
Wilo Star RS 30 8
Циркуляционный насос Wilo Star RS 30 8 отличается от своих собратьев серии rs только пропускной способностью, которая равна 6 куб.м/час, потребляемой мощностью в 139 Вт и высотой напора в 8 метров.
Подводя итоги, выделим общие особенности моедльного ряда Wilo star серии rs:
- Все насосы этой серии монтируются как в вертикальном так и в горизонтальном расположении рабочего вала.
- Три ступени задающие скорость вращения позволяют нормально пройти адаптацию к нагрузке.
- Несложный и прочный монтаж при помощи специальных отливов на корпусе.
- Быстрое подключение к системе за счет наличия пружинных клемм.
к меню ↑
Wilo Star Z 20 4
Wilo star z 20 4Циркуляционный насос Wilo star z 20 4 предназначен для перекачки питьевой воды, но используется и в системах горячего водоснабжения или отопления.
Корпус насоса выполнен из бронзы, в соответствии с Постановлением Trinkw V (о питьевой воде). Рабочее колесо из PPO (синтетического материала), а вал из оксидной керамики. Все эти материалы нейтральны и не влияют на качество поставляемой воды.
Насос позволяет поставлять питьевую воду, которую используют в производстве продуктов питания, со скоростью 3,5 куб.м/час и с напором в 4 метра.

Wilo Star-Z NOVA
Wilo Star Z Nova 20 4 имеет следующие особенности, на которые стоит обратить внимание заинтересованному потребителю:
- синхронный электромотор с потребляемой мощностью 2-4,5 Вт, в зависимости от рабочего режима;
- качество материалов, из которых изготовлено изделие, значительно увеличивает срок службы насоса;
- работают с жесткой водой, содержащей известь и другие примеси;
- в исполнении с индексом А – устанавливаются обратный и отсечной шаровой клапаны;
- с индексом С – к клапанам добавлен таймер.
к меню ↑
Как отличить оригинальный насос Wilo от подделки? (видео)
nasosovnet.ru
Обзор циркуляционных насосов для отопления Wilo
Качественно спроектированная отопительная система подразумевает также грамотно произведенный выбор материалов и оборудования. Среди прочих компонентов, которые входят в систему отопления, центральную роль играет циркуляционный насос. Именно правильность его выбора и установки будут оказывать влияние на эффективность работы всей системы.
Выпуском качественного оборудования для монтажа отопительных систем, систем водоснабжения и кондиционирования уже не один десяток лет занимается германская компания Wilo. Циркуляционные агрегаты от этого производителя славятся своим безукоризненным качеством, небольшими габаритами, доступной ценой, бесшумной работой. Продукция фирмы Wilo быстро обрела популярность пользователей во многих странах.
Изобретено циркуляционное устройство еще в 1929 году инженером Вильгельмом Оплендером, сыном хозяина компании. За годы существования циркуляционный агрегат был значительно совершенствован и преображен, наиболее современным его образцом является циркуляционный насос, оснащенный мокрым ротором.
Конструктивные особенности насосов с мокрым ротором
К основным особенностям этого вида устройств следует отнести возможность охлаждения деталей устройства с помощью перекачиваемой жидкости. Отсутствие потребности в вентиляторе и скользящем торцевом уплотнении позволило свести к минимуму шум при работе. Понижению уровня шума способствует и пластиковый материал, из которого изготовлено рабочее колесо. Электрические детали заключены в герметический стакан.
Кроме того, циркуляционный насос для отопления Wilo очень компактный, имеет небольшой вес и невысокое энергопотребление. У пользователей не возникают проблемы с дополнительным сервисным обслуживанием насоса.
Особенности серии Wilo-Star-RS
В отопительных системах малых помещений (менее 750 м.кв) оптимальным вариантом будет использование устройств серии Wilo-Star-RS. Насос из этой серии, имеющий самую маленькую мощность предназначен для системы, обогревающей площадь до 200 м.кв. Он способен создать напор жидкости до 8 м, в час он может перекачать около 5 м.куб. теплоносителя. Насосы оборудованы трехступенчатыми переключателями, позволяющими регулировать их соответственно к потребностям пользователя.
Монтаж циркуляционного насоса Wilo-Star-RS предполагает горизонтальное расположение его вала. Электросеть может быть подключена с любой стороны устройства, так как его клеммная коробка оснащена двумя кабельными выводами. Для питания требуется ток напряжением 230 вольт, частотой 50 гц. Подсоединение кабеля выполняется очень просто благодаря пружинному устройству клемм. Насос может работать при температуре рабочей жидкости в пределах от +110 до -10 градусов по Цельсию, но при этом окружающая температура не должна превышать +40 градусов.
Краткая характеристика насосов серии Wilo-TOP-S
Если площадь отапливаемого помещения находится в пределах 1400 кв. м, то для нормального функционирования отопительной системы понадобится использовать агрегат серии Wilo-TOP-S, оснащенный двух или трех ступенчатым переключателем частоты работы двигателя. Запитка устройства может производиться от сети с напряжением 230 или 400 вольт. Количество оборотов двигателя может регулироваться в пределах от 1600 до 2850 в минуту.

Циркуляционный насос для отопления серии Wilo-TOP-S 11 рассчитан на производительность 11 м.куб. жидкости/час, он может создавать напор до 11 м. Температура теплоносителя в системе может быть от -10 до +130 град. по Цельсию, а окружающей среды — до +40. Монтаж этого вида устройств аналогичен тому, какой рекомендован для Wilo-Star-RS.
Установка
Установка насосов отопления Wilo особого труда не составит. Благодаря большому разнообразию размеров резьбовых и фланцевых соединений у потребителя есть возможность выбрать агрегат, подходящий для установки в существующую систему водоснабжения, кондиционирования, отопления. Монтаж большинства моделей Wilo можно выполнить непосредственно на трубопроводе.
udobnovdome.ru
Циркуляционные насосы Wilo – технические характеристики и особенности конструкции

Насос Star-RS 25/2
В последнее время при монтаже любой отопительной системы активно используются циркуляционные насосы. Они повышают эффективность обогрева за счет увеличения мощности циркуляции теплоносителя в одном замкнутом цикле. Так как подобное устройство должно находиться в режиме постоянного функционирования, к выбору конкретной модели предъявляются высокие требования. Легко их удовлетворить смогут циркуляционные немецкие насосы Wilo, технические характеристики и высокое качество сборки которых обеспечивают их эксплуатационные достоинства. Поэтому именно к ним сегодня приковано особое внимание, и именно они пользуются на рынке большим спросом у потребителей.
История появления этого оборудования началась еще в 1872 году, когда основатель компании Луис Оплиндер открыл небольшую мануфактуру. Она производила ширпотреб из меди и стали. Первая модель циркуляционного насоса вышла с конвейеров мануфактуры еще в 1929 году. Тогда в разработке ее конструкции участвовал сын основателя, и он же перепрофилировал производство на выпуск полезных бытовых механизмов.
Сегодня немецкий бренд Wilo имеет безупречную репутацию. Ее удалось заслужить многолетней работой и постоянным стремлением к созданию уникальных новинок, технические характеристики которых на шаг опережают таковые у изделий других производителей.
Технические особенности и виды насосов
Современные насосы Wilo значительно увеличивают теплоотдачу теплоносителя и КПД всей системы отопления. +При этом их подключение позволяет использовать при сборке магистрали трубы с меньшим сечением. Как результат — снижение расходов топлива, уменьшение выбросов углекислого газа и экономия во всем без потери качества работы.
Конструкция насоса вило была специально создана для непрерывной работы. Поэтому каждый элемент демонстрирует высокую надежность. Немецкие производители позаботились и об экономии расхода электричества. Описываемое устройство потребляет в сутки всего 250 Вт. Насос работает, не производя шума, так как внутри него нет такого технического элемента, как вентилятор.
В продаже можно найти две разновидности немецких насосов — с мокрым и сухим ротором. Первые модели используются при монтаже отопительных систем внутри небольших помещений. В них двигатель во время работы охлаждается самим теплоносителем, который перекачивается насосом. Поэтому шума при работе практически не слышно.
Каждая модель имеет свои технические характеристики. Различаются насосы не только мощностью, но и объемом перекачиваемой жидкости. Самые слабые из них способны увеличить эффективность работы отопительной системы на площади в 200 кв. м.
Самые мощные можно использовать для обогрева площадей в 1000 кв.м. И малые, и большие агрегаты имеют габаритные размеры и максимально упрощенную конструкцию. Но главные технические характеристики касаются высоты напора. Сегодня только циркуляционные насосы Wilo способны создать высоту напора в 8 метров, а максимально возможный расход воды при этом составляет 5 метров в час.
Конструктивные особенности
Продукция немецких производителей может работать очень долго без технического обслуживания. А все потому, что при ее изготовлении используются прочные и надежные материалы. Так, например, корпус изделия выполнен из прочного серого чугуна. Внутри него расположен вал из нержавеющей стали. Он крепится при помощи подшипников, выполненных из графита. Скорость подачи жидкости имеет трехступенчатую регулировку. При этом максимально возможные параметры температуры теплоносителя могут достигать +110 градусов по Цельсию. В промышленных моделях этот потолок может увеличиваться.
Обратите внимание! Описываемый насос рассчитан и на очень высокое рабочее давление. Стандартные изделия, используемые в быту, способны выдержать давление в 10 Бар. Промышленные образцы в специальном исполнении выдерживают давление в 16 Бар.
Положительные и отрицательные стороны выбора

Циркуляционный насос с мокрым ротором
Современные системы отопления чаще всего работают по принципу естественной циркуляции. Но иногда возникает необходимость в принудительной циркуляции теплоносителя. И тогда встает вопрос о выборе подходящего насоса. При этом выбор зависит от многих факторов, самый главный из которых — мощность прибора. Ее должно хватать для того, чтобы сформировать необходимую интенсивность подачи.
Существуют специальные математические формулы, позволяющие сделать нужные расчеты. Готовые таблицы опубликованы в интернете. Есть они и в техническом паспорте изделия. При выборе мощности насоса учитывается в первую очередь площадь отапливаемого помещения и скорость, которую способны вырабатывать циркуляционные насосы.
Отдавая предпочтение продукции от Wilo, каждый получает взамен целый пакет эксплуатационных преимуществ:
- Немецкая продукция исключает возможность тепловых потерь, которые часто возникают в процессе испарения.
- Все ее рабочие механизмы изготовлены из материалов, устойчивых к коррозии.
- Работой системы управляет автоматика. Предусмотрено наличие встроенного термостата, а все функции отображаются на ЖК дисплее. Однако есть возможность ручного переключения, позволяющая контролировать частоту вращения рабочего вала.
- Даже самые мощные модели работают совершенно бесшумно. Практически все насосы вило имеют небольшие габариты, поэтому их установка не занимает много места.
- Подключение проходит быстро и удобно благодаря наличию пружинистых клемм.
- Ротор и мотор отличаются многоступенчатой системой защиты, поэтому агрегату не страшны скачки напряжения.
Недостаток у подобных установок лишь один. Сегодня насосы Wilo можно располагать лишь там, где проблемы с энергоснабжением встречаются крайне редко. Без электричества оценить преимущества и качество работы немецкого оборудования просто невозможно.

Поверхностный насос Wilo
Многолетний опыт работы позволяет немецкой компании Wilo производить высококачественное насосное оборудование, удовлетворяющее самый широкий потребительский спрос. Сегодня оно используется и в бытовом секторе, и в промышленном производстве. Высокое качество и простота монтажа, удобство в эксплуатации и наличие большого количества технических преимуществ выделяют продукцию описываемого концерна среди аналогичных товаров. Но не это самое главное.
Немецкие насосы можно подключать не только к системе отопления. Они широко используются для кондиционирования помещений. Модельный ряд представлен несколькими десятками разновидностей. Все приборы характеризуются большой производительностью, компактными размерами, высокой мощностью и незначительным шумом при работе.
Комментарии и отзывы к материалу
У вас должен быть включен JavaScript для отображения комментариев.gidotopleniya.ru
Насос циркуляционный Wilo
Насос циркуляционный Wilo осуществляет установление благоприятных рабочих и жилищных условий для человека с помощью увеличения оборота жидкого теплоносителя в системах отопления, кондиционирования, полового обогрева и нагрева воды. Данный тип насосов обычно эксплуатируют в квартирах, находящихся в частной собственности и помещениях, участвующих в производственных процессах, а также в коммерческой и административной недвижимости.
Характеристики циркуляционных насосов Wilo для отопления
Циркуляционный насос Wilo имеет:
– масса 7 килограммов;
– габариты (HxBxL), см: 18,0х18,6х24,9;
– температура перекачиваемой жидкости варьируется от минус 10 до плюс ста тридцати градусов Цельсия;
– оснащен защитной опцией, уберегающей его от резких перепадов напряжения в электросети;
– три скорости вращения;
– отсутствие звуковых эффектов работы;
– относится к насосам, имеющим мокрый ротор – его двигатель взаимодействует с рабочей жидкой средой;
– монтируется к трубам посредством фланца, либо резьбы.

Насос циркуляционный Wilo выполнен из термоизоляционных материалов, что благоприятствует сохранению тепла через его корпус и, что значит, не требует потребления тепла снаружи (прибор эргономичен). В инженерных сетях, на которые предполагается монтаж насоса, теплоносителем должна выступать вода (как можно более чистая) или водогликолевый состав.
Непосредственно на этот хим. состав жидкостей и рассчитан наиболее долгий срок работы устройства, превышающий десятилетие. Достоинством такого приспособления, как насос циркуляционный wilo является то, что в случае заполнения сетей отопления нужной жидкостью и последующего обнаружения там не до конца удаленного воздуха, нет надобности повторного заполнения, так как можно просто «спустить» воздушные остатки. Установите насос циркуляционный Wilo на трубу в доступном для визуального осмотра месте, так как он имеет дисплей, с помощью которого вы можете регулировать его работу.
Эксплуатация и особенности циркуляционных насосов Wilo
Данные насосы, применяются в системах:
– кондиционирования;
– охлаждения;
– водяного отопления.
Преимущества циркуляционного насоса Wilo:
– легкость установки;
– высокая надежность;
– три степени частоты вращения.
Возможные теплоносители:
– вода отопительных систем;
– водогликолевая смесь.
Насос циркуляционный Wilo имеет и иное название – «насос с мокрым ротором». В устройствах данного типа внутренняя их часть наполнена водой, смазывающей и в то же время охлаждающей устройство. Срок их эксплуатации солиден и составляет пятнадцать лет.
Циркуляционное давление насоса, по умолчанию, равно разности между гидростатическим давлением в нагнетательном и всасывающем патрубках. Необходимо, чтобы напор, создаваемый им, преодолевал гидравлические сопротивления всех конструктивных элементов отопительных систем: фитингов, радиаторов, трубопроводов, которые, по аналогии, так же измеряются в сантиметрах водяного столба.

При превышении гидравлического сопротивления системы над напором насоса, имеет место его замена на аналогичный прибор, но обладающий лучшими технологическими качествами. Эффективная и долгая работа прибора и целесообразность расходов на его приобретение сильно зависимы от качества и правильности его установки.
Цена на насос циркуляционный Wilo варьируется и зависит от его типа, и технических характеристик. То есть, чем больше мощность устройства и надежнее его характеристики, относительно процесса функционирования, тем большая сумма обозначена в стоимости изделия. Чем надежнее механизм, тем больше сумма за его приобретение.

promplace.ru
Циркуляционный насос Wilo Top: технические характеристики.
СодержаниеWilo TOP представляет собой торговую марку циркуляционных насосов Wilo, которые используются для оснащения различных промышленных и жилых помещений. Они характеризуются наличием мокрого ротора, с резьбовым или фланцевым соединением. Дополнительно, они обладают способностью функционировать в большом диапазоне рабочих температур и поддерживают значительное давление (до 16 бар в специальной комплектации). Используются такие приспособления для построения функциональных систем отопления в жилых домах и на промышленных предприятиях, а также в системах охлаждения и воздушного кондиционирования.
Компания-производитель выпускает несколько серий циркуляционных насосов: S, RL, Z и SD. Каждая серия характеризуется своими индивидуальными особенностями, описание которых мы рассмотрим далее.
Wilo TOP – описание модельного ряда
Все представленные насосы торговой марки Wilo TOP характеризуются не только высоким качеством, а также простотой управления и установки, но и большой надежностью конструкции. При необходимости, у поставщика можно заказать оборудование, изготовленное по специальному заказу, оснащенное дополнительными опциями.

Насос циркуляционный Wilo TOP-RL 30/7,5
В целом, установить и справиться с продукцией представленной торговой марки сможет даже человек, который до этого не имел даже представления об их существовании, благодаря понятной инструкции и простоте эксплуатации. Кроме того, благодаря простоте конструкции, в случае необходимости, оборудованию можно обеспечить техническое обслуживание самостоятельно, без необходимости обращаться в специальные сервисные центры.
При этом оборудование Wilo TOP различных серий пользуется большой популярностью в России и получает, в большинстве своем, только положительные отзывы об особенностях своего использования.
к меню ↑
Характеристики циркуляционных насосов серии S
Циркуляционные насосы S-серии, такие как Wilo TOP s 50 15, Wilo TOP s 40 15, а также циркуляционный насос Wilo TOP s 40 7 и s 30, являются стандартными для систем отопления. На рынке их можно встретить в сравнительно недорогом ценовом диапазоне, что и стало основной причиной их популярности, кроме практически универсальной конструкции.
Характеристики оборудования S серии (на примере Wilo TOP s 30):
- Возможность самостоятельно установить частоту вращения циркуляра.
- Наличие простой и комфортной в управлении модульной техники, которая обеспечивает связь между несколькими приспособлениями.
- Простота установки, которую обеспечивает комбинированный флац, а также возможность подводки кабеля с двух сторон.
- Автоматизированное управление.
- Возможность управления сдвоенными насосами.
Мотор циркуляционного оборудования полностью защищен и оснащен электронной системой отключения. При возникновении неисправности срабатывает сигнализация, которая сообщает оператору, посредством светового индикатора, о необходимости обеспечить техническое обслуживание оборудованию.

Кривая характеристик Wilo TOP-S
Представленный насос отлично справляется со своими функциями, характеризуется сравнительно небольшой стоимостью и получает положительные отзывы от пользователей. Он может свободно использоваться как для промышленных предприятий, так и для оборудования системы отопления и водоснабжения жилого дома.
к меню ↑
Отличительные особенности циркуляционных насосов серии RL
Продукция серии Wilo TOP RL 30 7 5 и Wilo TOP RL 30 4 представляют собой циркуляционные насосы, которые характеризуются возможностью самостоятельно регулировать их мощность.
Представленные приспособления для кондиционирования воздуха, а также оснащения топливных систем, оснащаются следующими характеристиками:
- Рабочие температуры от -20 до +130 градусов.
- Наличие возможности регулировки мощности вручную, с несколькими ступенями частоты вращения.
- Корпус защищен специальным покрытием от окисления, а также воздействия на него агрессивных сред (это полезная опция, если оборудование устанавливается в помещение промышленного цеха с большим количеством агрессивных элементов в воздухе).
- Простота монтажа, доступно описанная в прилагаемой инструкции к оборудованию.
Благодаря своим индивидуальным особенностям, насосы серии RL являются отличным приобретением для использования в частных домах, а также небольших коммерческих предприятиях.
к меню ↑
Характерные черты циркуляционных насосов серии Z
Циркуляционный насос серии Z, Wilo TOP Z 25 6, так же, как и остальные типы подобного оборудования представленной фирмы, характеризуется возможностью оператору самостоятельно регулировать его мощность.
Отличительными чертами оборудования являются:
- Регулирование мощности в трех режимах.
- Возможность установки вместе с теплоизоляцией.
- Простота монтажа.
- Возможность двусторонней подводки кабеля к коробке с клеммами.
- Надежная защита, а также наличие нескольких типов сигнализации о неисправностях и о работе (раздельная, и обобщенная).

Технические характеристики насосов Wilo-TOP-Z
Используется представленный аппарат, преимущественно, для промышленных целей и, соответственно, обладает большей мощностью, что и обеспечивает еще несколько большую рыночную стоимость, в сравнении с другими моделями насосов этого производителя.
к меню ↑
Особенности профессиональных циркуляционных насосов серии SD
Такие циркуляционные насосы, как Wilo TOP SD 32 10, Wilo TOP SD 65 13, Wilo TOP SD 40 15, а также насос Wilo TOP SD 50 10 пр представляют собой сдвоенные насосы с мокрым ротором и фланцевым соединением. Их главным преимуществом является простота установки, а также возможность ручного регулирования мощности. При этом они работают в значительном диапазоне рабочих температур и даже при большом давлении (до 6 бар в обычном исполнении и до 16 бар в специальном).
Отличительные черты представленного циркуляционного оборудования:
- Возможность специального исполнения оборудования для сильного натяжения.
- Большой диапазон рабочих температур (от -20 до 130 градусов).
- Сдвоенный насос для основного и резервного режимов работы.
- Возможность регулировать частоту вращений вручную.
- Две или три ступени вращения (мощности).
- Корпус со специальным антикоррозийным покрытием.
- Простота в эксплуатации.
- Наличие двусторонней подводки кабеля к клеммам со встроенным лепестковым зажимом.
- Наличие надежной защиты.
Кроме того, представленные насосы характеризуются наличием развитой системы сигнализации, которая предупредит с помощью светового индикатора о наличии неисправностей и необходимости технического обслуживания оборудования. Основная сфера применения оборудования представленного типа – как на коммерческих предприятиях, так и для снабжения водой небольшого жилого дома.
к меню ↑
Как отличить оригинальный насос Wilo от подделки? (видео)
nasosovnet.ru
технические характеристики и сферы применения :: SYL.ru
В последнее время в качестве составляющей отопительных систем все чаще выступает продукция компании Wilo. Циркуляционный насос этой фирмы способен повысить эффективность обогрева, увеличивая мощность теплоносителя в замкнутом цикле. По той причине, что такие устройства должны располагаться в режиме постоянной работы, к выбору той или иной модели предъявляются строгие требования. Их можно удовлетворить, выбрав насос компании Wilo, его технические характеристики удачно дополняются эксплуатационными достоинствами.
Это оборудование берет начало в компании, основанной в 1872 году. Именно тогда основатель фирмы открыл мануфактуру. Она выпускала ширпотреб из стали и меди. Первый циркуляционный насос вышел в 1929 году. Тогда его разработкой занимался сын основателя, он же занялся перепрофилированием производства на изготовление бытовых механизмов. Сегодня продукция компании обладает безупречной репутацией. Ее удалось добиться многолетним трудом и стремлением к созданию инновационных новинок.
Область использования насосов “Вайло”

Wilo – циркуляционный насос, который популярен благодаря возможности использовать данное оборудование во многих областях. Устройства могут стать частью:
- промышленных циркуляционных установок;
- систем водяного отопления;
- систем кондиционирования;
- систем подачи холодной воды.
Описываемые агрегаты имеют успешный опыт эксплуатации, они были проверены временем, поэтому нашли свое широкое распространение в условиях современных тепловых пунктов. Наиболее популярными из спектра номенклатуры можно считать насосы WILO Star и WILO TOP.
Области использования и основные особенности “Вайло Стар”

Wilo – циркуляционный насос, который поставляется к продаже в разновидности WILO Star. Это оборудование имеет мокрый ротор и резьбовое соединение, которое принято использовать в системах водяного отопления и теплых полов. Эксплуатируется данное оборудование еще и в промышленных циркуляционных установках, в системах кондиционирования, а также системах подачи холодной воды.
Мокрый ротор исключает перегрев двигателя. Насос обладает выбором ступени частоты вращения, что гарантирует возможность согласования мощности. Установить такие агрегаты довольно просто, осуществляются подобные работы благодаря отливу под ключ. Насосы обладают двигателем, который устойчив к блокировкам. Съемный кабельный ввод обеспечивает возможность двухстороннего подключения. Нельзя не отметить еще и упрощенный электромонтаж. Использовать оборудование можно при широком диапазоне температур жидкости, он изменяется от -10 до +110 °С.
Технические характеристики “Вайло Стар”

Wilo – циркуляционный насос, который в продаже вы сможете отыскать под маркировкой Star RS. В данном случае речь идет об оборудовании с классом защиты IP.44. Максимальное рабочее давление составляет 10 бар. Перед приобретением оборудования важно учесть, что подпор во всасывающем патрубке должен быть минимальным.
Вышеупомянутый параметр обозначается в метрах и выполняет функцию предотвращения кавитации, когда нужно перекачать жидкость с определенной температурой. Если последний параметр составляет 50°С, то подпор будет равен 0,5 м. При 95°С и 110°С подпор равен 3 и 10 м соответственно.
Области использования и особенности насоса WILO TOP

Циркуляционный насос Wilo Top используется для перекачивания воды в системах ГВС и отопления, а также в закрытых промышленных и системах, которые предназначены для перекачивания питьевой воды. В последнем случае речь идет о модели TOP-Z. При выборе особенность перекачиваемой среды необходимо учесть, что особенно касается случая, когда насос, а точнее, его внутренние части должны будут контактировать с питьевой водой.
В зависимости от диаметра, оборудование обладает фланцевым или резьбовым соединением. Использоваться приборы могут для перекачивания:
- воды для пищевого производства;
- обычной питьевой воды;
- технической воды для системы отопления;
- водно-гликолевый смеси и воды, в этом случае используется соотношение один к одному.
Этот циркуляционный насос Wilo отличается наличием встроенной защиты двигателя и устойчивостью к токам блокировки. Все это продлевает срок эксплуаатации. Имеется в устройстве еще и теплоизоляционный кожух. Агрегат обладает тремя скоростями вращения и не предполагает необходимости технического обслуживания.
Технические характеристики WILO Star RS

Использовать вышеупомянутое оборудование можно при температуре внешней среды в пределах от 0 до +40 °С. Температура поверхности насоса при эксплуатации не должна быть выше +160 °С. Прибор соответствует степени защиты IP 44. Для определения максимального рабочего давления необходимо ознакомиться с таблицей, которая прилагается конструкции.
Технические характеристики насоса Wilo-Star-RS 25/4

Циркуляционный насос Wilo 25 имеет мотор, расположенный горизонтально. Клеммная коробка может иметь положение на 3, 6, 9 и 12 часов. При покупке клеммная коробка находится в заводском положении. Преимуществом оборудования является двигатель, который отличается устойчивостью к токам блокировки.
Работает агрегат за счёт двухполюсного однофазного двигателя со встроенным конденсатором. Предназначается насос для промышленных циркуляционных систем, систем отопления, кондиционирования и подачи холодной воды. Насос циркуляционный Wilo Star может использоваться для установки с горизонтальным расположением вала. Электромонтаж упрощён, это гарантируется съемным кабельным вводом клеммной коробки. Управление осуществляется вручную, частота вращения ступеней может соответствовать одному из трех положений.
В основе корпуса насоса лежит серый чугун, вал изготавливается из нержавеющей стали, тогда как рабочее колесо выполнено из синтетического материала. Подшипники изготавливаются из металлографита. Насос циркуляционный Wilo Star RS имеет в комплекте инструкцию по эксплуатации и монтажу, уплотнения и само насосное оборудование.
Технические особенности

Насосы циркуляционные для отопления Wilo способны значительно увеличить теплоотдачу воды и коэффициент полезного действия системы отопления. Подключение позволяет использовать магистрали с меньшим сечением. В качестве результатов выступают:
- сокращение расхода топлива;
- экономия без потери качества работы;
- снижение выбросов вредных газа.
Конструкция оборудования была создана для непрерывной работы. Это указывает на то, что каждый элемент отличается высокой надежностью. Производители позаботились об экономии расхода электричества. В сутки агрегат будет потреблять 250 Вт. При работе приборы не производят шума, ведь внутри нет вентилятора.
Насосы циркуляционные для отопления Wilo представлены к продаже в двух разновидностях – с сухим и мокрым ротором. Последние применяются при обустройстве отопительных систем внутри помещений с небольшой площадью. Двигатели в них во время эксплуатации охлаждаются водой, которая перекачивается оборудованием. Это позволяет получить дополнительный плюс, выраженный в отсутствии шума.
Отличаются модели не только по мощности, но и объему перекачиваемой воды. Самые слабые способны повысить эффективность системы на 200 м2. Если же речь идет о мощных приборах, то они предназначены для обогрева площадей в 1000 м2. И те, и другие обладают компактными размерами и упрощённой конструкцией. Однако в качестве основной технической характеристики выступает высота напора. Производитель заявляет, что лишь такие циркуляционные насосы способны создавать 8-м высоту, тогда как максимально возможный расход жидкости при этом составит 5 м/ч.
Особенности монтажа
Перед проведением установки следует снять теплоизоляцию. Монтаж осуществляется после завершения работ по промывке системы, ее пайке и сварке трубопроводов, это обусловлено тем, что грязь может нарушить работу оборудования. Насос должен располагаться в доступном месте, что облегчит последующий контроль и его замену. Важно установить запорную арматуру перед оборудованием или за ним. Это предотвратит слив воды из системы и повторное заполнение при замене оборудования.
Заключение
Циркуляционные насосы Wilo RS имеют рабочие механизмы, выполненные из материалов, устойчивых к коррозии. Автоматика сможет управлять работой системы. Оборудование имеет встроенный термостат, тогда как все функции можно увидеть на жидкокристаллическом дисплее. Но у пользователя есть возможность ручного переключения, что позволяет следить за вращением рабочего вала.
www.syl.ru
Насосы «Wilo» – технические характеристики и знаменитое немецкое качество
Насосs Wilo
Не все системы отопления могут работать по принципу естественной циркуляции теплоносителя. Нередко в наших частных домах устанавливаются схемы разводки трубопроводов, в которых снижается тепловая отдача радиаторов, установленных далеко от отопительного котла. Чтобы изменить ситуацию, приходится прибегать к двум способам. Первый – увеличить количество секций в отопительных приборах. Второй – установить циркуляционный насос. И многие сегодня выбирают второй вариант, как более эффективный. Современный рынок предлагает большое разнообразие насосов, где не последнее место занимают насосы из Германии «Wilo» с великолепными техническими характеристиками. О них и хотелось бы поговорить в этой статье.
Немного истории. Предприятие по изготовлению различных бытовых принадлежностей, изготовленных из медных сплавов, появилось в Германии в 1872 году. Открыл его немец Луис Оплендер. Предприятие было небольшим, но давало стабильный доход, так что семья жила безбедно, и Луис мог дать своим детям неплохое по тем временам образование. Так вот его сын пошел по стопам отца и стал инженером-механиком. Он продолжил семейное дело и в 1929 году поставил на поток выпуск циркуляционных насосов, конструкцию которых изобрел сам.
Сегодня компания – это мировой лидер в категории производства циркуляционных насосов для отопления и системы ГВС как для частного домостроения, так и для промышленных объектов.
Особенности устройства
Как уже было сказано выше, основное предназначение насосов Вило – это увеличение тепловой отдачи радиаторов отопления и всей отопительной системы в целом. А, значит, увеличение коэффициента полезного действия. То есть, при минимальных затратах топлива на нагрев теплоносителя высокая теплоотдача. Как дополнение к этому можно напомнить, что снижая потребление топлива, мы снижаем выбросы в атмосферу угарных газов и других продуктов сгорания топлива. То есть, выполняются природоохранные нормы.
Но и это еще не все. С насосами «Wilo» появляется возможность не просто экономить на эксплуатации отопительной системы. Установка самого насоса дает возможность уменьшить диаметр труб, ведь теплоноситель будет двигаться внутри трубной конструкции под небольшим давлением. А это говорит опять об экономии денежных средств, но уже на приобретение материалов для отопления и на их монтаж.
Насосы «Wilo» предназначены для непрерывной работы, поэтому к ним предъявляются самые жесткие требования, отсюда и высокие технические характеристики. Многие потребители, выбирая отопительную систему с принудительной циркуляцией теплоносителя, долго принимают решение, какой циркуляционный насос выбрать. Ведь само это устройство является электрическим прибором, который потребляет электроэнергию. В наш век тотальной экономии каждый старается найти такой вариант, который бы подходил под оптимальное соотношение цены прибора и качества его работы. Так вот насосы Вило в этом плане оптимальный выбор.
Если рассматривать их в качестве электроприбора для частного дома, то можно вывести среднюю величину потребляемой мощности. Она вас сильно обрадует. Это 250 Вт в сутки. Скажем прямо, это не очень большие расходы. Конечно, это средняя величина. Чем мощнее насос вы приобретаете, тем больше он расходует электроэнергии. Но разница не очень большая, так что владельцам многоэтажных частных домов опасаться нечего.
Добавим к положительным техническим характеристикам насоса и бесшумность его работы. В его конструкции отсутствует вентилятор, который должен охлаждать само устройство. И это, скажем прямо, достаточно большой плюс.
Разновидности
Насос циркуляционный Wilo NO 25/2
В настоящее время насосы «Wilo» выпускаются в двух модификациях:
- С мокрым ротором.
- С сухим.
Чем они отличаются друг от друга? Во-первых, первый тип является маломощным агрегатом, поэтому используется для систем отопления, с помощью которых обогреваются небольшие здания площадью не больше 200 м². Соответственно второй тип – это более мощные приборы.
Во-вторых, конструкция насоса с мокрым ротором достаточно уникальна. Все детали и узлы прибора охлаждаются теплоносителем, вот почему в них отсутствует вентилятор. Многие обыватели могут задать вопрос, как можно охладить металлические детали горячей водой? Не горячей, а охлажденной, потому что сам агрегат устанавливается на обратном контуре около котла, то есть, в самой холодной точке отопительной системы. К тому же теплоноситель выполняет еще одну функцию – смазки, отсюда и бесшумная работа прибора.
Рассматривая другие технические характеристики насоса «Wilo», хотелось бы отметить традиционные для таких агрегатов показатели. Это
- Напор, то есть, высота подъема теплоносителя. Усредненный показатель равен 8 м.
- Давление внутри трубной системы. Тоже усредненный показатель 5 м³/ч.
Как правильно выбрать

Насосы с мокрым ротором
Самый волнующий потребителей вопрос. Скажем так, выбор – дело серьезное, он зависит от большого количества факторов. О них и поговорим.
В первую очередь необходимо ознакомиться со всеми техническими характеристиками. И самая важная их них – это мощность агрегата. Обычно данная характеристика имеет прямую зависимость от обогреваемой площади здания. Вот только один пример такой зависимости.
- Если обогреваемая площадь вашего дома равна, скажем, 130 м², то для эффективной работы отопительной системы вам понадобится циркуляционный насос мощностью 0,4 м³/час. Разговор ведем об обычном радиаторном отоплении.
- Повышая обогреваемую площадь до 170 м², необходимо будет приобретать насос мощностью 0,6 м³/час.
- Площадь 300 м² — мощность насоса вырастает до 0,9 м³/час.
Из этого примера можно увидеть ту самую зависимость, которая позволит вам организовать эффективно работающую отопительную систему. Конечно, это только приблизительный вариант подбора. Для более точного расчета придется воспользоваться формулой, составляющими которой являются не только обогреваемая площадь, но и скорость теплоносителя внутри трубной конструкции, некоторые коэффициенты (понижающие и повышающие). Формула не очень простая, так что рекомендуем воспользоваться предложенными соотношениями и добавить немного запаса (5-10%). Но самый лучший вариант – проконсультироваться у специалиста. Он «на пальцах» все подробно объяснит и даст рекомендации.
Достоинства и недостатки
Как и все электрические приборы, циркуляционные насосы «Wilo» имеют свои положительные и отрицательные качества. Но немецкие компании себя давно зарекомендовали, как одни из самых лучших производителей разного рода изделий. И циркуляционные насосы «Wilo» не стали исключением. Их технические характеристики нами уже описаны, остается рассмотреть их преимущества и небольшие недостатки.
Преимущества

Характеристика насосов wilo
- Низкие тепловые потери. Обычно все металлические приборы, через которые проходит горячая вода, являются объектами отдачи тепловой энергии в виде испарений. Здесь они тоже присутствуют, но в небольших объемах.
- Оптимальный подбор мощности прибора и скорости движения теплоносителя позволяют говорить об эффективной теплоотдаче отопительных приборов и об отопительной системе в целом.
- Долгий срок эксплуатации. Производитель позаботился о том, чтобы все узлы и детали насосы были выполнены из материалов с высоким показателем коррозионной стойкости. Напомним, что в качестве смазки используется сама вода внутри отопления.
- С помощью насоса «Wilo» можно держать под контролем температурный режим в доме. Изменяя его мощность и скорость движения теплоносителя, можно регулировать параметры теплоотдачи радиаторов. Это позволяет делать двигатель насоса, который может работать в разных эксплуатационных режимах.
Недостатки
Если рассматривать циркуляционные насосы «Wilo» именно с этой позиции, то можно отметить всего лишь один недостаток. Насос относится к категории «электроприборов», а, значит, полностью зависит от того, будет ли подача электрического тока к дому постоянной или нет. Всем известно, как работают отечественные электрические сети, особенно за городом.
График работы насоса Wilo-Sub
Но даже этот негативный фактор не должен вас оттолкнуть от приобретения прибора этой марки. Чтобы избежать неприятных моментов, можно воспользоваться двумя методами:
- Приобрести ИПБ для циркуляционного насоса, который временно станет источником питания.
- Или установить байпас между подающим и обратным контуром. Он будет отрезать сам агрегат от общей трубопроводной сети. То есть, временно отопительная система будет работать по принципу естественной циркуляцией теплоносителя. Конечно, от этого эффективность работы отопления падает, но это временное явление.
Заключение по теме
Итак, подводим итог о циркуляционных насосах «Wilo». Из статьи становится понятным, что эти агрегаты являются обладателями достаточно большого количества преимуществ, плюс великолепные технические характеристики. А что еще можно было ожидать от немецкого производителя? Добавим, что эти насосы находятся в достаточно приемлемой ценовой линейке, так что их покупка не будет обременительной. Хотя говорить о высоком качестве, длительном сроке эксплуатации и при этом сетовать на высокую цену, это уже предел всего. Мы ни в коей мере не рекламируем насосы «Wilo», просто считаем, что на российском рынке это один из самых надежных агрегатов из своей категории.
Похожие записиКомментарии и отзывы к материалу
У вас должен быть включен JavaScript для отображения комментариев.gidotopleniya.ru
