Watts FLU 25 реле протока
Реле протока Watts FLU 25 используется для контроля протока воды. Монтируется горизонтально. Для труб 1″ – 8″. Рабочая температура до 110 градусов С. Рабочее давление до 10 бар. Реле протока предустановлено на минимальное значение расхода. Переключатель 220В – 6А – 50Гц.
Реле протока используется для контроля наличия протока воды в автономной отопительной системе с принудительной циркуляцией, вплоть до минимальных значений расхода. В зависимости от схемы подключения реле протока может включать либо выключать соответствующий элемент автономной отопительной системы при исчезновении либо появлении протока теплоносителя. Например, при отключении циркуляционного насоса может быть отключена горелка. Реле протока может также использоваться для защиты циркуляционного насоса от сухого хода. Реле протока Watts FLU 25 имеет металлический корпус и может устанавливаться в помещениях с высокой влажностью. Наличие пружинного сильфона (сильфонного уплотнения) делает реле протока Watts FLU 25 также пригодным для дизельного топлива. В комплект поставки входят пластинки (ламели) различной длины для труб 1” – 8”
Технические характеристики FLU 25
- Микропереключатель (реле) 6 А – 220 В
- Максимальное рабочее давление 10 бар.
- Максимальная температура теплоносителя 110°С
- Максимальная температура окружающей среды 60°С
- Класс защиты IP 54
- Наружная резьба 1”
Регулировка реле протока:
Порог срабатывания (рабочая точка) определяется напряжением пружины (10), установкой винта (8) и длиной ламели (7).
В приведённой ниже таблице указаны диаметры труб, соответствующие длины ламелей и расход воды в м3/ч, при которых происходит замыкание или размыкание контактов микропереключателя, как при установке минимального значения (винт плотно затянут), так и при установке максимального значения (винт полностью ослаблен).
Устройство поставляется с плотно затянутым калибровочным винтом (установлено минимальное значение). Контакт 1 – 2 разомкнут. После запуска насосов или при установлении номинального расхода воды, ламель должна сместиться в направлении потока воды, в результате чего происходит замыкание контакта 1 – 2.
Если ламель не смещается, то это означает, что расход воды слишком мал и устройство не может среагировать. Однако на практике это почти полностью исключено, так как значение расхода воды обычно существенно больше установленного минимального значения (например, 6,3 м³/ч при 3″ диаметра трубы). Если известен реальный расход воды, то устройство может быть точно отрегулировано (см. таблицу).
Реле протока в отопительных системах с простым управлением ВКЛ-ВЫКЛ не требуют точной калибровки. Достаточно установить минимальное значение так, что контакт, который управляет горелкой, замкнется, как только будет достигнут установленный расход воды (см. таблицу).

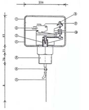
1. Алюминиевая крышка.
2. Микропереключатель (реле).
3. Металлический пружинный cильфон.
4. Алюминиевый корпус.
5. Резьбовой штуцер 1” из латуни.
6. Рычаг из латуни.
7. Пластинка (ламель) из нержавеющей стали.
8. Регулировочный винт.
9. Гайка.
10. Пружина из нержавеющей стали

Монтаж
Для обеспечения безупречной работы реле протока должно устанавливаться на горизонтальном трубопроводе, чтобы пластина (ламель) была вертикальна. Расстояние между трубой и прибором должно составлять не менее 55 мм, а расстояние до последующей арматуры, отводов или фитингов на трубопроводе должно составлять не меньше 5 Ду. Реле протока должно быть ориентировано так, чтобы направление стрелки на корпусе соответствовало направлению протока в трубопроводе. При наличии в теплоносителе посторонних механических включений и высокой загрязненности следует перед реле протока устанавливать фильтр механической очистки.
Схема подключения:

При отсутствии протока контакты 1-2 разомкнуты, а контакты 1-3 замкнуты. По достижении расходом значения, указанного в таблице, контакты 1-2 замыкаются.
В комплект поставки входят:
- реле протока FLU 25 (1 шт)
- пластинки (ламели) различной длины для труб 1” – 8” (4 шт)
- паспорт (1 экз)
voltar.com.ua
Реле протока Watts FLU 25
Реле протока Watts FLU 25 протока используется для контроля наличия протока воды в автономной отопительной системе с принудительной циркуляцией, вплоть до минимальных значений расхода. В зависимости от схемы подключения реле протока может включать либо выключать соответствующий элемент автономной отопительной системы при исчезновении либо появлении протока теплоносителя. Например, при отключении циркуляционного насоса может быть отключена горелка. Реле протока может также использоваться для защиты циркуляционного насоса от сухого хода. Реле протока имеет металлический корпус и может устанавливаться в помещениях с высокой влажностью. Наличие пружинного сильфона (сильфонного уплотнения) делает реле протока также пригодным для дизельного топлива.
В комплект поставки реле протока Watts FLU 25 входят пластинки (ламели) различной длины для труб 1” – 8”.
Монтаж реле протока Watts FLU 25:
Для обеспечения безупречной работы реле протока должно устанавливаться на горизонтальном трубопроводе, чтобы пластина (ламель) была вертикальна. Расстояние между трубой и прибором должно составлять не менее 55 мм, а расстояние до последующей арматуры, отводов или фитингов на трубопроводе должно составлять не меньше 5 Ду. Реле протока должно быть ориентировано так, чтобы направление стрелки на корпусе соответствовало направлению протока в трубопроводе. При наличии в теплоносителе посторонних механических включений и высокой загрязненности следует перед реле протока устанавливать фильтр механической очистки.
Технические характеристики реле протока Watts FLU 25:
- Микропереключатель (реле) 6 А – 220 В
- Максимальное рабочее давление 10 бар.
- Максимальная температура теплоносителя 110° С
- Максимальная температура окружающей среды 60° С
- Класс защиты IP 54
- Наружная резьба 1”
vodamk.ru
Описание: Монтаж: Чертеж:
1. Алюминиевая крышка. 2. Микропереключатель (реле). 3. Металлический пружинный сильфон. 4. Алюминиевый корпус. 5. Резьбовой штуцер 1” из латуни. 6. Рычаг из латуни. 7. Пластинка (ламель) из нержавеющей стали. 8. Регулировочный винт. 9. Гайка. 10. Пружина из нержавеющей стали Технические характеристики: Микропереключатель (реле) 6 А – 220 В. Размеры и габариты:
Паспорт реле протока FLU 25 ST/SP Техническое описание и инструкция по применению реле протока FLU 25 | |||||
armafit-stroy.com.ua

