Вентиляция в многоквартирном доме: схема, установка
Во время строительства многоэтажного здания нужно учитывать многие важные инженерные моменты. Одним из таких моментов является кондиционирование воздуха. Вентиляция многоквартирного жилого дома – это сложная схема циркуляции воздуха. Поэтому от проектирования этой системы зависит правильность ее работы. Кондиционирование помещений в сочетании с отоплением создают в ваших домах микроклимат, от которого зависит ваше здоровье и хорошее настроение. Основными источниками загрязнения воздуха в помещении являются: кухонная плита, стиральная машина и санузел. В результате чего в воздухе образуется большое количество вредных паров и газов, которые оказывают пагубное влияние на организм человека.
Чтобы знать, правильно ли у вас работает вентиляционная система, нужно обратить внимание на следующие признаки:
- запотевание стекол в окнах;
- конденсат на стеклах и стенах;
- сырость в углах комнаты;
- появление грибка.

Важно! Повышенная влажность и грибок могут привести к заболеванию дыхательных путей.
Существует самый простой и эффективный способ проверить свою вытяжку. Достаточно просто подойти к ней и приложить небольшой кусочек бумаги. При правильной работе бумагу начнет затягивать в воздушный клапан.
Особенности вентиляции в многоэтажном доме
Эти особенности заключаются в следующем:
- воздух должен двигаться так, чтобы выветривать неприятные запахи из комнат, кухни и санузла;
- для каждого строения конкретно рассчитывается своя вытяжная система;
- некоторые здания оборудованы вытяжными вентиляторами, поэтому в таких домах должна быть предусмотрена дополнительная шумоизоляция;
- кондиционирование воздуха в многоэтажных домах должно контролироваться, чтобы уменьшить затраты на обогрев воздуха.
Виды проектирования вентиляционной системы
Естественная вентиляция бывает следующих видов:
- индивидуальная – каждая квартира имеет свой вытяжной канал, выходящий на крышу.
Но сейчас этот способ вентиляции не пользуется популярностью; - вытяжные каналы всех квартир соединены одним горизонтальным коробом, выходящим на крышу;
- вентиляционные коммуникации всего дома ведут в одно помещение, из которого воздух выводится наружу при помощи специального оборудования.
Для того чтобы лучше понять, как устроена вентиляция в многоквартирном доме, рассмотрим какие же бывают способы движения воздуха:
- естественный;
- комбинированный;
- механический.
Естественный способ подразумевает проникновение свежего воздуха в квартиру через окна, а выход через вентиляционные каналы за счет разности давлений и температур.
Комбинированный способ предусматривает создание искусственного потока воздуха и естественный его выход или наоборот.
Механический способ или принудительная вентиляция, обеспечивает кондиционирование помещения при помощи приточного и вытяжного оборудования. Этот вид вентиляции используется практически во всех современных зданиях и сооружениях.
Вентиляция домов
Наиболее простой способ вентиляции в многоквартирном доме является система приточно-вытяжной вентиляции. По этой системе воздух в помещение поступает через окна, а выходит через вентиляционные каналы, расположенные в основном в санузле и кухне, которые, в свою очередь, соединены одним общим воздушным каналом. Таким способом налажено проветривание практически во всех старых многоэтажных постройках. Это неудивительно, система простая и недорогая, но не совсем эффективная.
А вот в современных многоэтажных постройках стало модно использовать новую систему вентиляции, к тому же она более эффективная. Принцип работы вентиляции в многоквартирном доме осуществляется механическим способом. На крыше такого дома предусматривается наличие приточных и вытяжных вентиляторов. Эти устройства работают как часы, здесь не нужно учитывать атмосферное давление и особенности конструкции здания. Такой способ проветривать помещение стал наиболее эффективным и популярным, но принудительная вентиляция имеет два недостатка: высокая стоимость конструкции и зависимость от электричества.
Однако, когда хочется дышать свежим и чистым воздухом у себя дома, об этих недостатках никто не думает.
Интересно! Механическая система вентиляции помещений создает оптимальный микроклимат вашего дома.
Существующие схемы вентиляции
Чтобы понять, как же работает вентиляция в многоквартирном доме, схема просто необходима. В таком доме конструируется один общий сборный вытяжной канал, к которому присоединены вытяжные каналы каждого из этажей. Схема организации воздухообмена предусматривает два вида вентиляции – перемешивание или выдавливание воздуха.
Кондиционирование помещений методом перемешивания воздуха подходит для домов, которые не пропускают воздух. Это постройки из кирпича и бетона. Вентиляция в этих домах осуществляется с помощью небольших вентиляционных отверстий. Воздушные потоки смешивают свежий и грязный воздух, а выходят через эти отверстия. Только правильная спроектированная системы вентиляции позволит эффективно ее эксплуатировать.
Совет! Для эффективной работы вентиляции, приточные и вытяжные устройства нужно оборудовать в каждой комнате и соединить с центральным блоком.
Проект вентиляционной системы
Проект вентиляции многоквартирного жилого дома необходимо сделать до начала строительства здания для более эффективной работы этой системы. Правда, если здание уже построено, можно постараться наладить эффективную работу системы кондиционирования. Вытяжная система – это сложная инженерная конструкция, монтаж которой предусматривает наличие особых навыков и специального оборудования. Этот проект помогает регулировать воздушную сферу каждого помещения. Поэтому проектирование вентиляции требует учета особенностей каждого этажа здания. Самым важным в этом проекте является выбор надежного оборудования, которое сможет работать без сбоев и перегрузок длительное время.
Во время проектирования необходимо учитывать следующие моменты:
- технические и архитектурно-строительные моменты. Оборудование должно подбираться с учетом всех требований по пожарной безопасности;
- вытяжная система не должна портить фасад и интерьер здания;
- циркуляция воздуха в помещении должна отвечать всем санитарным нормам;
- цена выбранного оборудования не должна отражаться на его качестве.
С экономической стороны никому не хочется выбрасывать на этот проект много денег, поэтому все стараются выбрать более дешевый вариант, но в этом случае, главное, не перестараться.
Основные этапы проектирования:
- начинается все с расчета объема воздухообмена ваших помещений;
- согласно им и всем нюансам вашего проекта разрабатывается схема, которая включает в себя аэродинамические и акустические расчеты: сечения воздуха в вытяжных каналах и уровень шума всего специального оборудования;
- выполняется чертеж с детальным описанием, который должны согласовать все технические службы;
- после согласования, должна быть подготовлена документация по всем строительным и техническим нормам;
- теперь наступает монтаж вентиляционного оборудования и запуск всей системы.
Все работы по проектированию вытяжной системы должны производиться только обученными специалистами, которые качественно выполняют работу по установке и дают гарантию на выполненную работу.
Поэтому при выборе команды рабочих, нужно найти настоящих профессионалов в этом деле, которые не один год этим занимаются. Только специалисты сделают свежим и чистым воздух в вашем доме.
Верховный Суд России о содержании вентиляционных каналов в многоквартирном доме
Есть дома с общим вентилляционным каналом в санузле. Когда такой канал неисправен, в квартиры начинают попадать запахи из соседних. Управляющие организации должны следить за состоянием вентиляционных каналов и не допускать таких поломок. Об этом ещё раз напомнил Верховный Суд РФ.
Об обязательных для УО работах по содержанию общего имущества дома
В чём проблема
В отношении управляющей домом организации ГЖИ провела внеплановую проверку соблюдения лицензионных требований. В ходе проверки было установлено, что в помещениях санузла нескольких квартир не работает вытяжная вентиляция.
В итоге ГЖИ составила акты и выдала управляющей организации предписания об устранении нарушений – о восстановлении системы естественной вытяжной вентиляции в помещениях санузла квартир.
При этом было поставлено условие – соблюсти требования п. 4.7 СанПин 2.1.2.2645-10.
Управляющая организация посчитала, что вентиляции в спорных помещениях нет и на неё хотят возложить строительство новой. Строительство новой вентиляции относится к работам капитального ремонта, а для них нужно решение общего собрание собственников помещений в МКД. Поэтому управляющая организация обратилась в суд за тем, чтобы предписания признали недействительными.
Компенсация морального вреда за ненадлежащее содержание ОИ в МКД
Разный подход судов к решению вопроса
Суд первой инстанции поддержал управляющую организацию и признал работы по восстановлению системы вытяжной вентиляции относящимися к работам по капитальному ремонту. Суд подтвердил, что они проводятся по решению собственников помещений в МКД.
Апелляция отменила решение суда первой инстанции, сославшись на
Решение апелляционного суда оставил в силе Верховный Суд РФ. Предписания ГЖИ признали законными, и теперь управляющей организации придётся восстановить систему вытяжной вентиляции.
Почему, читайте дальше.
Восстановление системы вентиляции относится к текущему ремонту
Апелляционный и Верховный Суд РФ отказали управляющей организации в удовлетворении жалобы и обязали всё-таки выполнить предписания по определённым причинам.
УО посчитала, что систему вентиляции ей придётся делать с нуля. На самом доме, система вентиляции в доме была, просто находилась в неисправном состоянии. Восстановление работоспособности вентиляции относятся к работам по текущему ремонту, о капитальном ремонте речи не шло.
Текущий ремонт управляющая организация провести должна, потому что по условиям заключённого между ею и собственниками МКД договора управления УО приняла на себя обязательства по надлежащему содержанию общего имущества.
Суды отметили, что управляющая организация обязана поддерживать общее имущество в МКД в надлежащем состоянии, независимо от того, приняли или нет собственники решение о проведении тех или иных ремонтных работ и зафиксировано ли это в тексте договора управления.
Поэтому замечание управляющей организации о том, что у неё нет решения собственников на проведение ремонтных работ, суды не приняли во внимание. Дело касалось неотложных, текущих работ, направленных на исполнение обязательных требований по обеспечению нормативно установленного уровня содержания общего имущества МКД.
Учитывая всё вышеизложенное, суды не удовлетворили жалобу управляющей организации.
Содержание лестниц в многоквартирном доме
Запомнить
Восстановление работоспособности вентиляционных каналов в МКД относится к работам по текущему ремонту многоквартирного дома. Капитальным ремонт будет, если речь идёт о строительстве вентиляционного канала с нуля.
Обязанность по содержанию жилфонда в пригодном для проживания состоянии не зависит от принятия или непринятия собственниками имущества в МКД решения о проведении ремонтных работ и фиксации их в тексте договора.
Если такое решение не принято, это не считается препятствием для выполнения текущих работ, направленных на поддержание установленного уровня содержания общего имущества МКД.
Такие работы управляющая организация выполняет независимо от решения общего собрания.
Вентиляция в многоквартирном доме: устройство, схема
Вентиляция жилых зданий – один из ключевых пунктов в обеспечении комфортной воздушной среды для людей. Плохая циркуляция воздуха в доме может не только отрицательно сказаться на здоровье жильцов, но и потребовать растрат на дополнительные вытяжные системы. Действующие воздуховоды – это также один из главных пунктов обеспечения противопожарной безопасности. В этом материале мы объясним, как устроена вентиляция в многоквартирном доме и какие мероприятия могут увеличить эффективность её работы.
Назначение общедомовой вентиляции
Воздух в жилой квартире всегда подвержен загрязнениям. Дым от приготовления еды, испарения из ванной, неприятные запахи и пыль – все это оказывается в воздухе и создает неблагоприятные условия для жизни людей. Застоявшийся воздух может даже привести к развитию болезней – астмы и аллергии. Именно поэтому каждый многоквартирный дом должен быть оборудован общей системой вентиляции.
Функции вентиляции в жилом помещении:
- обеспечивать проникновение чистого воздуха в квартиры;
- вместе с отработанным воздухом выводить пыль и другие вредные для здоровья примеси;
- регулировать влажность в жилых и подсобных помещениях.
Бо́льшая часть городского населения нашей страны живёт в панельных домах, построенных ещё в советское время, другие – переселяются в новостройки. Обеспечение вентиляции жилых зданий по СНиП является обязательным требованием при строительстве домов. Тем не менее уровень вентиляции многоквартирных жилых зданий остаётся довольно низким. На системах воздуховодов при строительстве принято экономить.
На данный момент можно встретить следующие виды вентиляции в жилых домах:
- с естественным притоком и вытяжкой;
- с принудительным движением воздуха посредством вентиляционных установок.
В современных домах элитного класса системы отопления и вентиляции соотносятся с новейшими стандартами и создаются с применением специальной техники и материалов.
Вентиляция в панельном доме работает следующим образом. Вывод воздуха производится по вертикальным шахтам вентиляции вверх, благодаря естественной тяге. Он вытягивается за пределы дома через трубу, расположенную на крыше или чердаке. Когда воздух попадает в квартиру через открытые окна или двери, он устремляется к вентиляционным решёткам, расположенным в кухне и ванной комнате – где больше всего требуется очищение от дыма и влаги. Таким образом, застоявшийся воздух выводится в трубу, а чистый поступает в помещение через окна.
Если приостановить приток свежего воздуха, вентиляция будет работать неэффективно. Жильцы квартир в многоквартирных домах часто забывают о естественном проветривании помещения, когда устанавливают дополнительные вытяжные системы.
Вот перечень типичных ошибок во время ремонта, которые приостанавливают циркуляцию воздуха:
- установка глухих стеклопакетов из металлопластика;
- устранение просвета между дверным полотном и полами при замене межкомнатных дверей;
- монтаж осевых вентиляторов в туалете (сказывается на вентиляции соседних квартир).
При отделке жилых комнат стоит помнить о создании естественных путей для проветривания. Можно установить пластиковые окна со специальными клапанами, которые будут автоматически подавать воздух с улицы.
Межкомнатные двери стоит подбирать по размеру так, чтобы они не стояли вплотную к полу. При установке дополнительных вентиляторов, можно настроить их и на приток.
Схемы вентиляции жилых домов
В зависимости от планов по строительству, вентиляция может иметь совершенно разную конструкцию. В этом разделе мы попытаемся разобраться, как устроена вентиляция в панельном доме на схемах и поговорим о степени эффективности того или иного вида её проведения.
Самая удачная схема вентиляции в панельном доме – индивидуальная, когда каждая квартира имеет отдельный канал с выходом на крышу.
В этом случае вентиляционные шахты не соединяются между собой, улучшается тяга внутри трубы, а в дом не поступает загрязнённый воздух из соседских квартир. Другая разновидность такой схемы вентиляции в хрущёвке – из каждой квартиры отдельные каналы ведут к крыше, где соединяются в единую трубу, которая выводит воздушные массы на улицу.
К сожалению, довольно часто используется самый простой, но малоэффективный способ вентиляции, при котором воздух из всех квартир поступает в единую большую шахту – так же, как устроена вентиляция в хрущёвке. Это позволяет сэкономить место и расходы при возведении здания, однако обладает массой неприятных последствий:
- поступление пыли и неприятных запахов из других квартир – особенно этому подвержены жители верхних этажей, куда воздух поднимается естественным образом;
- быстрое загрязнение общей трубы вентиляции;
- отсутствие шумоизоляции.

Есть и ещё несколько способов вывода воздуха через вентиляционные шахты – с горизонтальными каналами на чердаке и выводом трубы на чердак без дымохода. В первом случае горизонтальные воздуховоды снижают тягу воздуха, а во втором – чердак загрязняется из-за отсутствия вывода на улицу. Схема вентиляции в хрущёвке и других постройках советского типа хотя и бюджетна, но неудобна для жильцов.
Принципиальные схемы некоторых систем естественной вентиляции жилых зданий: (а) — без сборных каналов; (б) — с вертикальными сборными каналами; (в) — с горизонтальными сборными каналами на чердаке; (г) — с тёплым чердаком
К счастью, существует современная система вентиляции, которая автоматически вытягивает и подаёт воздух. В её конструкцию входит вентилятор, который нагнетает воздух в шахту. Он обычно располагается в цокольном этаже здания. На крыше дома размещена вытяжная вентиляция такой же мощности, которая с силой выводит загрязнённые воздушные массы из воздуховода.
Это самая простая схема вентиляции в многоквартирном доме. Она может быть устроена и с применением энергосберегающего оборудования – рекуператоров. Задача рекуператора – отнимать тепло (или холод) от выбрасываемого воздуха и передавать его приточному.
Шахты вентиляции, как правило, идут из подвала многоэтажного дома, дополнительно обеспечивая его защиту от сырости и испарений. Вентиляция подвала обеспечивается с помощью естественной тяги, а в современных домах здесь устанавливают и приточные установки. Для отведения сырого воздуха из подвала используются общие шахты вентиляции, выходящие отверстиями на каждом этаже и в каждой квартире.
Проветривание подвала, места, где начинается система естественной вентиляции – одно из главных условий для её правильной работы. Для этого в стенах подвала делаются отверстия-продухи, через которые в цоколь поступает свежий воздух. Он не только снижает влажность у основания дома, но и создаёт тягу в общедомовой шахте.
Форма отверстий может быть простой – круглой или квадратной.
Расчёт вентиляции квартиры
Естественная или искусственная вентиляция жилого дома рассчитывается при строительстве здания специалистами, а жильцы дома получают квартиры с системой проветривания «по умолчанию». Изменить схему системы вентиляции в хрущёвке не получится, для этого будет необходимо серьёзное вмешательство в структуру здания. Однако с помощью различных устройств можно улучшить циркуляцию воздуха в своей квартире. Для этого необходимо провести расчёты.
Если вас не устраивает вентиляция в квартире, можно установить дополнительные вытяжки на кухню и вентиляторы на решётках в ванной.
При этом следует запомнить основное правило – количество вытягиваемого воздуха не должно превышать количество поступающего в квартиру. В этом случае системы проветривания будут работать максимально эффективно. Некоторые модели вытяжек и вентиляторов могут работать на приток воздуха – их стоит установить, если комната недостаточно проветривается через окна и двери.
Особое внимание стоит уделить мощности вытяжных устройств, для небольших квартир будет достаточно производительности от 50 до 100 м³ воздуха в час. Чтобы точно определить, какая нагрузка для прибора будет оптимальной, можно измерить количество воздушных масс в комнате. Для этого площадь квартиры суммируется и умножается втрое. Полученные объёмы воздуха и должны полностью проходить через вентиляторы в течение часа.
Организовать дополнительный приток воздуха можно с помощью кондиционеров, вытяжек и вентиляторов. В комплексе эти приборы будут выполнять основные задачи по вентиляции помещений:
- вытяжка в кухне будет очищать помещение от неприятных запахов, жира и дыма, наполняя его чистым воздухом;
- вентилятор в ванной — удалять влажный воздух;
- кондиционер — охлаждать и осушать воздух в помещении.

Эти устройства будут обеспечивать хорошую циркуляцию воздушных масс в разных комнатах и регулировать их чистоту – в ванной и кухне они просто незаменимы.
Количество приточного воздуха может превышать объёмы выводимого на 15–20%, но не наоборот.
Уход за домашней вентиляцией
Зачастую из-за засорения воздуховода или решётки выходного отверстия не работает вентиляция. Прочистить вентиляционные каналы самостоятельно можно в пределах своей квартиры, сняв решётку и почистив стенки трубы щёточкой, веником или пылесосом. Особое внимание необходимо уделить сетке, закрывающей вход в шахту – она работает как фильтр, на котором остаются все загрязнения.
Полная очистка общедомовой вентиляции проводится специальной службой по запросу жильцов.
Сначала проводится диагностика работоспособности вытяжных каналов и составляется план работ. Для проверки чистоты шахт зачастую используют видеокамеру на тросе – она позволяет определить места скопления грязи и места деформации трубы.
После этого начинается прочистка воздуховода. Профессионалы используют гири, пневматические щётки, ерши с грузом и другие инструменты. Рядовым жильцам не стоит заниматься такими работами – этим можно навредить целостности трубы.
Естественная вентиляция в многоэтажном доме не очень эффективна по сравнению с механической, но она реже требует чистки. Бригаду специалистов стоит вызывать раз в несколько лет при возникновении явных признаков загрязнения воздуховода. Автоматические системы проветривания испытывают большие нагрузки и требуют более тщательной очистки. Обслуживанием таких систем зачастую занимаются фирмы, которые их устанавливают.
Отслеживание работоспособности и увеличение эффективности домовой вентиляции – один из ключевых пунктов в создании здорового микроклимата в вашем доме. Проведя ряд мероприятий по улучшению проветривания своего жилища, вы избавите себя от пыли, неприятных запахов, продуктов работы кухни или ванной в воздухе.
Система вентиляции в многоквартирном доме схема
Назначение вентиляции
Недостаточная вентиляция оказывает непосредственное влияние на здоровье и самочувствие жильцов, проживающих в квартире.
Недостаток свежего воздуха провоцирует головную боль, подавленность, сонливость, быструю утомляемость.
В каждой многоэтажке согласно строительным нормам существует централизованная система вентиляции, представляющая собой совокупность вентиляционных шахт и каналов, выводящих отработанные воздушные массы из комнат на чердак или на улицу. Воздуховоды располагаются в перекрытиях, а их установка производится на стадии строительства.
Различают три подхода к организации вентиляции в многоэтажных постройках:
- Естественная система притока и вытяжки воздуха. Используется в большинстве типовых многоэтажек. Явное преимущество такого решения – работа без подключения к электропитанию.
- Принудительная вентиляция с использованием специальных установок. Применяется там, где мощности естественного воздухообмена оказывается недостаточно.
- Комбинированные вентиляционные системы используют сочетание механической и естественной вентиляционных систем.
Также возможно добавление домовую вентсистему дополнительных узлов.
Например, установка рекуператора (устройство, способное аккумулировать тепло от вытягиваемого воздуха и отдавать его приточному) позволяет сэкономить немало средств на отоплении.
Или другой элемент – дефлектор, который устанавливается на крыше, над выходным отверстием шахты. Выполняет две функции: защиту вентиляционной шахты от попадания атмосферных осадков и усиление тяги посредством энергии ветра.
Принцип работы и варианты устройства вентиляции
Приток уличного воздуха в помещения проходит через неплотно прилегающие оконные притворы или предусмотренные для этого в стеклопакетах из металлопластика каналы и клапаны.
Вытяжка производится через вертикальные шахты (как правило, проходят в санузлах и в кухонных помещениях), идущие от квартиры на крышу или чердачное помещение. Благодаря разности температур в помещении и на улице, в шахте возникает тяга, обеспечивающая движение воздуха.
Обратите внимание! В холодное время года тяга выше, чем летом.
В жаркую безветренную погоду, напротив, осуществление естественной вентиляции фактически не происходит.
Поток свежего воздуха продвигается по комнатам, постепенно смешиваясь с отработанными воздушными массами, после чего через вытяжные каналы и удаляются из помещения.
Если поток воздуха перекрывается, нормальная циркуляция воздуха в квартире становится невозможной.
К нарушению этого процесса ведут такие действия:
- Установка глухих оконных рам.
- Монтаж дверных проемов без зазора между полом и дверным полотном.
- Постоянно закрытые межкомнатные двери.
- Установка периодически включающихся вентиляторов на входах в вентиляционные шахты.
Разумеется, это ни в коем случае не должно явиться поводом для отказа от межкомнатных дверей или удобных пластиковых окон. Для нормального воздухообмена достаточно установить в дверные полотна переточные решетки, в окна врезать специальные клапаны, а при установке вентиляторов следить, чтобы они не блокировали полностью вытяжной канал.
О неправильной работе вентсистемы свидетельствуют образование конденсата на стенах, запотевшие окна, образование плесени.
Для многоквартирных домов допускается несколько вариантов устройства вентиляции:
- От каждого помещения в каждой квартире на крышу идет отдельная шахта. Способ удобен тем, что в квартиру ни при каких условиях не проникнут запахи от соседей. Тяга здесь также сильнее и стабильнее. Застройщики используют такой способ нечасто, поскольку его реализация требует большого количества труб и дополнительных трудозатрат. Кроме того, в многоэтажных постройках для такой системы вентиляции потребуется слишком много места.
- Вытяжные каналы из отдельных помещений подходят к общему сборному каналу на чердаке, откуда выводится на улицу. При недостаточном диаметре вентканала, отработанные воздушные массы способны проникать в помещения, расположенные на верхних этажах. Из-за этого верхние этажи часто подсоединяют к шахте напрямую, минуя коробтсборника.
- Вентиляционные каналы выводятся непосредственно на чердак, который выполняет роль своеобразной промежуточной вентиляционной камеры.
Оттуда через сборный канал отработанный воздух уходит на улицу. Не очень удобный способ, поскольку на чердаке будут скапливаться не только всевозможные запахи, но и обилие влажного воздуха. Это приведет к образованию конденсата, появлению плесени и ускоренному разрушению строительных материалов. Для уменьшения конденсата каналы должны иметь хорошую теплоизоляцию. - Древообразная структура системы вентиляции. К общему вертикальному стволу подходят мелкие каналы от отдельных помещений. Способ экономный, а посему и самый распространенный. Главная проблема такого решения – при нарушении тяги запахи из одной квартиры будут проникать в соседние.
Обратите внимание! Независимо от способа организации вентиляции наиболее уязвимы к нарушениям в ее работе квартиры на верхних этажах. Здесь минимальное расстояние до выхода вытяжного канала и, следовательно, самая малая тяга. Возможные способы решения – использование принудительной вентиляции или отдельных вентиляционных каналов большей высоты.
Важность вентиляции в многоэтажном доме
Многоэтажный дом – место круглогодичного проживания большого количества людей, семей с детьми и домашними животными. Говорить о том, какая поддерживается тепловая атмосфера в них не стоит. Строят здания из герметичных материалов, их утепляют, устанавливают пластиковые окна. Перечисленные факторы мешают естественному воздухообмену.
В каждой квартире многоэтажного дома ежедневно моют посуду, принимают горячий душ, делают влажную уборку, расчесывают волосы. Часто живут домашние животные: кошки, собаки, грызуны или попугаи. Чтобы избавиться от испарений влаги, неприятных запахов, пыли вытяжная вентиляция многоэтажных жилых зданий просто необходима.
Воздухообмен способствует формированию нормального микроклимата, защищает потолок и стены от плесени, а металлические изделия от ржавления.
Вентиляционная шахта в высотном здании предусматривается инженерами во время проектировки. Наибольшее внимание уделяется воздухообмену в жилых помещениях с повышенным испарением.
Правильно работающая вентиляция — необходимость в многоквартирном доме!
Требования к общедомовой вентиляции
Система вентиляции в многоквартирном доме призвана обеспечивать отток загрязненных воздушных масс и постоянный приток новых. Часто жители высоких этажей ощущают на себе недостаточную тягу, в помещении кухни скапливаются запахи, а в углах комнат пыль. Эти признаки указывают на неполадки в функционировании вентиляции.
К вентиляционной системе в высотных домах выдвигаются такие требования:
- Воздухообмен в кухне должен осуществляться со скоростью 60 куб. м воздуха за час, в ванной 25 куб. м за час.
- Скорость воздухообмена в других жилых комнатах должна быть кратна 0,2 от общего объема помещения.
- Циркуляция воздуха должна быть непрерывной.

- Вентиляция не должна приводить к снижению температуры воздуха в квартире.
Каждое из требований учитывается во время составления схемы вентиляции при проекте постройки здания. Дома сейчас и десятилетия назад строили быстро, поэтому в работе вентиляции есть недостатки. Со временем они усугубляются и мешают осуществлению циркуляции воздуха. Исправлять неполадки приходится хозяевам квартир. Переоборудовать вентиляцию в многоэтажном здании нельзя.
Переоборудовать систему вентиляции в многоэтажном доме запрещено
Недостатки в работе вентиляции
Недостатком схемы с горизонтальным коробом является наличие обратной тяги. Она появляется, если крышку в горизонтальном коробе установили слишком низко. От обратной тяги страдают жители верхнего этажа. Устранить недостаток можно двумя способами:
- Увеличение диаметра короба в 2,5 раза, установка внутри «рассечек».
- Обустройство вентиляционных каналов верхних этажей отдельно от общей системы, заводить их в шахту выше короба.

Все работы должны осуществляться профессионалами. Отдельные каналы верхних этажей требуют утепления.
У второй схемы проекта вентиляции есть недостатки:
- слабая тяга на верхнем этаже;
- не работает вентиляция при открытых дверях на чердаке.
Устранить недостаток работы воздуховода в подъезде многоквартирного дома можно, удлинив выходы каналов. На них надевают трубы длиной 1-1,5 метра. Места соединений обязательно обрабатывают герметизирующим материалом.
Приточно-вытяжная вентиляция в квартирах
Естественная система притока и удаления воздуха важна для каждой отдельной квартиры в многоэтажном доме.
Движение воздуха в квартире реализуется с помощью нескольких простых приемов:
- Вытяжные каналы общей системы естественной вентиляции имеют выходы в ваннах, туалетах и кухнях.
- Чистый воздух поступает в комнаты через открытые окна и форточки.
- Чтобы воздух мог двигаться свободно из комнаты в комнату, под межкомнатными дверями оставляют промежутки (1–2 см).

Такой план вентиляции жилой квартиры очень простой, но не всегда эффективный. Система воздухообмена со временем засоряется и перестает полноценно исполнять свои функции. Самостоятельно чистить каналы жильцам запрещено, это делают бригады специалистов.
В старых постройках естественная вентиляция осуществляется через щели в оконных рамах и под плинтусами.
Принудительная вентиляция в квартире
Движущей силой в работе естественной вентиляции является разница температур и давлений. Механический воздухообмен осуществляют специальные приборы.
Есть несколько методов механической вентиляции жилого помещения:
- кухонные вытяжки;
- вентиляторы;
- приточные клапаны.
Вентиляторы соединяют с общим вытяжным каналом. Приточные клапаны устанавливают в стены или у окон. Вытяжка в зависимости от типа может подключаться к вентиляции или работать как фильтр.
Если естественная вентиляция в многоквартирном доме по каким-либо причинам не выполняет своих функций, нужно установить в кухне вытяжку, а в ванной и туалете – вентиляторы. Приточные клапаны можно поставить в любой комнате.
Критерии выбора, типы и элементы вентилирования в многоквартирном доме
Наличие тех или иных элементов будет напрямую зависеть только от типа системы. Но, независимо от выбранного варианта, будет содержать в себе такие обязательные составляющие:
- воздушные каналы;
- вентиляционную шахту;
Не зависимо от типа, она будет обязательно приточно-вытяжной. Соответственно, нужно обеспечить не только вытяжку, но и приход в том же объеме.
В зависимости от типа побуждения начала тяги, такие системы принято разделять на:
- естественную — тяга появляется за счет разницы температур и давления на улице и в помещении;
- комбинированную — вытяжка или нагнетание осуществляется электромеханическим способом;
- принудительную — тяга и нагнетание происходит при помощи специальных вентиляторов и прочих устройств.

Если в многоэтажном доме применяется естественная вентиляция жилых зданий — наличие вентшахты обязательно.
Схема типичной общедомовой вентшахты
Требования к ее обустройству просты и едины для всех зданий:
- герметичность;
- пропускная способность соответствует проектному объему;
- соответствие санитарно-гигиеническим нормативам;
- пожаробезопасность.
Также, в зависимости от схемы воздухообмена, система может быть с перемешиванием или с вытеснением. Первый способ характерен для непроницаемых стен с пароизоляцией. Приток идет через вентиляционные отверстия и различные щели. По причине относительно высокой начальной скорости, уличный свежий смешивается с загрязнённым воздухом. При неправильной организации потоков, вытянуть загрязненный с примесями воздух таким способом будет сложно.
Для выбора типа вентиляции необходимо учитывать все факторы, такие как:
- количество этажей;
- место расположения относительно других сооружений;
- уровень внешних шумов;
- загрязнённость окружающей среды.

Для домов с внутриквартальным расположением и шумностью до 51 дБА рекомендуется установка вентиляции естественного типа. Если здание расположено в особо загрязненном месте, или уровень шума более 51 дБА, необходимо применять приточную систему и желательно осуществлять фильтрацию.
Обустройство элементов вентиляции в высотном здании
Месторасположение забора воздуха с улицы оборудуется в определенных местах, в зависимости от того, как устроена вентиляция в многоквартирном доме. Если нагрев втягиваемого воздуха в рассматриваемой системе не предусмотрен, его необходимо завести как можно ближе к потолку помещения. Это обеспечит его полное перемешивание с более теплым воздухом комнаты.
Чтобы проникающий воздух подогревался под воздействием отопительных приборов, установленных в квартире, ввод осуществляют около этих приборов.
Когда подогрев происходит непосредственно в нагнетателях, подача оборудуется внизу помещения.
Несмотря на тип системы, приток происходит только в жилых комнатах, а вытяжка в кухне и санузле.
Отверстие для вытяжки обустраивают на высоте не менее 2 метров от пола. Схема вентиляции в многоэтажном доме предполагает отсутствие движения воздуха из санитарных и дополнительных помещений в комнаты проживания.
Вентканалы разных помещений с естественной вытяжкой загрязненного воздуха рекомендуется предусматривать раздельными, исключая одноуровневые сборки. Если такая возможность в многоквартирном здании отсутствует, необходимо предусмотреть подведение отдельных труб в одну вертикальную шахту.
Особенности обустройства и функционирования в панельных домах
Если говорить о таком распространенном виде домов, то там воздухообмен устроен по естественному принципу. Точно так же устроена система и в старых домах из кирпича, а так же в низкобюджетных новостройках. Всасывание уличного воздуха происходит сквозь щели и неплотности в старых рамах или через особые отверстия, предусмотренные в современных пластиковых.
Отвод в них происходит за счет наличия постоянной тяги, присутствующей внутри вентиляционной шахты-канала, которая возвышается над коньком крыши или выходит в чердачное помещение.
Уличный воздух, попадая в жилые помещения через окна, благодаря тяге в канале, стремится к вытяжному отверстию в санузле или вытяжке на кухне. Получается, что воздух, проходя через все помещения квартиры, постепенно вытесняет загрязненный на улицу.
Порядок работы вентиляции на примере типового проекта
Самый распространенный панельный проект — это девятиэтажный дом. Принцип функционирования вытяжки у них одинаковый. Воздух с улицы, через окна и щели, попадает в квартиру. Вытяжка происходит через вентканалы-спутники на кухне или ванной комнате. К основной трубе подводят один, реже несколько каналов от вытяжки. Эти каналы подсоединяются к основной шахте через два этажа. Эти шахты достаточно громоздки и занимают много пространства. Такой системой, скорее всего, будет оборудован крупнопанельный дом.
Такая схема у дома из 9 этажей предполагает присутствие теплого чердака. Отвод с 8 и 9 этажей выходит прямо в атмосферу, минуя общий канал. Схема для 9 этажного дома проектировалась из расчета полного отсутствия ветра и наружной температуре воздуха +5.
Несмотря на то, что естественная вентиляция в таких домах является не слишком эффективной, обслуживания она почти не требует, засоры возникают редко. Были случаи, когда вентиляционные каналы засорялись строительными материалами во время возведения дома. Такой сюрприз сказывался в последствии на качестве вытяжки. Чаще всего чистка шахты требуется один раз в 5-6 лет.
Во время ремонта многие люди перекрывают путь потоку воздуха в каком-либо месте. Они по незнанию думают, что на вытяжку это не повлияет, но процесс воздухообновления в квартире затрудняется или прекращается полностью.
Наиболее распространенные действия, приводящие к помехам и сбоям в работе естественной вентиляции:
- установка герметичных пластиковых окон;
- межкомнатные двери с уплотнителем;
- монтаж различных вентиляторов в вытяжке.
Чтобы не нарушить работу тяги естественной вентиляции, запрещено устраивать затруднения притоку и оттоку воздуха. Для пластиковых окон необходимо вмонтировать приточные отверстия или устроить внешний приток отдельно.
Двери между помещениями оборудуются внизу решетками. Сечение канала вытяжки не должно перекрываться вентиляторами.
Возможные варианты обустройства вентиляции в многоэтажках
Современная вентиляция в панельном доме обустраивается с одинарными вытяжными трубами. Из сантехпомещений, с каждого этажа на крышу идет своя труба. В таком варианте отсутствует возможность проникновения посторонних запахов и вся система функционирует равномерно и надежно.
Еще один неплохой вариант, когда все вертикальные каналы приходят в общий горизонтальный сборный коллектор, который располагается на чердаке. Воздух из него выходит на улицу через одну общую трубу.
Самым нестабильным способом можно назвать вариант, когда маленький канал–спутник из каждой квартиры входит в общую вентшахту. Такая схема вентиляции в панельном доме существенно дешевле в обустройстве и увеличивает жилую площадь, но постоянно приносит кучу проблем жителям. Наиболее часто встречающаяся — это перетекание различных запахов из одной квартиры в другую.
Вент. шахта с каналом-спутником
Лучшим вариантом вентиляции являются электромеханические системы принудительной подачи и вытягивания воздуха. Они применяются в современных новостройках, кроме низкобюджетных. Приточная установка такой системы находится в подвальном помещении или сбоку основного здания. Она подает отфильтрованный и подогретый, либо охлажденный, воздух во все комнаты и помещения. На крыше, в свою очередь, установлен вытяжной электровентилятор точно такой же расчетной мощности, как и приточный. Он призван удалять загрязненную смесь из квартир через вытяжки.
Это одна из примитивных схем устройства. Более сложная, которой можно оборудовать современный высотный дом, обустраивается с применением новых энергосберегающих технологий. Например, рекуператоры — устройства, позволяющие отбирать тепло или холод от вытягиваемого воздуха и отдавать его приточному.
Кто должен чистить вентиляцию в многоквартирном доме
Проверка вентиляции в многоквартирном доме делается так: приложите к вытяжной решетке лист бумаги или бумажную салфетку.
Если лист или салфетка не держится на решетке, значит, с вентиляцией проблемы.
Возможные причины отсутствия тяги:
- Шахта попросту не действует. Если дом старый, а шахта сделана из бетонных блоков, то на их стыках могут возникнуть трещины.
- В шахте засор. В воздуховоды попадают пыль, мелкий мусор, насекомые. На кухонной вытяжке могут образоваться жировые отложения.
- Нет притока. Если в квартиру не поступает свежий воздух, нечему вытеснять отработанный. При этом производительность притока и вытяжки должна быть примерно равна: воздуха, проходящего через маленькую оконную щелку, не хватит для полноценной вентиляции.
Самостоятельно можно только прочистить решетку на своем вытяжном отверстии; очисткой вентиляционных шахт занимаются специалисты. Если вентиляция не работает, проводится диагностика: в шахту спускается видеокамера, которая обнаруживает причину засора. Затем пневматической щеточной машиной убирается вся грязь.
Вентиляция должна пройти не только очистку, но и дезинфекцию.
Распылитель с гибкой трубой проводится к середине шахты и очищает ее стенки антибактериальным раствором. Для более качественной обработки можно обратиться в санитарно-эпидемиологическую службу: специалисты проведут анализ бактериальной среды в вентиляции и подберут индивидуальное дезинфицирующее средство.
Как производится вентиляция канализации?
Вывод неприятных канализационных запахов также необходим для комфортного проживания в многоквартирных домах. Система «проветривания» канализации упрощена до минимума: газы выводятся через тот же самый стояк, что и осуществляется отвод стоков.
Чтобы неприятные запахи не беспокоили жильцов, стояк оборудован продолжением, выходящим на крышу, – вентиляционной (фановой) трубой.
На схеме хорошо видно, как устроена вентиляция канализации. Все квартирные сантехнические приборы «привязаны» к общему стояку, который с одной стороны заканчивается фановой трубой, с другой – выпуском, ведущим к централизованной городской сети
Зная схему, можно понять, почему работы по перепланировке санузлов требуют разрешения.
Если изменить расположение стояка или подключить большое количество сантехнических приборов, работа вентиляционной системы может быть нарушена.
При оборудовании канализационной сети с учетом вентилирования системы руководствуются СНиП 2.04.01-85.
Естественная вентиляция МКД
Пример приточно-вытяжной системы
Жилые дома массовой застройки (типовые) традиционно оборудуются естественной приточно-вытяжной вентиляцией. Принцип работы основан на разности давления и температуры внутреннего/наружного воздуха. Для приточки используются окна, вытяжка осуществляется через вентшахты, расположенные в стенах здания.
В советское время использовалась громоздкая, не всегда оправданная схема вентилирования: от каждой решётки отходил свой канал до чердака, а там они объединялись в один большой, выходивший в вытяжную шахту.
В современном строительстве метод индивидуальных каналов используется для МКД до 4 этажей.
Современные МКД выше четырех этажей оборудуются вентиляцией по схеме «ствол-спутник».
Это оптимальное решение, удовлетворяющее требования нормативной документации.
Схема «ствол-спутник»
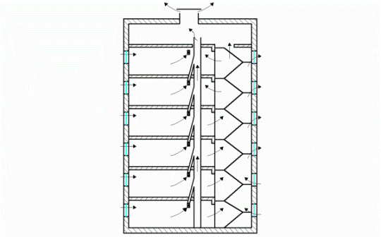
Схема вентиляции с каналами-спутниками
Вентиляция по данной схеме состоит из вертикального сборного канала (ствол) и его боковых ответвлений (спутники). Такая система обеспечивает вытяжку из кухонь, туалетов и ванн. Через вытяжное отверстие воздух поступает в боковой канал, на уровне межэтажного перекрытия он попадет в магистральный сборный канал. Данная схема отличается повышенной аэродинамической устойчивостью и проходит по всем требованиям противопожарной безопасности.
Существуют два вариант исполнения: первый предусматривает отдельное боковое ответвление для каждой заборной точки; второй позволяет запитать кухню и санузел через одно боковое ответвление (но только, когда оно находится не мене, чем на 2000 мм выше обслуживаемых комнат). Это требование продиктовано аэродинамическими свойствами.
Один или два последних этажа могут быть подключены по отдельной схеме.
Это вызвано невозможностью подключения боковых ответвлений к основному стволу из-за конструктивных особенностей здания.
На чердак воздух поступает из нескольких сборных вертикальных каналов. Так что чердачное помещение – горизонтальный отрезок общедомовой вентсистемы. Через вентиляционные шахты, одну или несколько для каждой секции, он удаляется в атмосферу. Чтобы уменьшить теплопотери, чердак должен быть утепленным.
Воздуховоды выполняются в двух вариантах. Для типовых многоквартирных домов используется поэтажный вентблок, он бывает кирпичный или железобетонный (панельные дома 86 и 800 серии). Элитное жилье, а также многие современные МКД оборудуются стальными вытяжными воздуховодами.
Основное положительной свойство схемы вентилирования «ствол-спутник»» – отсутствие энергетических затрат. Движение воздушных масс происходит за счёт физических и аэродинамических законов.
Строение вентблока
Пример строения вентблока
Вентиляционный блок состоит из центрального канала с одним или несколькими ответвлениями и переходного клапана.
Практически все схемы вентилирования многоквартирных домов предусматривают подключение боковых ответвлений на каждом этаже. Но так было не всегда, раньше узлы соединения ставились через 2-5 этажей.
Между собой блоки соединяются цементно-песчаным раствором, это быстрый, но ненадёжный способ герметизации: может шов сместиться или раствор заполнить внутренне пространство, тогда интенсивность работы вентиляции уменьшится. Для предотвращения нежелательных последствий швы герметизируются силиконовым клеем.
Пример вентиляции 9 этажного дома
В стандартном жилом доме советской эпохи 9 этажей. Приточно-вытяжная вентиляция с естественным побуждением, приток осуществляется через окна и двери, а вытяжка работает по схеме «ствол-спутник». В большей части проектов чередование боковых отводов происходит через два этажа, но иногда встречается и поэтажная схема. Из квартир последних двух уровней воздух вытягивается по отдельным каналам, а не в общую шахту.
Схема вентиляции стандартного жилого дома
Расчёт мощности вентсистемы ведётся по партерам без ветра, принимая среднюю температуру снаружи, равную +50С.
Недостатки в работе естественной вентиляции
Вентблок схожей конструкции применяются в 10-этажном и 25-этажном домах. Это приводит к просадке воздушных масс: они не успевают набрать достаточную скорость для выброса отработки из ответвлений квартир последнего уровня. Если нет ветра или он дует на противоположный фасад, то жильцы последних этажей могут ощущать запах из нижележащих квартир.
В сильную жару, даже если все окна открыты, интенсивность проветривания при классической схеме естественного вентилирования значительно падает, поэтому для создания комфортных условий микроклимата рекомендуется устанавливать кондиционеры.
Вентиляция подвала
Вытяжное вентилирование подвальных помещений осуществляется по одинаковой с основным зданием схеме. Если нет окон, то подача свежего воздуха осуществляется через отдушины и отверстия в цокольной части здания. Снаружи они закрываются решетками.
ОтдушиныВ последнее время наблюдается тенденция, когда жильцы многоквартирного дома заделывают отдушины.
Это строго запрещается и является нарушением условий эксплуатации.
Расчет вентиляции жилого дома
Необходимо отметить, что принудительная и естественная вентиляция многоэтажного дома рассчитывается серьезными проектными организациями. Жильцам же она достается в готовом виде и что-то в ней поменять без вмешательства в строительные конструкции здания не удастся. Тем не менее с помощью различного дополнительного оборудования можно улучшить воздухообмен, для чего потребуется простой расчет.
К примеру, вентиляция в панельном доме работает плохо, а вы хотите иметь в пределах своего жилища благоприятную для здоровья воздушную среду. Тогда вам следует запомнить одну закономерность: количество приточного воздуха должно быть не меньшим, чем удаляемого всеми вытяжками. Имеется в виду, что для повышения тяги на выходах в шахту уже установлены осевые вентиляторы. Чтобы они не молотили воздух на месте и вытяжная вентиляция функционировала нормально, следует поставить агрегаты той же производительности на приток.
Совет. Не устанавливайте на кухне и в ванной слишком мощные вентиляторы. Для однокомнатной квартиры хватит производительности 50 м3/ч для каждого, двух – или трехкомнатной – до 100 м3/ч.
Организовать принудительный приток с очисткой и подогревом можно с помощью небольших установок, встраиваемых в стену. Обычно система вентиляции жилого дома состоит из нескольких подобных агрегатов, расположенных в разных комнатах. Своей работой они обеспечивают баланс воздушной среды в помещениях и ее чистоту. Кстати, количество притока может даже преобладать над вытяжкой в пределах 15%, вреда от этого не будет.
Выводы и полезное видео по теме
Для улучшения вентиляции собственными силами необходимо посоветоваться с профессионалами и выбрать наиболее экономичный и действенный способ.
Экспертные мнения специалистов:
О равномерной работе двух и более вентиляционных каналов:
youtube.com/embed/k5Esw1CjO9c” allowfullscreen=”allowfullscreen”/>
Для чего нужны турбодефлекторы:
Как установить приточный клапан:
Естественный режим вентиляции, характерный для многоквартирных домов, не всегда оправдывает себя в полной мере. Если в здании не предусмотрена принудительная централизованная сеть, то организовать приток/отток воздуха можно самостоятельно, с помощью бытовых устройств.
Заключение
Необходимо отметить, что естественная вентиляция многоквартирных домов не слишком эффективна, но и засоряется не так уж часто. Правда, иногда каналы забивались строительным мусором еще на стадии возведения здания и это создавало большую проблему впоследствии. В обычных условиях очистка шахты от налета и паутины производится 1 раз в несколько лет.
Источники
- https://TopVentilyaciya.ru/ventilyaciya/v-mnogokvartirnom-dome.html
- https://vozduhstroy.ru/ventilyaciya/v-mnogokvartirnom-dome.html
- https://VentilyaciyaDom.ru/kvartiry/ustrojstvo-problemy-funktsionirovaniya-mnogoetazhnyh-domah.html
- https://tion.ru/ventilyaciya/v-mnogokvartirnom-dome/
- https://sovet-ingenera.com/vent/raschety/sxemy-sistem-ventilyacii-v-mnogokvartirnom-dome.html
- https://m-e-g-a.ru/ventilyatsiya/kak-sozdaetsya-shema-ventilyatsii-v-mnogoetazhnom-dome
- http://venteler.ru/ventilyaciya/ventilyaciya-v-mnogokvartirnom-zhilom-dome-sxema-ustrojstvo.html
[свернуть]
Устройство и требования к организации вентиляционных систем в многоквартирных домах
Что это такое?Естественное устройство вентиляции в многоэтажных домах на деле выглядит достаточно просто и понятно.
Свежий воздух поступает в наши квартиры через открытые форточки, окна и балконы, то есть когда мы проветриваем помещения.
Отвод отработанного воздуха при естественной системе осуществляется через вентиляционные каналы и шахты. Из квартир по шахтам и через воздуховоды на кровле отработанный воздух выходит в атмосферу. Движение воздуха осуществляется за счет естественной тяги.
Как устроена вентиляция в многоквартирном доме?
Как уже было указано выше, в многоквартирных домах (в большинстве случаев) действует естественная система. Один из компонентов таких систем – вентиляционные шахты и каналы, которые различаются по устройству в зависимости от типа дома.
Так, в малоэтажных домах создаются индивидуальные системы шахт и каналов, которые идут от каждой квартиры и могут сразу соединяться с общей шахтой. Тот же принцип устройства вентиляции в многоэтажных домах работать не будет или будет работать неисправно. Поэтому в высотках на каждые несколько этажей приходится еще и промежуточная шахта, которая «проводит» отработанный воздух из квартир в основную вентиляционную шахту.
Требования и нормативы вентиляционных систем в многоквартирных домах
Вентиляция в многоэтажных домах организовывается в соответствии со стандартами гражданского строительства и действующими строительными нормами. Что это за нормы и стандарты?
- Схема вентиляции в многоэтажном доме разрабатывается в соответствии с климатическими особенностями региона, а именно с температурным режимом.
- Разница температур, на которую рассчитана вентиляционная сеть, должна составлять 5 градусов.
- Строительный стандарт, который берется за основу, это разница давлений наружного и внутреннего воздуха. Неправильный расчет параметра приведет к тепловым потерям в доме.
- На этапе планирования должен быть произведен фактический расчет кратности воздухообмена в жилых помещениях исходя из стандарта 3 куб. м на 1 кв. м площади на 1 человека. Например, кратность в жилых комнатах должна составлять 25 куб. м в час на человека.
- тип окон;
- элементы вентиляции в квартирах;
- канал воздухообмена;
- тип помещений и т.
д.
- Чтобы в жилое помещение поступало достаточное количество воздуха, оно должно иметь исправные открывающиеся окна и форточки.
- Движение воздуха должно осуществляться, даже если закрыты внутренние двери.
- В воздушных каналах дома запрещается прокладка кабелей, проводки, газопроводов и других сторонних устройств.
- Системы воздуховодов не могут пересекаться с другими системами коммуникации.
- Каналы вентиляции должны иметь определенные размеры: 150 кв. см – ванна и санузел (раздельные), 100 кв. см – совмещенный санузел, 100 кв. см – комнаты, 150 кв. см – кухня.
Механическая, или принудительная, система вентиляции монтируется редко, но требуется, когда естественный воздуховод работает неисправно или не справляется со своими функциями.
Механическая система вентиляции – это организация воздухообмена в многоквартирном доме за счет установки приточного оборудования.
Это может быть:
- установка приточных устройств в каждой квартире, например, специальных клапанов;
- установка приточных устройств общего типа, например, централизованных вентиляторов на весь дом.
Вентиляция в многоэтажном жилом доме
Если система вентиляции в многоэтажном жилом доме не функционирует должным образом, то нечего и надеяться на то, что в квартире будет комфортно находиться. Неприятные запахи, необходимость постоянно проветривать помещение, а также повышенная влажность воздуха – все это не доставит удовольствия ни одному человеку.Эти проблемы часто происходят из-за того, что вентиляционная труба загрязняется, и система не может работать нормально. Чтобы не мучиться от подобных неприятностей и не рисковать здоровьем, давайте разберемся, кто должен чистить вентиляцию в многоквартирном доме и куда обращаться при возникновении необходимости провести эти работы.
Как проверить эффективность работы вентиляции в квартире
Первое, что вам следует сделать, это проверить вентиляцию. Для этого возьмите небольшой обрывок газетной бумаги и поднесите его к решетке системы вентиляции в квартире многоэтажного дома. Если бумага в руке не начала слегка колебаться, то систему пора чистить. Но, прежде чем обращаться в управляющую компанию, попробуйте сделать это у себя в квартире самостоятельно. Возможно, это будет проще и быстрее и принятые меры полностью исправят ситуацию.
Чистка вентиляции
Попробовать прочистить вентиляцию можно обычным ершиком для мытья унитазов. Снимите решетку, немного намочите ершик и прочистите вентиляционный канал насколько хватает длины ершика. Будьте готовы к тому, что из канала обильно посыплется грязь и пыль, и заблаговременно застелите пол. Вентиляционные решетки тоже нужно вымыть – они регулярно забиваются. Если после такой экспресс-чистки ситуация не изменилась, то, по-видимому, без специалиста вам все же не обойтись.
Чистку вентиляции УК должна осуществлять по запросу пользователей бесплатно – в рамках текущего обслуживания общедомового имущества, но это касается только общих вентшахт. Если в вашей квартире присутствуют внутриквартирные воздуховоды, то их чистка – уже ваша обязанность. Управляющая компания обычно предоставляет услуги их чистки за отдельную плату.
Замена внутриквартирной вентиляции
Если вы при осмотре внутриквартирной вентиляции вы заметили, что ее конструкции повреждены, а это нередко бывает в домах так называемого старого фонда, то лучшим выходом будет произвести ее замену. В современных магазинах вы найдете трубы из пластика или металла, которые легко можно установить самостоятельно.
Если самостоятельно вы сделать такую работу не можете, то придется вызывать мастера, хотя, конечно, вам потребуется оплатить его услуги. Современное законодательство четко говорит о том, что за вентиляционными трубами, находящимися в пределах приватизированной квартиры, следить должен владелец, а никак не управляющая компания.
Поэтому в этом случае оплатить услуги мастера придется вам.
Кстати, многие люди повышают эффективность работы системы вентиляции, устанавливая специальный моторчик. При его включении воздух будет принудительно прогоняться через систему, поэтому подобные устройства рекомендуют ставить в помещениях с повышенной влажностью, таких как санузел. Стоимость подобного моторчика относительно невелика, работает он от обычной электросети и совершенно не заметен за решеткой вентиляции. Многие мастера советуют установить такой прибор, чтобы в будущем не иметь проблем с вентиляцией.
Последний совет, который хотелось бы дать всем людям, проживающим в домах старого фонда (именно эти здания чаще всего отличаются не слишком хорошей вентиляцией), звучит так: если вы точно знаете, что трубы системы не менялись чуть ли не с момента постройки дома, то сделайте ремонт до того, как появятся проблемы. Иначе в самый неожиданный момент вы можете столкнуться с тем, что замену трубы придется проводить вне зависимости от вашей готовности вкладывать деньги в закупку материала и оплату труда мастеров.
Памятка для жителей дома Вентиляция в многоквартирном доме
Системы вентиляции могут быть приточными, приточно-вытяжными и просто вытяжными (с естественным побуждением). В 80 процентах МКД вентиляция вытяжная (с естественным побуждением): отработанный воздух из помещений вытягивается через вентиляционные шахты и каналы наружу, а свежий должен поступать через окна, двери или специальные приточные клапаны. Приток в квартиру наружного воздуха должен быть постоянным.
Причины нарушения работы вентиляции:
— установка герметичных оконных и дверных блоков препятствует поступлению наружного воздуха в квартиру и делает естественную вентиляцию недостаточной.
-самовольное переоборудование вентканалов, установка вытяжных вентиляторов повышенной мощности на кухне, не правильный монтаж осевых вентиляторов в санузле.
— не допускается заклеивать вытяжные вентиляционные
отверстия и уменьшать их размеры, закрывать предметами обихода, так как это
резко ухудшает циркуляцию воздуха в жилом помещении, приводит к его застою и
образованию сырости на наружных стенах, особенно если они заставлены мебелью
или завешены коврами.
— еще одной серьезной причиной нарушения работы системы вентиляции в квартире может стать вытяжка, вмонтированная в вентиляционное отверстия кухни, так как, подключая ее воздуховод, полностью перекрывается вентиляционное отверстие. Вытяжной зонт работает только во время приготовления пищи и не способен осуществлять воздухообмен в квартире и на кухне – он предназначен исключительно для вывода загрязненного воздуха из пространства над плитой.
Для создания и поддержания нормальных условий проживания в квартире следует помнить, что:
— окна должны иметь открывающиеся створки, фрамуги, форточки или специальные вентиляционные устройства, необходимые для постоянного притока наружного воздуха;
— при выполнении работ, связанных с избыточным влаговыделением, необходимо организовать поступление наружного воздуха в квартиру (проветривание), обеспечив тем самым функционирование системы вентиляции по удалению избыточной влаги;
— 1-2 раза в сутки необходимо осуществлять «залповое» проветривание жилых комнат в течение 3-5 минут, что позволит избежать негативных последствий, связанных с нарушением влажностного режима;
— не допускается заклеивать, уменьшать площадь сечения
вентиляционных отверстий, перекрывать их воздуховодами от вытяжек и
вентиляторов, самовольно изменять и вмешиваться в работу системы вентиляции.
Не забывайте своевременно допускать сотрудников специализированных организаций (ООО «Союзспас», ООО «Ярпожбезопасность») для проверки вентканалов и дымоходов.
Эффективная работа системы вентиляции является залогом создания благоприятных условий для здоровья проживающих.
Вентиляционные отверстия в многоквартирных домах
По мере того, как многоквартирные дома становятся выше и их вместимость увеличивается, надлежащая вентиляция продолжает оставаться проблемой. Владельцы и арендаторы стремятся стать более энергоэффективными, и это также создает уникальные проблемы для обеспечения надлежащей вентиляции. Многоквартирные дома всегда подвергаются риску переноса воздуха от одного блока к другому, поэтому застоявшийся воздух постоянно рециркулирует. Также существует вероятность попадания в наружный воздух загрязнителей, которые ухудшают качество воздуха в доме.
Важно понимать, как работают системы вентиляции в многоквартирных домах, и как можно использовать эти знания, чтобы уменьшить количество некачественного воздуха и необычных или отвлекающих запахов.
Схема вентиляции в многоквартирных домах
Системы вентиляции в многоквартирных домах обычно строятся по трем основным направлениям: естественная вентиляция, механическая вентиляция и гибридная вентиляция.
Естественная вентиляция
Естественная вентиляция просто заключается в открытии окон и дверей в вашем многоквартирном доме.Открытие окон позволяет застоявшемуся воздуху выходить наружу, а свежий воздух – поступать внутрь. Плохо закрытые окна и двери также могут привести к естественной вентиляции, когда наружный воздух проникает через непроницаемые для воздуха пространства.
Естественная вентиляция, по сути, бесплатна, свежий воздух легко подается в дом, и нет необходимости в длительных процедурах технического обслуживания. Обратной стороной естественной вентиляции является то, что из квартир выходит воздух с контролируемым климатом, а влажность не регулируется.Это может привести к дискомфорту в квартире, если на улице затхлый или загрязненный воздух.
Механическая вентиляция
Механическая вентиляция включает использование вентиляторов и воздуховодов для управления потоком наружного воздуха в здание. Поток воздуха в доме с регулируемым климатом также регулируется системами механической вентиляции. Система HVAC вашей квартиры включает в себя механическую вентиляцию.
Механическая вентиляция улучшает качество воздуха в помещении за счет регулирования влажности и наружного воздушного потока.При правильном использовании они также могут помочь в достижении энергоэффективности. Проблемы механической вентиляции включают повышенные затраты и проблемы с влажностью воздуха.
Гибридная вентиляция
Гибридная вентиляция представляет собой сочетание как естественных, так и механических систем вентиляции. Приточные отверстия для свежего воздуха используются для впуска воздуха в здание, где воздух направляется через систему воздуховодов в приточный вентилятор. Вентилятор увеличивает давление воздуха и подает его на остальную часть здания.
Затем вытяжные вентиляторы в потолке используются для вывода старого, несвежего воздуха за пределы здания.
Гибридные системы могут улучшить качество воздуха в помещении, уменьшить появление аллергенов и поддерживать лучшее давление воздуха в здании.
Последствия неправильной вентиляции
Неправильная вентиляция – многоквартирный дом может подвергать жильцов воздействию влажного воздуха, загрязняющих веществ и аллергенов. Это может сделать пребывание в квартире нездоровым и менее комфортным.Кроме того, в многоквартирных домах часто проживают жильцы разного возраста, профессии и происхождения. Такие действия, как приготовление пищи, принятие душа и курение, могут привести к проникновению нежелательных запахов из одного помещения в дома других.
Коридоры обычно представляют собой обычное пространство для возникновения нежелательных запахов, где изменения давления в здании имеют тенденцию вводить воздух из отдельных блоков в пространство коридора.
Затем этот воздух может проходить через отверстия в дверях и окнах в другие квартиры.
Плохая вентиляция в квартирах также связана с воздуховодами, которые долгое время не чистили.Загрязняющие вещества, такие как жир и грязь, как правило, забивают воздуховоды и уменьшают поток воздуха.
Стратегии домашнего хозяйства для лучшей вентиляции дома
При приготовлении пищи, купании или развешивании одежды для сушки убедитесь, что окна в комнате открыты, чтобы обеспечить лучшую циркуляцию воздуха. Держите дверь закрытой, чтобы обеспечить максимальную циркуляцию воздуха в этом конкретном пространстве. Это также предотвратит распространение некачественного воздуха в комнате на остальную часть дома.
В остальное время держите двери в разные комнаты открытыми, чтобы свежий воздух мог циркулировать по всей квартире.Это также предотвратит появление неприятных запахов в одном месте. Вы также можете использовать потолочный или настольный вентилятор для механической циркуляции воздуха по дому, особенно во влажную погоду.
Проветривайте дом как можно чаще, открывая окна 3 раза в день. Это позволяет удалить несвежий воздух и позволить свежему воздуху в помещении.
Проектирование зданий и надлежащая вентиляция
Арендаторы также должны знать, как дизайн их многоквартирных домов может влиять на надлежащую вентиляцию.Многоквартирные дома с длинными лестничными клетками и лифтовыми шахтами часто труднее вентилировать. Убедитесь, что такие постройки правильно разделены перегородками и имеют подходящее расстояние между этажами. Плотно закрытые здания также должны иметь надлежащие системы механической вентиляции, поскольку естественный поток воздуха ограничен.
Агрегаты с централизованной системой вентиляции с общими воздуховодами должны быть оборудованы децентрализованными системами HRV или ERV в каждой квартире. Эти системы оптимизируют поступление свежего воздуха в каждую квартиру и уменьшают распространение нежелательных запахов от одного помещения к другому.
Система вентиляции многоквартирного дома
Системы вентиляции многоквартирных домов должны обеспечивать ваших жителей свежим чистым воздухом, одновременно контролируя потери воздуха и влажности с контролируемым климатом. Этого можно добиться с помощью различных систем вентиляции, включая естественные, механические и гибридные. Как управляющий недвижимостью в Чикаго, вы должны найти время, чтобы узнать, какой тип системы вентиляции установлен в вашем здании и соответствует ли эта система потребностям ваших жителей.
Признаки того, что система вентиляции вашего многоквартирного дома не отвечает потребностям ваших жителей
Самая большая проблема с плохой вентиляцией – это плохое качество воздуха в помещении и низкий уровень комфорта в многоквартирном доме в Чикаго. Это также может привести к увеличению нагрузки на ваше отопительное и охлаждающее оборудование, что приведет к увеличению ваших счетов за электричество и / или газ.
5 знаков:
- Душные помещения или несвежий воздух
- Высокий уровень влажности в помещении
- Видимая влага на окнах
- Увеличение количества внутренних систем аллергии
- Жители жалуются на плохое самочувствие в здании
Основы системы вентиляции
Система вентиляции многоквартирного дома обеспечивает циркуляцию воздуха в доме и добавление определенного количества свежего воздуха.
Он также фильтрует твердые частицы из вашего воздуха, удаляет запахи и помогает контролировать влажность в вашем здании. Существует три основных типа систем вентиляции: естественные, механические и гибридные.
1. Естественная вентиляция
Естественная вентиляция возникает, когда вы открываете окна и двери в своем здании и отдельных квартирах арендаторов. Это позволяет внутреннему воздуху выходить из здания, а воздух снаружи – внутрь здания. Естественная вентиляция также возникает, если у вас есть двери и окна, которые не герметизированы должным образом или не являются энергоэффективными.
Плюсы естественной вентиляции
- Без механических систем
- Доступен свежий воздух
- Низкие эксплуатационные расходы
Минусы естественной вентиляции
- Позволяет выпускать воздух с контролируемым климатом из здания
- Влажность не регулируется
- Многие современные здания не предназначены для 100-процентной естественной вентиляции
2.
Механическая вентиляция
Механическая вентиляция включает использование вентиляторов и воздуховодов для контроля количества наружного воздуха, разрешенного внутри здания, при одновременном ограничении потерь воздуха с регулируемым климатом.Многие системы механической вентиляции поставляются вместе с системами HVAC или добавляются к ним.
Плюсы механической вентиляции
- Улучшение качества воздуха в помещении
Точный контроль над системой вентиляции
Повышение уровня влажности и комфорта жителей
Минусы механической вентиляции
- Может вызвать обратную тягу в некоторых приборах
- Может быть энергоэффективным, если количество наружного воздуха, поступающего в здание, не контролируется
- Может вызвать проблемы с влажностью зимой
3.Гибридные системы вентиляции
Гибридные системы вентиляции, которые иногда называют сбалансированными системами или системами со смешанным режимом, включают в себя функции как естественных, так и механических систем вентиляции.
Как правило, они имеют одно или несколько отверстий для притока свежего воздуха, через которые поступает наружный воздух в здание. Затем этот воздух направляется через систему воздуховодов к приточному вентилятору, который повышает давление воздуха. Вытяжные вентиляторы в потолке помогают выводить старый, застоявшийся воздух наружу.
Плюсы гибридной вентиляции
- Лучшая герметизация здания
- Сниженный риск обратного вытягивания из топливных приборов
- Повышенный комфорт в помещении
- Меньше аллергенов в воздухе помещений
Минусы гибридной вентиляции
- Неправильная конструкция или неправильная установка могут привести к неэффективности
- Позволяет воздуху с климат-контролем выходить через вытяжные вентиляторы
- Недостаточные элементы противопожарной безопасности в конструкции могут привести к проникновению дыма и огня по всему зданию.
Варианты ремонта и замены вентиляции
Здесь, в компании Althoff, мы обеспечиваем ремонт, замену и модернизацию систем вентиляции многоквартирных домов.
Наши профессиональные специалисты могут проверить качество воздуха в вашем здании, чтобы определить, есть ли у вас высокие уровни загрязнителей воздуха в помещении, а мы можем проверить влажность и измерить температуру воздуха в помещении во всем здании. Эти тесты помогают нам определить, соответствует ли ваша система вентиляции вашим потребностям. Если это не соответствует вашим потребностям, мы можем порекомендовать энергоэффективные вентиляционные решения, которые помогут улучшить качество воздуха в помещении и комфорт ваших жильцов. Некоторые решения, которые мы использовали в прошлом, включают установку систем вентиляции с рекуперацией энергии, изменение размеров или количества вентиляторов в вашем здании и установку увлажнителей и осушителей.
Чтобы узнать больше о том, как мы можем повысить эффективность и действенность системы вентиляции вашего здания, позвоните нам по телефону 800-225-2443.
ВЕНТИЛЯЦИЯ – Основа конструкции
ПОЧЕМУ ВЕНТИЛЯЦИЯ – ОБЩАЯ ИНФОРМАЦИЯ:
Вентиляция преследует три цели:
- для удаления переносимых по воздуху загрязнителей,
- для разбавления переносимых по воздуху загрязнителей, которые невозможно эффективно удалить, и
- для обеспечения свежий воздух.

Удаление переносимых по воздуху загрязняющих веществ – задача управления источниками вентиляция (т.е. вытяжка и вытяжной вентилятор ванны).Разбавление распространенных переносимых по воздуху загрязнителей и обеспечение свежего воздуха – это работа общего фона вентиляции .
Исторически сложилось так, что для вентиляции в зданиях использовались протечки в ограждении здания и открытые окна. Источниковая вентиляция часто неэффективна при таком подходе. Общая фоновая вентиляция показателей не являются ни контролируемыми, ни надежными. Случайные утечки при таком подходе наносят серьезный ущерб комфорту, затратам на электроэнергию и борьбе с вредителями.
Совсем недавно была признана необходимость в механической вентиляции, и вытяжные вентиляторы использовались для перемещения воздуха в здания и из них. Обеспечивая более надежный контроль источника вентиляция и некоторый контроль общего фона скорость вентиляции , эти системы по-прежнему полагались на негерметичный корпус здания.
Воздух, выпущенный из здания, был заменен воздухом, «просачивающимся» обратно в здание. Подход «только выхлоп» не позволяет контролировать, откуда поступает подпиточный воздух.Подпиточный воздух для вытяжки из квартиры может быть не свежим, а через полости здания и из соседних квартир.
Сегодня наша цель – сделать наши ограждающие конструкции герметичными и избежать случайных утечек. Следовательно, системы вентиляции должны включать приточный воздух. Баланс между приточным и вытяжным воздухом в здании поддерживает хорошее качество воздуха в помещении (IAQ) , что является ключом к созданию здоровых домов. Удаляя углекислый газ, загрязняющие вещества, образующиеся в процессе приготовления пищи, летучие органические соединения и избыточную влажность / влажность, система вентиляции улучшает качество воздуха в помещении и увеличивает долговечность здания, ограничивая возможность роста плесени / грибка.
При капитальном ремонте или новом строительстве строительные нормы и правила будут определять количество свежего воздуха, подаваемого в здания и блоки ( общая фоновая вентиляция) .
Они также устанавливают количество воздуха, которое необходимо удалить ( Источниковая вентиляция ) из помещений здания, где часто образуются переносимые по воздуху загрязнители, таких как прачечная и мусорное помещение, а также кухни и ванные комнаты в квартирах. В то время как коды определяют объемную скорость вентиляции, коды не обеспечивают эффективности вентиляции.Например, положения кодекса не гарантируют, что предполагаемый свежий воздух действительно достигает квартир, ни то, что вентиляция с контролем источника действительно улавливает или содержит переносимые по воздуху загрязнители. Нормы также не требуют, чтобы системы вентиляции были оптимизированы с точки зрения эксплуатационных расходов и использования энергии.
Из-за этого POAH нужны инженеры для капитального ремонта или новых строительных проектов, чтобы спроектировать систему вентиляции, которая не только соответствует нормам, но также эффективна и энергоэффективна.Проект вентиляции будет рассмотрен Design & Building Performance и консультантом по энергии (если применимо).
Инженера также попросят предоставить данные об энергопотреблении вентиляционной системы, расходах и других параметрах системы как средства демонстрации энергоэффективности и эффективности проекта.
Для управляющих недвижимостью и обслуживающего персонала , заменяющих вентиляторы или крышные агрегаты, используйте предпочтительные продукты, указанные ниже. Если устанавливается новое оборудование, свяжитесь с POAH для получения указаний.
Многосемейная вентиляция: помогает зданиям дышать
В сообществе многоквартирных домов ведутся споры о том, как лучше вентилировать жилые дома. Существует три конкурирующих варианта дизайна, которые могут быть реализованы в жилом дизайне: естественная вентиляция, механическая вентиляция и гибридный подход.
Какой набор «легких» лучше всего разместить в вашем здании? Вам необходимо учитывать требования LEED EAp1, требования местных норм, климат в здании, конфигурацию квартиры, особые требования проекта к вытяжке и многое другое.
Вот некоторые вещи, о которых стоит подумать.
Естественная вентиляция
Начнем с естественной вентиляции. Благодаря более низким первоначальным затратам и меньшим эксплуатационным расходам (благодаря необходимости меньше кондиционировать наружный воздух), не говоря уже о растущем спросе на оздоровление, естественная вентиляция возвращается. Однако естественная вентиляция не всегда является идеальным решением. В связи с преобладанием тенденций в области здорового образа жизни и отраслевой направленностью, USGBC и несколько местных юрисдикций используют более строгую интерпретацию требований к вентиляции и вытяжке, связанных с путями соответствия ASHRAE 62 как для естественно вентилируемых, так и для механически вентилируемых помещений.
Естественная вентиляция основана на окнах, управляемых пользователем, для подачи необходимого наружного воздуха в пространство. В здании с полной естественной вентиляцией используются преимущества преобладающих ветров, а также ясный свет и другие элементы дизайна, которые перемещают воздух по зданию.
Естественная вентиляция использует охлаждающий эффект движущегося воздуха. Однако при отсутствии должного изучения, проектирования и эксплуатации в жилом помещении с естественной вентиляцией могут возникнуть проблемы с комфортом, влажностью и качеством воздуха в помещении.
О чем следует помнить при естественной вентиляции.
• При разработке планировки здания следует учитывать, что здание с естественной вентиляцией ограничивает эффективность работы окон до 25 футов. Следовательно, все помещения должны быть постоянно открыты для работающих окон. Чтобы удовлетворить эти требования без чрезмерно сложной конструкции перемычек и каналов для перемещения воздуха из одного помещения в другое, квартира должна быть ограничена глубиной 25 футов и обеспечивать доступ каждого помещения к работающему окну.
• Общая площадь эксплуатируемых окон должна быть больше 4% от общей площади квартиры. Тип окна также имеет решающее значение, поскольку общая открытая площадь окна зависит от типа используемых окон (створчатые, одинарные / двойные, ползунки, маркизы и т.
Д.). Если проемы закрыты жалюзи или другими препятствиями, следует использовать общую свободную площадь для расчета общей рабочей площади окна.
• В соответствии со стандартом ASHRAE Standard 62.1, кухонная вытяжка не должна выводиться наружу, если пространство вентилируется естественным образом, поэтому выделенная кухонная вытяжка не требуется; простой рециркуляционный вентилятор над плитой выполняет свою работу.Однако вытяжка необходима для всех ванных комнат, как описано в стандарте ASHRAE 62.1 и Международном механическом кодексе. Ставки, которые требуются для частных (жилых) ванных комнат, составляют 25 куб. Футов в минуту на ванную комнату, если она постоянная, и 50 кубических футов в минуту, если обеспечивается прерывистым (переключаемым) вытяжным вентилятором.
• Одним из ограничений здания с естественной вентиляцией является отсутствие вентиляции при закрытых окнах. Эта очевидная проблема редко ограничивает попытки создания конструкции с естественной вентиляцией.
Например, в климатической зоне Вашингтона, округ Колумбия, холодная зима и жаркое и влажное лето ограничивают количество дней, в которые можно комфортно разместить открытые окна. Следовательно, в течение длительного периода времени, когда окна закрыты, отсутствие надлежащей вентиляции может привести к проблемам с комфортом и качеством воздуха в помещении.
Варианты механической вентиляции
Механическая вентиляция – это более традиционный подход к проектированию, при котором наружный воздух подается в отдельные квартиры через механическую систему воздуховодов.Наружный воздух подается непосредственно в приточно-вытяжную установку через отдельные впускные отверстия в каждой квартире и кондиционируется вместе с остальным возвратным воздухом; или предварительно кондиционированный воздух подается в отдельные квартиры через установленный на крыше блок наружного воздуха. Вот несколько вещей, о которых следует подумать при рассмотрении вопроса о механической вентиляции:
• Требуемые объемы наружного воздуха определяются стандартом ASHRAE 62.
1 и Международным механическим кодексом. Согласно этим требованиям необходимо обеспечить подачу наружного воздуха из расчета 5 кубических футов в минуту на человека + 0.06cfm / ft2. Заполняемость определяется количеством спален в каждой квартире. Студии и апартаменты с одной спальней рассчитаны на размещение двух человек. Каждая дополнительная спальня добавляет в проектные расчеты еще одного человека.
• В соответствии с требованиями Международного механического кодекса наружный воздух должен подаваться непосредственно в установку, а не через коридоры через проемы и / или открытые входные двери.
• В отличие от пространства с естественной вентиляцией, кухонная вытяжка необходима и должна выводиться за пределы квартиры через стек, который объединяет несколько квартир вместе, или через специальный воздуховод, который выводится за пределы каждой квартиры.Вытяжные шкафы с микроволнами и рециркуляцией недопустимы.
Кухонная вытяжка делится на две категории: общая вытяжная и вытяжная.
Общая вытяжка может быть просто вытяжной решеткой на кухне, которая направляется в общий вытяжной канал квартиры или ванной комнаты. Но из-за жира и тепла, связанных с выхлопом вытяжки, он классифицируется как другой уровень воздушного потока, чем общий выхлоп, и не может быть объединен с общим выхлопом, выхлопом ванной или сушилкой.Нормы, которые требуются для жилых кухонь, составляют 50 кубических футов в минуту, если непрерывно, и 100 кубических футов в минуту, если обеспечивается прерывистым (переключаемым) вытяжным вентилятором.
Выхлоп для ванных комнат по-прежнему требуется для всех ванных комнат, как описано в стандарте ASHRAE 62.1 и Международном механическом кодексе. Ставки, которые требуются для частных (жилых) ванных комнат, составляют 25 куб. Футов в минуту на ванную комнату, если она постоянная, и 50 кубических футов в минуту, если обеспечивается прерывистым (переключаемым) вытяжным вентилятором.
• Из-за того, что механически вентилируемый блок разделен на отсеки, создание давления имеет решающее значение для надлежащей работы.
При проектировании следует проверять требуемую скорость вытяжки и обеспечивать соответствующее количество наружного воздуха для создания положительного давления в установке. Небольшое положительное давление поможет устранить проникновение снаружи и предотвратить дискомфорт, возможные проблемы с плесенью и миграцию запаха из соседних квартир или коридоров.
Гибридная вентиляция: лучшее из обоих миров
Как следует из названия, естественная / механическая гибридная вентиляция включает в себя как естественную, так и механическую вентиляцию.Наружный воздух – неочищенный или предварительно кондиционированный – подается в квартирные блоки как через открывающиеся окна, так и через механическую вентиляцию. Хотя этот подход может обеспечить лучшее из обоих миров, есть несколько общих камней преткновения:
• Пространства с естественной вентиляцией определяются как первые 25 футов квартиры, аналогично подходу с естественной вентиляцией. Но в отличие от подхода с естественной вентиляцией, установка может быть спроектирована глубже 25 футов.
Любые области, которые расширяются за предел 25 футов, требуют механической вентиляции.
• Площадь пола, выходящая за пределы 25 футов, должна вентилироваться механически в соответствии с требованиями стандарта ASHRAE 62.1, как описано в предыдущем разделе.
• В зависимости от расположения кухни может потребоваться вытяжка, а может и не потребоваться. Если вся кухня находится в пределах 25 футов от рабочего окна, считается, что кухня имеет естественную вентиляцию и не требует специальной вытяжки. Однако, если вся кухня или ее часть выходит за пределы 25 футов, она считается вентилируемой механически и, следовательно, требует кухонной вытяжки.Типы вытяжки и прокладка следуют тем же правилам, что и полностью вентилируемая кухня.
Выхлоп для ванных комнат по-прежнему требуется для всех ванных комнат, как описано в стандарте ASHRAE 62.1 и Международном механическом кодексе. Ставки, которые требуются для частных (жилых) ванных комнат, составляют 25 куб. Футов в минуту на ванную комнату, если она постоянная, и 50 кубических футов в минуту, если обеспечивается прерывистым (переключаемым) вытяжным вентилятором.
• Гибридный подход к вентиляции уменьшает размер механического оборудования из-за меньшего объема наружного воздуха, необходимого в каждой квартире.Он также обеспечивает естественную вентиляцию и позволяет пассажирам использовать время, когда подходят внешние условия. А механическая вентиляция будет обеспечивать минимальное количество свежего воздуха в течение всего года, даже если внешние условия не позволяют пассажирам открывать окна. Надлежащая координация между командой дизайнеров является обязательной для обеспечения того, чтобы области пола и окон соответствовали естественной вентиляции, а механическая вентиляция была рассчитана на оставшееся пространство.
В зависимости от географического положения и общего дизайна и стиля многоквартирного дома каждый из этих вариантов вентиляции может создать идеальную жилую среду для жителей. Очень важно, чтобы проектная группа определила подход к проектированию на ранней стадии схематического проектирования, чтобы предотвратить возникновение проблем на поздних этапах проектирования или даже во время процесса подачи LEED.
Вентиляция и инфильтрация в многоэтажных многоквартирных домах (Технический отчет)
Даймонд, Р. К., Фойстель, Х. Э. и Дикерхофф, Д. Дж. Вентиляция и инфильтрация в многоэтажных жилых домах . США: Н. П., 1996.
Интернет. DOI: 10,2172 / 221055.
Даймонд, Р. К., Фойстел, Х. Э. и Дикерхофф, Д. Дж. Вентиляция и инфильтрация в многоэтажных жилых домах . Соединенные Штаты. https://doi.org/10.2172/221055
Даймонд, Р. К., Фойстель, Х. Э. и Дикерхофф, Д. Дж.Пт.
«Вентиляция и инфильтрация в многоэтажных жилых домах». Соединенные Штаты. https://doi.org/10.2172/221055. https://www.osti.gov/servlets/purl/221055.
@article {osti_221055,
title = {Вентиляция и инфильтрация в многоэтажных многоквартирных домах},
author = {Даймонд, Р.
К. и Фойстель, Г. Э. и Дикерхофф, Д. Дж.},
abstractNote = {Измерения расхода воздуха, утечки воздуха и численное моделирование были выполнены в 13-этажном многоквартирном доме для определения интенсивности вентиляции в отдельных квартирах.Параметрическое моделирование проводилось для конкретных условий, например высоты, ориентации, температуры наружного воздуха и скорости ветра. Наш анализ моделирования воздушного потока показывает, что вентиляция отдельных блоков значительно различается. С отключенной системой механической вентиляции и отсутствием ветра агрегаты на нижнем уровне здания имеют достаточную вентиляцию только в дни с высокими перепадами температур, а агрегаты на верхних этажах вообще не имеют вентиляции. Блоки, обращенные на наветренную сторону, будут вентилироваться чрезмерно, когда в здании будет ветер с запада на север.В то же время в квартирах с подветренной стороны не было свежего воздуха, потому что в этих случаях потоки воздуха попадают в квартиры из коридора и выходят через вытяжные шахты и трещины в фасаде.
Даже при работающей системе механической вентиляции мы обнаружили большие различия в потоках воздуха в отдельные квартиры. В дополнение к конкретному случаю, представленному здесь, эти результаты имеют более общие последствия для модернизации энергоснабжения, а также здоровья и комфорта жителей многоэтажных многоквартирных домов.},
doi = {10.2172 / 221055},
url = {https://www.osti.gov/biblio/221055},
journal = {},
number =,
объем =,
place = {United States},
год = {1996},
месяц = {3}
}
Вентилируемые многоэтажные многоквартирные дома – первый взгляд
Кондоминиумы и квартиры представляют собой серьезные проблемы, когда дело касается вентиляции для обеспечения хорошего качества воздуха в помещении.(Я живу в кондоминиуме, который был построен в 1970 году без механической вентиляции всего дома, но это уже другая история.) В многоэтажных зданиях эффект ветра и стека часто делает бесполезными стратегии механической вентиляции, особенно для нижних частей здания.
. Давайте взглянем.
Теория и практика высотной вентиляции
Лорн Рикеттс из инженерной фирмы RDH в прошлом году в Летнем лагере строительной науки выступил с докладом о вентиляции высотных зданий. Он начал с тематического исследования 13-этажного жилого дома в Ванкувере.Стратегия вентиляции в этом здании заключалась в использовании большого вентилятора на крыше для нагрева или охлаждения наружного воздуха и его продувки в коридоры всех 13 этажей. Изображение ниже из его презентации, которую вы можете загрузить с веб-сайта Building Science Corporation ( pdf ).
Как только вентиляционный воздух попадает в коридоры, теория выталкивает его в жилые помещения через преднамеренные проемы входной двери. Вы можете видеть эти маленькие стрелки, скользящие под дверями на рисунке выше, так что это должно быть правдой.Правильно?
Ну, не совсем. Есть старая поговорка: «Теоретически нет разницы между практикой и теорией. На практике она есть».
(Раньше я говорил людям, что эта цитата принадлежит Йоги Берра, но Сноупс усомнился в этой атрибуции.) Так что все эти красивые стрелки, показывающие равномерное распределение вентиляционного воздуха, на самом деле не соответствуют практике. Вот почему.
Во-первых, воздух перемещается из одного места в другое из-за двух факторов: разницы давлений и пути. Поднутрения двери обеспечивают проход, но разница в давлении меняется.Система механической вентиляции – не единственный механизм создания перепада давления. Рикеттс показал приведенную ниже диаграмму, суммирующую вклады ветра, эффекта суммирования и механической системы.
Но проблемы не только в движущих силах. Пути тоже есть. Большая часть этого вентиляционного воздуха не попадает в коридоры из-за утечки в лифтовые шахты и другие места. Их измерения показали, что только 40% всего вентилируемого воздуха действительно попадает в коридоры.Вау!
Затем они измерили, сколько воздуха попало в жилые помещения через проемы двери.
Результат: всего 20%. Ого!
Затем они посчитали: 40% x 20% = 8%. Что?!
Ванкувер, у нас проблема! (Это нормально. Я могу так сказать, потому что я из Хьюстона.)
Перепад вентиляции
Как видите, в результате в блоки на верхних этажах поступает намного больше воздуха для вентиляции, чем в блоки на нижних этажах. Фактически, их тестирование с индикаторным газом показало, что существует разница в скорости вентиляции снизу вверх на порядок величины (10 раз).Они составляют около 10 кубических футов в минуту (кубических футов в минуту) внизу и почти 200 кубических футов в минуту вверху.
В результате на нижних этажах больше проблем с качеством воздуха в помещении, чем на верхних этажах. Уровни углекислого газа были выше. Еще больше проникновения из гаража внизу здания.
Понятно, что система вентиляции коридора под давлением в этом здании не работала. Они изучили движущие силы (ветер, эффект стека, механические) в зданиях другой высоты и в другом климате.
Они пришли к выводу, что механические системы не могут «подавить природу» и что создание избыточного давления в коридоре не является хорошей стратегией вентиляции.
План улучшения
На основании того, что они обнаружили, команда предложила следующее:
- Сделать много герметизации между гаражом и жилыми помещениями
- Разделите жилые единицы на секции, чтобы уменьшить утечку воздуха между квартирами
- Установить вентилятор с рекуперацией тепла в каждом жилом доме
- Установить меньшую вентиляционную установку на крыше, которая вентилирует только коридоры
Это система, которая может работать как в теории, так и на практике!
В моей следующей статье я рассмотрю некоторые стратегии и продукты вентиляции, которые могут работать в многоквартирных домах, включая новый вентилятор Zehnder с функцией восстановления энтальпии через стену (ERV).
Скачать презентацию Лорна Рикеттса: Вентиляция в многоквартирных домах (pdf)
Статьи по теме
Вентилятор с рекуперацией энергии НЕ ЯВЛЯЕТСЯ осушителем воздуха
Приключения в вентиляции ванных комнат отеля
4 предложения по вентиляции, которые потрясут ваш мир качества воздуха в помещении
Изображение предоставлено: высотное здание кондоминиума Energy Vanguard; два чертежа вентиляции из презентации Лорна Рикеттса
ПРИМЕЧАНИЕ: Комментарии модерируются.
Ваш комментарий не будет отображаться ниже, пока не будет одобрен.
Куда выходят вентиляторы в ванных комнатах в квартирах – HVAC-BUZZ
С ростом высоты и жилой вместимости многоквартирных домов возрастает и проблема надлежащей вентиляции. Риск переноса застоявшегося воздуха и запаха между квартирами является насущной проблемой, особенно между ванными комнатами.
Таким образом, лучший способ избежать неприятных ситуаций – это понять, как работают вентиляционные системы с вентилятором для ванных комнат в многоквартирных домах, и использовать эти знания для подавления запахов.
Вентиляторы для квартирных ванных комнат выходят наружу. Однако к отдельным вентиляторам обычно подключают выхлопы перед тем, как покинуть здание. В большинстве случаев есть заслонка, которая предотвращает попадание воздуха из одной ванной комнаты в комнату соседа.
В многоквартирных домах проживает разная группа арендаторов разного происхождения, возраста и профессии.
Существует множество повседневных занятий, таких как принятие душа и курение, в результате чего из одной ванной комнаты в чужой дом могут попасть ненужные запахи. Если вам интересно узнать, о чем следует помнить, продолжайте читать, пока мы исследуем, куда выходят ваши вентиляторы для ванной.
Подключены ли вентиляционные отверстия в квартире?
Все жилые здания требуют соответствующей вентиляции для обеспечения циркуляции воздуха, удаления запаха и контроля влажности. Это два типа – естественная вентиляция и механическая вентиляция.
Открывание окон и дверей квартирного блока для выхода застоявшегося воздуха и поступления свежего воздуха извне называется естественная вентиляция .
Напротив, использование такого оборудования, как вентиляторы, вентиляционные отверстия и воздуховоды для управления вышеупомянутым процессом, называется механической вентиляцией . Большинство многоквартирных жилых домов (MURB) оснащены системами отопления, вентиляции и кондиционирования воздуха, которые проходят через все учреждения и регулируют этот процесс.
Забор и распределение воздуха поддерживаются воздуховодами и многочисленными вентиляционными отверстиями, которые являются частью этой системы.
В стенах вашей квартиры вы обнаружите множество дыр, которые закрыты металлическими пластинами.Это вентиляционные отверстия, предназначенные для входа и выхода воздуха из воздуховодов. Сеть воздуховодов, проходящая через квартиру, направляет воздух, поступающий из вентиляционных отверстий, в центральную приточную или вытяжную установку.
Интересно, что есть еще две подкатегории систем механической вентиляции. Это централизованных систем, или секционных систем.
Обычно средне- и высотные МУРБ, построенные после 1960-х годов, имеют центральную систему вентиляции.Один из способов определить, есть ли в вашем многоквартирном доме централизованная система вентиляции, – это проверить количество вытяжных вентиляторов на крыше. Эти вентиляторы подключаются к решеткам в отдельных квартирах через вертикальные шахты или воздуховоды, обслуживающие квартиры под ними.
Квартиры в таких зданиях состоят из нескольких вентиляторов, которые выводят воздух из ванных комнат, кухонь или из обеих комнат. Воздух поступает в общую шахту, которая ведет к нескольким квартирам. Они чрезвычайно эффективны при вытяжке воздуха из ванных комнат, которые обычно являются местом с высокой влажностью и источниками запаха.
На Рисунке 1 показаны распространенные конфигурации централизованных вытяжных вентиляторов в квартире.
Источник: Руководство по оценке и модернизации многоквартирной вентиляции, 2016 г.
Слева изображен вытяжной вентилятор, обслуживающий кухню и ванную в вертикально расположенных квартирах. Справа – вытяжной вентилятор, обслуживающий смежные ванные комнаты.
Поскольку квартиры в здании имеют одинаковую планировку этажей, весьма вероятно, что они делят между собой несколько вещей.Следовательно, да, проживание в квартире означает, что ваши ближайшие соседи буквально по соседству, потому что вентиляционные отверстия в квартирах обычно соединены через общую шахту, которая, в свою очередь, является частью централизованной системы вентиляции.
Может ли дым проходить через вентиляционные отверстия?
В каждом здании регулирование температуры и воздушного потока является основными функциями системы HVAC. Он не предназначен для борьбы с запахами. Бывают случаи, когда люди, живущие в квартирах, замечают, что воздух, выходящий из их вентиляционных отверстий, очень пахнет дымом.
Это может быть связано с тем, что центральная система вентиляции не была спроектирована и сконструирована наилучшим образом и, следовательно, не работает должным образом. К этому может привести несколько недостатков.
Иногда вся система не была тщательно спроектирована, или некоторые части системы были сконструированы плохо. Например, заслонки могут быть установлены под неправильным углом или просто неисправны.
Таким образом, если кто-то хочет незаметно покурить в помещении, могут произойти две вещи: дым может распространиться в другие части комнаты, уведомляя соседей по комнате или членов семьи, или дым может попасть в другие квартиры, вызывая дискомфорт для соседей.
В первом случае, если кто-то курит в любой комнате с вентиляционным отверстием, система HVAC будет распространять дым внутри системы и по всей квартире. В краткосрочной перспективе дым попадет в вентиляционное отверстие и может перейти в другую комнату через неисправную заслонку.
Один из способов избавиться от запаха дыма, выходящего из вашей квартиры, – это установить угольный фильтр перед воздуховодом. Это большой лист от Amazon, который можно обрезать по размеру, чтобы он соответствовал любому воздуховоду.Однако важно помнить, что фильтр необходимо регулярно заменять, чтобы он работал эффективно.
Посмотреть прокладку угольного фильтра на Amazon.
В долгосрочной перспективе дым будет задерживаться в недоступных частях вентиляционных отверстий, включая, помимо прочего, змеевики конденсатора, расположенные дальше по системе. В конце концов, этот запах может становиться все более выраженным каждый раз при включении кондиционера или печи, поскольку воздух выдувает химические вещества обратно внутрь помещения.
Вот 8 альтернативных способов сохранить свежесть в ванной!
Хотя вы можете свести к минимуму этот эффект с помощью регулярной чистки и чистки пылесосом, полностью избавиться от него может быть чрезвычайно сложно.
Во втором случае существует множество способов передачи дыма из одной квартиры в другую, соседнюю. Это может быть через вентиляционные отверстия, трубы, пробелы в изоляции, электрические розетки, потолочные светильники, окна, двери и т. Д.В большинстве случаев дым распространяется через вентиляционные отверстия.
Это связано с тем, что вентиляционные отверстия связаны через общую систему HVAC. Если в обеих квартирах установлены вентиляторы для ванных комнат, дым из вашей квартиры может течь вверх через общий воздуховод в квартиру выше и попадать в ванную комнату, если ее вентилятор выключен.
Точно так же, в случае сильного порыва ветра дым из выхлопной трубы может попасть в ванную комнату внизу.
Поэтому вентиляторы для ванных комнат печально известны тем, что дым распространяется на другие помещения.
Подобно ситуации, когда дым задерживается в вентиляционных отверстиях и каналах внутри квартиры, дым и остаточные запахи также могут оставаться в общей шахте. Кроме того, пыль и ворсинки могут поглощать запах сигареты, в результате чего он остается дольше и распределяется по системе, особенно когда одно устройство включает вентилятор в ванной.
Будет ли пахнуть, если я курю в ванной?
Простой ответ – да.Сказав это, есть способы как можно больше уменьшить или скрыть запах. Большинство курильщиков ищут убежища в своих ванных комнатах, потому что здесь есть больше способов скрыть запах, чем в других частях квартиры.
Важно иметь в виду, что обоняние у курильщиков, связанное с пассивным курением, значительно ослаблено. Особенно по сравнению с некурящими, у которых есть более высокая способность обнаруживать запах дыма.
Таким образом, практическое правило – проявлять особую осторожность, даже если вы курите в ванной, что по сравнению с этим безопаснее.
Есть три вещи, которые могут быть полезными союзниками для курильщиков – вентиляторы для ванных комнат, окна и вентиляционные отверстия. При правильном использовании они могут помочь уменьшить запах дыма.
Во-первых, окно и вентилятор для ванной можно использовать вместе для создания притока. Если вентилятор достаточно сильный, а окно приоткрыто чуть-чуть, дым можно вытолкнуть из вашего собственного блока.
Во-вторых, проверьте, оборудована ли ваша ванная комната вентиляционным отверстием с маленьким металлическим рычагом, который скользит вперед и назад. Если да, вы можете использовать это, чтобы открыть или закрыть вентиляционное отверстие. Перед копчением необходимо закрыть вентиляционное отверстие с помощью рычага. Для дополнительной защиты приклейте полиэтиленовый пакет или лист бумаги поверх вентиляционного отверстия.

Но сейчас этот способ вентиляции не пользуется популярностью;
С экономической стороны никому не хочется выбрасывать на этот проект много денег, поэтому все стараются выбрать более дешевый вариант, но в этом случае, главное, не перестараться.

В жаркую безветренную погоду, напротив, осуществление естественной вентиляции фактически не происходит.





д.
Механическая вентиляция 